所屬科目:電子學
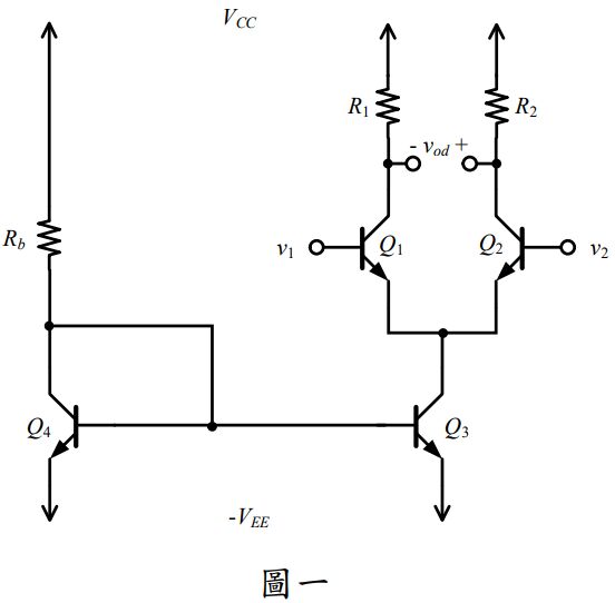
(二)當 v1 = vid /2、v2 = -vid /2,若 VA = ∞,根據(一)所計算出的 R1 與 R2 與直流偏壓,請計算出差動小信號電壓增益 vod /vid = (vc2- vc1)/(v1- v2)。如果β1 = β2 = β3 = β4 = 120,請計算出差動放大器 Q1 - Q2 的輸入阻抗。
(二)假設理想的回授放大器增益 Af = Vo /Vs = 20 V/V,其所需的回授因數 (feedback factor)β為何?如果 R1 = 2 kΩ,R2 應該為何?(6 分)