題組內容
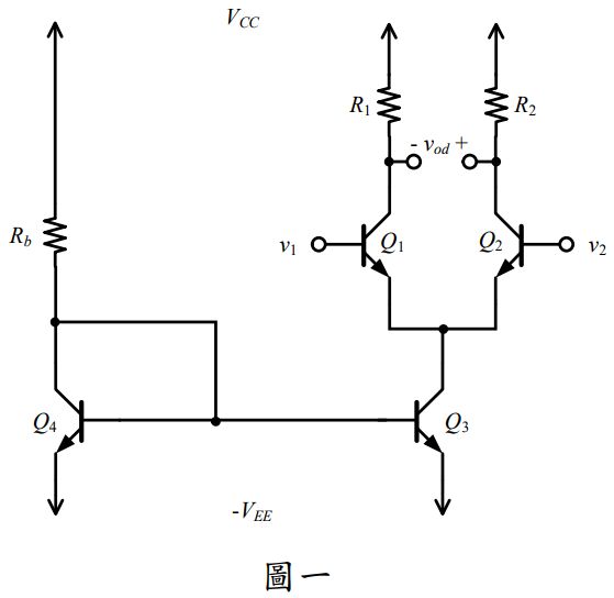
一、有一個雙載子接面電晶體(BJT)差動放大器電路如圖一所示,假設電路在作直流分析時,所有電晶體的基極電流等於 0(IB = 0),且所有的 VBE = 0.7 V。電晶體 Q1 與 Q2 完全匹配,電晶體 Q3 的射極-基極接面 (E-B junction)面積是電晶體 Q4 的 2 倍。電路中:熱電壓 VT = 25 mV、 VCC = VEE = 5 V。 (每小題 10 分,共 20 分)
(二)當 v1 = vid /2、v2 = -vid /2,若 VA = ∞,根據(一)所計算出的 R1 與 R2 與直流偏壓,請計算出差動小信號電壓增益 vod /vid = (vc2- vc1)/(v1- v2)。如果β1 = β2 = β3 = β4 = 120,請計算出差動放大器 Q1 - Q2 的輸入阻抗。
