所屬科目:船用電機與自動控制(概要)
1. R-L串聯電路中,R=10Ω,L=1mH,若加上200V直流電源予以充電,則開始充電瞬間之電感電壓為何?(A) 0V(B) 10V(C) 100V(D) 200V
2. 如圖所示,開關K於t=0閉合,當電路達穩態後,則電感兩端之電壓為何?(A) 0V(B) 3V(C) 6V(D) 10V
3. 如圖所示電路,求穩態時電路電流為何?
(A) 0A(B) 1A(C) 1.5A(D) 2A
4. 下列哪一種燈不屬於高照度放電燈HID?(A) 水銀燈泡(B) 螢光燈(C) 高壓鈉氣燈泡(D) 氙氣燈
5. 與一般燈泡比較,下列哪一項缺點不屬於高照度放電燈HID?(A) 演色性不良(B) 易受電壓變動影響(C) 起動時間長(D) 使用壽命短
6. 一般螢光燈起動器係由一氖燈泡及電容器並聯而成,試問該電容器的功能為何?(A) 干擾無線電(B) 降低起動電壓(C) 減少接點產生火花(D) 冷卻電極
7. 變壓器主要用途為何?(A) 將電能轉為機械能(B) 將機械能轉為電能(C) 將交流電轉為直流電(D) 交流電壓大小轉變
8. 鎢絲燈泡通電之後之所以能夠發光是因為哪一種原因?(A) 濕度(B) 壓力(C) 功率(D) 流量
9. 一般使用高阻計(Megger)量測高電阻值,型式有手搖式及哪一式高阻計?(A) 電池式高阻計(B) 電壓式高阻計(C) 電流式高阻計(D) 電功率式高阻計
10. 根據狄摩根定理,布林代數式等效為下列何者?(A)(B)(C)(D)
11. 以下何者屬於輻射型之溫度量測裝置?(A) 熱電耦(B) 溫敏電阻(C) 紅外線溫度計(D) 雙金屬
12. 有一用戶其用電設備及用電時間如下:1000瓦電熱器1只,平均每天用4小時,100瓦電燈5只,平均每天用5小時,200瓦電冰箱1只,平均每天用8小時,求每月用電若干度?(以30日計算)(A) 243度(B) 342度(C) 324度(D) 432度
13. 船舶一般採用電池式500V高阻計,此高阻計之構成不包括下列哪一項裝置?(A) 電壓轉換回路(B) 變壓器(C) 半導體整流器(D) 變頻器
14. 下列何種情況能視為最佳控制系統?(A) 輸出和輸入相差為極大值(B) 輸出和輸入相差為極小值(C) 輸出和輸入之比值為極大值(D) 輸出和輸入之比值為極大值
15. 蒸汽管路中如果安裝有孔口板(Orifice plate),其使用差壓式量測裝置(Differential pressure transmitter) 量測孔口板進、出口的壓力差來量測蒸汽流量,則流量與壓力差的關係為何?(A) 流量正比於壓力差(B) 流量正比於壓力差的平方(C) 流量正比於壓力差的平方根(D) 流量與壓力差成反比
16. 發電機之磁極鐵心係由矽鋼片疊積而成,其目的為何?(A) 提高電動機轉速(B) 降低機械效率(C) 易於製造(D) 減少渦流損失
17. 若將單相感應電動機的外接電源線互調,則下列敘述何者正確?(A) 轉速變快(B) 旋轉方向不變(C) 轉速變慢(D) 旋轉方向相反
18. 一般矽質二極體導通時,兩端的電位差約為多少?(A) 0.2V(B) 0.7V(C) 0.9V(D) 1.2V
19. 電晶體於線性工作時,其工作點Q應位於?(A) 截止區(B) 作用區(C) 飽和區(D) 崩潰區
20. 電晶體(BJT)可視為下列何者?(A) 電壓控制的電流源(B) 電壓控制的電壓源(C) 電流控制的電壓源(D) 電流控制的電流源
21. 有關直流電流計的接法,下列敘述何者正確?(A) 與電源並聯(B) 與負載並聯(C) 串聯於電路(D) 並聯於電路
22. 已知有一10A電流流入6歐姆及4歐姆的並聯電路,求於4歐姆處之電流為何?(A) 4A(B) 6A(C) 8A(D) 10A
23. 有一額定100V/1000W之電熱器,若所外接的電源為40V,則其消耗功率為何?(A) 1000W(B) 400W(C) 160W(D) 125W
24. 將額定100瓦特、200伏特的電熱絲接於100伏特之電源,則其產生之功率為何?(A) 50瓦特(B) 100瓦特(C) 400瓦特(D) 25瓦特
25. 下列何種火災感測器是利用空氣膨脹,使膜片作用接通警報電路?(A) 差動式(B) 定溫式(C) 離子式(D) 煙管式
26. 下圖中,何者是邏輯閘「反及閘(NAND)」的圖示?(A) A(B) B(C) C(D) D
27. 下圖中,何者是邏輯閘「或閘(OR)」的圖示?
(A) A(B) B(C)C(D) D
28. 一般氣壓式儀控系統的測量值所轉換的標準氣壓訊號的範圍為何?(A) 0~0.2 bar(B) 0.2~1.0 bar(C) 1.0~2.0 bar(D) 2.0~5.0 bar
29. 下圖電路,若接線沒斷、沒瑕疵或者接點沒鬆落的情形,以歐姆表測量電路之總電阻為66.6歐姆,請問是哪一顆電阻故障?(A) R1(B) R2(C) R3(D) 無故障電阻
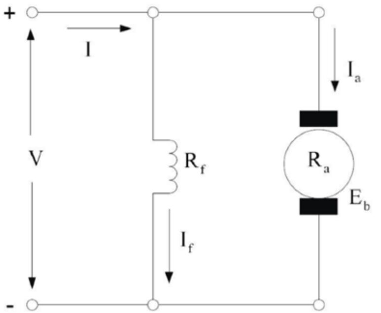
30. 變壓器耦合放大,阻抗完全匹配時,下列敘述何者正確?(A) 功率放大最小(B) 電壓放大最大(C) 電流放大最大(D) 功率放大最大
31. NPN型BJT電晶體作放大器使用時,則電晶體的基極電壓必須呈現何種現象?(A) 0 V(B) 較集極為正(C) 較射極為正(D) 較射極為負
32. 下圖所示為並激式直流電動機接線示意圖,試計算其磁場電流If應為多少安培,其中V為外加端電壓直流24伏, Ra為電樞電阻6Ω,Rf為磁場電阻10Ω,Ia為電樞電流1.5安培,I為負載電流3.9安培,Eb為電動機之反電勢15伏。
(A) 1.0安培(B) 4.0安培(C) 2.4安培(D) 1.5安培
33. 設鉛蓄電池單槽(cell)的電壓為2V,若需要24V的額定電壓以供使用,試問該如何接法?(A) 以12個單槽蓄電池組串聯使用(B) 以12個單槽蓄電池組並聯使用(C) 以24個單槽蓄電池組串聯使用(D) 以24個單槽蓄電池組並聯使用
34. 在特定磁極極數下交流同步電動機之轉速主要受到那個因素影響?(A) 輸入電壓大小(B) 激磁電流大小(C) 相位及相序(D) 電源頻率
35. 三相感應電動機為限制啟動電流,其定子繞組採何種接法?(A) Y直接啟動運轉(B) Y直接啟動運轉(C) Δ啟動Y運轉(D) Y啟動Δ運轉
36. 鉛蓄電池出現極板硫化,要進行過充電。過充電是指:(A) 充電初期,採用大電流進行充電(B) 充電初期,採用小電流進行充電(C) 正常充電結束後,再用大電流進行間歇式的充電、停止充電之程序(D) 正常充電結束後,再用小電流進行間歇式的充電、停止充電之程序
37. 二進制數 110101(2),其所對應的十進制數為:(A) 35(B) 53(C) 65(D) 106
38. 有關交流電動機之逆相制動方法,下列敘述何者錯誤?(A) 將定子繞組的其中任兩相繞組交換,使旋轉磁場與原方向相反(B) 與原旋轉方向相反之瞬間轉矩,對於轉軸會產生扭矩衝擊(C) 適用於重型負載(D) 操作時間不宜過長
39. 以二極體做為整流之元件,單相半波、單相全波與單相橋式整流電路所需二極體的數量各為下列何者?(A) 1、2、4(B) 1、3、6(C) 2、3、6(D) 2、4、8
40. 當同步交流發電機運轉負荷變動時,其阻尼繞組有何作用?(A) 防止自激現象(B) 減少電樞反應(C) 防止轉子追逐震盪(D) 防止起動電流過大