所屬科目:教甄◆電子科/資訊科/電機科/冷凍空調科/控制科/電機空調科
1.如圖 1 所示,若電路之功率因數為 1 及消耗的平均功率為 50W,則電路的品質因數為何?(A) 0.5 (B) 1 (C) 2 (D) 50
2.一導體在 20℃時其電阻值為 20Ω,電阻溫度係數為。若在某一溫度 T 下,該導體接上 6V 電池後顯示通過的電流為 200mA,則溫度 T 為何? (A) 30℃ (B) 40℃ (C) 50℃ (D) 60℃
4.圖 2 所示為疊接放大電路之總電壓增益為何?(已知歐力電壓=∞) (A)-2 (B)-4 (C)-6 (D)-8
5.若圖 3 所示,反相微分器之R = 5kΩ,C = 4μF,輸入信號Vi(t) = cos314t V,試求輸出V0(t) =? (A)V0(t) = 6.28 sin 314t V (B)V0(t)= 6.28 sin(314t + 90°) V (C)V0(t)= 3.14 cos 314t V (D)V0(t)= 3.14 cos(314t + 90°)V。
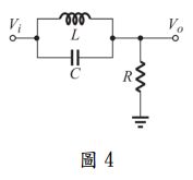
6.如圖 4 所示電路為何? (A) 高通濾波器 (B) 低通濾波器 (C) 帶拒濾波器 (D) 帶通濾波器
7.如圖 5 所示電路,下列敘述何者正確? (A)是 R-S 正反器,且 x=R、y=S (B)是 R-S 正反器,且 x=S、y=R (C)是 J-K 正反器,且 x=J、y=K (D)是 J-K 正反器,且 x=K、y=J
8.圖 6 所示為一狀態圖表,當現在狀態為 00 時,依序輸入 1 及 0 之後,則狀態表中的「下次狀態」與「輸出」邏輯值依序分別為下列何者? (A) 01, 00, 0, 0 (B) 01, 11, 0, 0 (C) 11, 01, 0, 0 (D) 11, 00, 0, 1。
13.以下是關於指標和陣列操作的程式碼。請分析程式的執行結果。 (A) 2 4 6 8 10 (B) 1 2 3 4 5 (C) 2 3 4 5 6 (D) 1 4 9 16 25
二、填充題1.如圖 7 所示為 80x86 系統中記憶體區塊,若暫存器 DS=0001H、BX=0FFFH,執行 MOV AX,01H[BX]命令後,試問暫存器內容 AX =__________。
2.如圖 9 所示電路,A 為理想電壓放大器,其電壓增益為 G(G > 0),若此電路之頻率響應曲線如圖 10所示,試求圖 9 電路中的電阻 R1與 R2分別為多少?
3.設計以 3 個負緣觸發之 JK 正反器及 1 個 AND 閘,實現 CBA 計數 0→1→2→3→4 的循環(模5),繪出電路圖。【10%】 註:C 為 MSB,A 為 LSB。
4.如圖 11 所示,已知流過 1Ω電阻的電流為 5A,則跨於 3Ω電阻兩端的電壓為多少伏特?【6%】