所屬科目:技檢◆重機械修護-引擎-乙級
1. 四行程六缸柴油引擎的著火順序為 153624,當第 3 缸在壓縮行程時,第 4 缸在 (A)排氣 (B)燃燒 (C) 進氣 (D)壓縮
2. 下列敘述何者正確? (A)在靠北公務員社群網站,覺得可受公評且匿名發文,就可以謾罵公務機關 對特定案件的檢查情形 (B)公務機關委託的代檢(代驗)業者,不是公務員,不會觸犯到刑法的罪 責 (C)受公務機關委託辦理案件,除履行採購契約應辦事項外,對於蒐集到的個人資料,也要遵守 相關保護及保密規定 (D)賄賂或不正利益,只限於法定貨幣,給予網路遊戲幣沒有違法的問題。
3. 檢舉人向有偵查權機關或政風機構檢舉貪污瀆職,必須於何時為之始可能給與獎金? (A)犯罪未起訴前 (B)預備犯罪前 (C)犯罪未發覺前 (D)犯罪未遂前
4. 發電機電壓的穩壓由何組件控制 (A)稽納(zener)二極體 (B)激磁穩壓線圈 (C)穩壓串聯電阻 (D)穩壓電晶體組
5. 推土機推土作業時,發生行走偏向現象,其原因係何種機件故障 (A)減速齒輪機 (B)轉向離合器 (C)斜齒輪機構 (D)變速箱離合器
6. 柴油引擎的壓縮比,較汽油引擎高的原因之一為 (A)汽油引擎壓縮比受限制 (B)柴油的潤滑性好 (C)柴油的密封性較良 (D)壓縮行程較長
7. 下列何者不是造成全球暖化的元凶? (A)工廠所排放的廢氣 (B)汽機車排放的廢氣 (C)火力發電廠所排放的廢氣 (D)種植樹木
8. 氣候變遷因應法所稱主管機關,在中央為下列何單位? (A)環境部 (B)衛生福利部 (C)經濟部能源署 (D)國家發展委員會
9. 腕道症候群常發生於下列何種作業? (A)潛水作業 (B)堆高機作業 (C)電腦鍵盤作業 (D)第一種壓力容器作業
10. 毒性物質進入人體的途徑,經由那個途徑影響人體健康最快且中毒效應最高? (A)吸入 (B)眼睛噴濺 (C)食入 (D)皮膚接觸
11. 發電機輸出電流量大小是依據 (A)電壓值大小 (B)電瓶電容量大小 (C)引擎轉速 (D)負載狀況
12. 預熱塞一只損壞時,其他預熱塞仍能作用的接線方式為 (A)沒有裝指示器 (B)複聯式 (C)串聯式 (D)並聯式的預熱電路系統
13. 大型傳動軸皆採用空心型製作,其主要原因是 (A)節省材料 (B)慣性大 (C)受外力不易變形 (D)承受扭力大
14. 下列何者非屬使用合梯,應符合之規定? (A)合梯材質不得有顯著之損傷、腐蝕等 (B)合梯應具有堅固之構造 (C)有安全之防滑梯面 (D)梯腳與地面之角度應在 80 度以上
15. 輪型車輛常用差速器中,A盆型齒輪、B邊齒輪、C後軸、D差速器殼、E差速小齒輪、F差速小齒輪軸,當轉彎時其動力流程順序為 (A)A→ D→F→E→B→C (B)A→B→D→E→F→C (C)A→C→E→F→D→B (D)A→E→F→D→B→C
16. 用三用電表在車上檢查發電機是否充電,應 (A)引擎怠速運轉,量電瓶電壓判定 (B)提高引擎轉速,測量充電電壓 (C)提高引擎轉速,測量電瓶電流 (D)引擎靜止直接測量發電機 B 線接頭與接地間是否導通
17. 二段式導引釋壓閥除靠內部彈簧力平衡外,還靠什麼力輔助? (A)液力 (B)重力 (C)真空力 (D)電力
18. 液壓缸活塞桿移動的速度為每秒 3 吋其活塞面積為 15 平方吋,則輸入液壓油的流量為 (A)45 立方 吋 (B)每秒 45 立方吋 (C)每秒 30 立方吋 (D)30 立方吋
19. 有關小黑蚊敘述下列何者為非? (A)多存在竹林、灌木叢、雜草叢、果園等邊緣地帶等處 (B)小黑蚊的幼蟲以腐植質、青苔和藻類為食 (C)活動時間以中午十二點到下午三點為活動高峰期 (D)無論雄性或雌性皆會吸食哺乳類動物血液
20. 噴油器內部彈簧斷裂,引擎排煙 (A)黑煙 (B)白煙 (C)無色氣體 (D)藍煙
21. 下圖(虛線內)所示是何種閥 (A)釋放閥(relief valve) (B)配衡閥(counterbalance valve) (C)補充閥 (make up valve) (D)慢速回流閥(slow return valve)
22. 依勞動基準法規定,主管機關或檢查機構於接獲勞工申訴事業單位違反本法及其他勞工法令規定後,應為必要之調查,並於幾日內將處理情形,以書面通知勞工? (A)14 (B)20 (C)60 (D)30
23. 輪型重機械輪胎灌裝液體的目的 (A)穩定車身 (B)增加接地面積 (C)增加牽引力 (D)冷卻輪胎
24. 氣壓式煞車系統壓縮空氣必須經過下列那項機件才能通到煞車總泵的氣室(air chamber) (A)限壓閥 (B)安全閥 (C)調壓閥 (D)中繼閥
25. 電氣設備裝設於有潮濕水氣的環境時,最應該優先檢查及確認的措施是? (A)有無可能傾倒及生鏽 (B)有無在線路上裝設漏電斷路器 (C)有無過載及過熱保護設備 (D)電氣設備上有無安全保險絲
26. 台灣電力股份有限公司所謂的三段式時間電價於夏月平日(非週六日)之尖峰用電時段為何? (A)9:00~16:00 (B)6:00~11:00 (C)9:00~24:00 (D)16:00~22:00
27. 液壓系中裝配蓄壓器時,下列何項不是其主要功用 (A)減弱油流的脈動 (B)作為補助油壓或緊急油壓 (C)提高壓力 (D)吸收衝擊壓
28. 液壓油溫度異常上升的可能原因是 (A)黏度太高 (B)液壓油位太高 (C)卸壓閥設定壓力太低 (D)泵轉速太慢
29. 挖掘機的手動安全閥主要功能是 (A)使單向閥保持開啟位置 (B)切斷主泵輸出油路 (C)切斷導引壓力油路 (D)使主釋壓閥保持在開啟位置
30. 氣壓煞車系統中,壓力調整器的功用是 (A)儲氣箱達到設定壓力時,控制卸載閥使空壓機停止運轉 (B)使空壓機排氣閥開啟,洩放超壓氣體 (C)儲氣箱達到設定壓力時,控制卸載閥使空壓機空轉 (D) 排洩儲氣箱超壓之氣體。
31. 小明拿到「垃圾強制分類」的宣導海報,標語寫著「分 3 類,好 OK」,標語中的分 3 類是指家戶日常生活中產生的垃圾可以區分哪三類? (A)一般廢棄物、事業廢棄物、放射性廢棄物 (B)資源垃圾、廚餘、事業廢棄物 (C)資源垃圾、廚餘、一般垃圾 (D)資源垃圾、一般廢棄物、事業廢棄物
32. 起動馬達因扭力大,耗用電流大,故其繞線方式 (A)並繞式 (B)複繞式 (C)環繞式 (D)串繞式
33. 氣壓缸活塞桿的移動速度,若壓力不變欲控制其快慢時可用 (A)轉向控制閥 (B)方向控制閥 (C)快放閥 (D)流量控制閥
34. 公司負責人為了要節省開銷,將員工薪資以高報低來投保全民健保及勞保,是觸犯了刑法上之何種罪刑? (A)背信罪 (B)侵占罪 (C)工商秘密罪 (D)詐欺罪
35. 一個 24V、48W 燈泡,其電阻值為幾歐姆 (A)24Ω (B)48Ω (C)6Ω (D)12Ω
36. 用快速充電機充電時,充電電流及電解液溫度為 (A)充電電流為電瓶電容量的 50~90%,電解液溫度不得超過 55℃ (B)充電電流為電瓶電容量的 25~50%,電解液溫度不得超過 70℃ (C)充電電流為電瓶電容量的 100~150%,電解液溫度不得超過 45℃ (D)沒有規定,只要充滿電就可以
37. 汽門彈簧歪斜可能導致 (A)汽門導管磨損 (B)推桿磨損 (C)搖臂軸磨損 (D)搖臂磨損
38. 高溫作業場所,每日不得超過_____小時。(A)6 (B)10 (C)8 (D)4
39. 電控柴油引擎的共軌噴射式系統,下列敘述何者有誤? (A)共軌式柴油噴射系統將噴射壓力的產生和噴射過程彼此完全分開 (B)是直接利用噴射泵產生的瞬間高壓來推開噴油嘴針閥 (C)共軌噴射式系統包含高壓油泵、共軌油管、噴油器、電控單元(ECU)及一些管路壓力感知器組成 (D)電磁閥控制的噴油器替代了傳統的機械式噴油器
40. 下方圖示測微器(micrometer)量測範圍是 0~1inch,精度 0.001'',其正確讀數是 (A)0.249'' (B)0.224'' (C)0.214'' (D)0.229''
41. 挖掘機挖臂之分路釋壓閥設定壓力與主系統釋壓閥壓力比較 (A)兩者一樣高 (B)主釋壓閥壓力較高 (C)兩者無關 (D)分路釋壓閥壓力較高
42. 挖掘機行走液壓馬達速度切換係依_______控制。(A)引擎轉速 (B)斜板角度 (C)釋放閥 (D)操作桿
43. 柴油引擎的渦輪增壓器(turbocharger)的動力源是 (A)風扇皮帶 (B)馬達 (C)排氣 (D)進氣
44. 以下那一項員工的作為符合敬業精神? (A)利用正常工作時間從事私人事務 (B)謹守職場紀律及禮節,尊重客戶隱私 (C)運用雇主的資源,從事個人工作 (D)未經雇主同意擅離工作崗位
45. 挖掘機挖斗液壓缸的直徑為 120mm,桿徑為 60mm;在相同油流壓力下,其液壓缸挖掘與傾倒時作用力比是 (A)4:1 (B)2:1 (C)4:3 (D)1:2
46. 「M12-1.25×25」螺絲,其「1.25」係指 (A)螺絲長度 (B)螺絲直徑 (C)螺牙距離 (D)螺絲頭厚度
47. 中心關節轉向其中心關節自位軸承磨損轉向時,會造成 (A)無法回位 (B)無法轉向 (C)車身扭曲 (D)側滑
48. 製造非持續性但卻妨害安寧之聲音者,由下列何單位依法進行處理? (A)消防局 (B)環保局 (C)社會局 (D)警察局
49. 四行程八缸的柴油引擎,其噴油間隔相當於噴射泵凸輪軸轉 (A)45° (B)60° (C)180° (D)90°
50. 輪型裝載機踩下寸動(微動)踏板時 (A)變速箱自動排入空檔 (B)引擎降為怠速 (C)變速箱系統油路中斷 (D)主離合器分離
51. 如果水龍頭流量過大,下列何種處理方式是錯誤的? (A)加裝節水墊片或起波器 (B)加裝可自動關閉水龍頭的自動感應器 (C)直接換裝沒有省水標章的水龍頭 (D)直接調整水龍頭到適當水量
52. 裝在曲軸前端減震器(vibration damper)的主要功能 (A)抵消各缸在動力行程所產生之震動 (B)平衡曲軸重量 (C)提高引擎燃燒效率 (D)消除飛輪旋轉之離心力
53. 鋼索一撚間素線截斷條數不可超過 (A)15% (B)10% (C)7% (D)5%
54. 在常溫的狀況下,12V 的電瓶充滿電時,使用三用電表測其電瓶電壓應為 (A)10.5V 以下 (B)14V 或 以上 (C)12.5V~13V (D)10.5V~12V
55. AFC(Air Fuel Control)控制調速器是利用何者控制 (A)增壓器前的進氣壓力 (B)增壓器後的進氣壓力 (C)排氣壓力 (D)空壓機壓力
56. 工廠油類火災不得使用 (A)乾粉滅火器 (B)氣體滅火器 (C)泡沫滅火器 (D)水滅火器
57. 直列式噴射泵的調速器主要是控制 (A)噴油壓力 (B)噴油量 (C)噴油正時 (D)噴油間隔
58. 10.00-20-14PR 的輪胎其中"20"表示 (A)線層數 (B)輪胎的直徑 (C)鋼圈的直徑 (D)輪胎的橫寬
59. 那一種燃燒室在燃燒後較易產生氮氧化物 (A)渦動式 (B)直接噴射室式 (C)預燃式 (D)間接噴射室式
60. 液壓系統中壓力控制閥,主要功用在決定 (A)力的大小 (B)力的方向 (C)力的速度 (D)力的距離
61. 維修從業人員從事業務招攬時,下列何者為正確 (A)態度應誠懇實在 (B)爲達業績,不擇手段 (C)應加強服務 (D)應主動推銷
62. 在生質柴油燃料中常見的污染物有那些 (A)水 (B)硫 (C)污垢和鐵鏽 (D)微生物
63. 何者為挖掘機的回油油流路線的正確順序 (A)旋轉馬達→控制閥→油冷卻器→液壓油箱 (B)行走馬 達→中心油管連接器→控制閥→液壓油箱 (C)行走馬達→油冷卻器→控制閥→液壓油箱 (D)液壓缸 →回油濾清器→控制閥→液壓油箱
64. 柴油引擎逆轉時如何處置 (A)切斷燃油油路 (B)拆解電瓶線 (C)扳動噴射泵的熄火桿 (D)遮住空氣濾清器的進氣口
65. 有關於蓄壓器(accumulator )的敘述是正確 (A)可用於存儲液壓能 (B)通常位於液壓油供給管路 (C)也可充當系統中緩衝器使用 (D)通常位於內漏(drain)管路
66. 使用轉向計量閥的輪型機具轉向困難可能原因 (A)液壓壓力過高 (B)轉向液壓缸內漏 (C)轉向計量閥損壞 (D)液壓泵磨損
67. 下列何者正確 (A)配衡閥屬於壓力控制閥的一種 (B)液壓油箱具有分離油中的氣泡和懸浮粒子的功能 (C)順序閥(sequence valve)是屬於方向控制閥的一種 (D)止回閥(check valve)是方向閥的一種
68. 下列那個選項是正確的 (A)每個分電池正極板較負極板多一片 (B)每一個分電池正極板 7 片負極板 8 片 (C)正極板的活性物為四氧化鉛(Pb3O4) (D)負極板氧化鉛(PbO)
69. 有關於發電機下列敘述何者是正確 (A)輸出電壓的大小是由調節器所控制 (B)引擎轉速越高,輸出電壓越大 (C)激磁電流越高,輸出電壓越大 (D)交流發電機所輸出的電流在經過整流粒後,由交流電變為直流電
70. 對於單後軸的卡車,以下敘述何者正確 (A)以片狀彈簧置於後輪軸上,稱為軸上懸吊式 (B)片狀彈簧的中心螺絲斷裂不影響行車安全 (C)片狀彈簧前端以吊架固定於車架上 (D)片狀彈簧以吊耳將彈簧與車架聯結,使彈簧受力時自由伸縮產生彈力
71. 挖掘機為求作業時機身之穩定宜採用 (A)與機具等級相配合之挖斗 (B)長挖臂 (C)短挖臂 (D)加長履帶
72. 下列何者正確 (A)行星齒輪系中將環齒輪固定若太陽齒輪為主動,行星齒輪架為被動,則行星齒輪自轉且公轉 (B)乾式離合器若加機油,可以使其增高驅動能量並提高冷卻效果 (C)分節式鏈輪齒塊 (segmented sprockets)更換時,可以不用分解履帶 (D)履帶工程機械全車的重量主要是由鏈輪來支撐
73. 配備渦輪增壓器的柴油引擎,如果壓縮側漏油,引擎發動後導致 (A)排藍煙 (B)消耗柴油 (C)消耗機油 (D)馬力降低
74. 噴油器與氣門座圈之間出現裂紋,其可能的故障原因與下列何者有關? (A)氣門間隙過大 (B)噴油器安裝不良 (C)引擎過熱 (D)冷起動不正確
75. 造成引擎冷卻液消耗量異常的原因是 (A)引擎出現故障引起機體過熱 (B)引擎的渦輪增壓器損壞 (C)機體出現裂紋,冷卻液外溢 (D)修理引擎時,氣缸蓋螺栓未鎖緊
76. 下面敘述故障診斷時,推測液壓設備故障的原因,下面敘述何種正確 (A)液壓油的不足,會導致油壓缸的自然移動下降 (B)主釋壓閥(relief valve)設定下降,會導致前臂液壓缸的液壓力降低 (C)當空氣混合在致動器(actuator)內,會使致動器的動作不順暢 (D)油泵的內部磨損,會造成致動器 (actuator)的操作緩慢
77. 下列何者不是柴油引擎發生爆震的原因 (A)引擎壓縮壓力過高 (B)燃料噴射量過多 (C)引擎進氣溫度過低 (D)引擎轉速過高
78. 下列何者正確 (A)履帶工程機械的行駛,是靠惰輪的驅動 (B)扭力變換器裝在引擎的飛輪殼內 (C)履帶工程機械的末級傳動系,其目的是在減低車速,增加扭力 (D)履帶工程機械其左右兩履帶中心距離稱軌距
79. 下列何者屬於電控高壓柴油噴射系統 (A)位置控制式電控柴油噴射系統 (B)時間控制式電控柴油噴射系統 (C)PT 泵燃油噴射系統 (D)高壓共軌燃油噴射系統
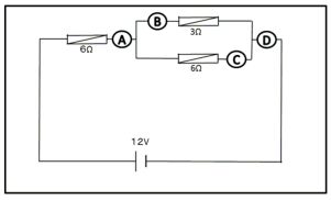
80. 在下圖各點對電池負極的電壓值何者正確 (A)B 點 3V (B)D 點 0V (C)C 點 3V (D)A 點 6V