阿摩線上測驗
登入
首頁
>
技檢◆重機械修護-引擎-乙級
> 114年 - 02702 重機械修護(引擎) 乙級 工作項目 02:電控系 51-96(2025/10/15 更新)#132239
114年 - 02702 重機械修護(引擎) 乙級 工作項目 02:電控系 51-96(2025/10/15 更新)#132239
科目:
技檢◆重機械修護-引擎-乙級 |
年份:
114年 |
選擇題數:
46 |
申論題數:
0
試卷資訊
所屬科目:
技檢◆重機械修護-引擎-乙級
選擇題 (46)
51. 喇叭按鈕未按下,但喇叭一直響不停,正確處理方法是先 (A)拆開繼電器B 線頭 (B)拆開繼電器 S 線頭 (C)拆開繼電器 H 線頭 (D)拆開繼電器 E 線頭 。
52. 下列敘述那一項與電瓶壽命無關 (A)電容量 (B)溫度 (C)電解液 (D)充放電狀況 。
53. 當冷氣系統充填冷媒之前,必須抽真空的目的是 (A)增加冷媒充填量 (B)防止系統內水份殘留 (C)防止冷凍油流失 (D)低壓充填安全性高 。
54. 發電機輸出電流量大小是依據 (A)引擎轉速 (B)負載狀況 (C)電壓值大小 (D)電瓶電容量大小 。
55. 重機械引擎用的交流發電機整流方式是 (A)單相全波整流 (B)三相半波整流(C)單相半波整流 (D)三相全波整流 。
56. 起動馬達的耗電量太大,除引擎之故障外,其最大原因是 (A)電瓶的電量不足 (B)電線搭鐵或火線接觸不良 (C)馬達銅套軸承損壞或本身故障 (D)飛輪環齒損壞 。
57. 電子式油門旋鈕是在改變電路中 (A)電壓 (B)電阻 (C)電流 (D)電容 。
58. 機具上的電氣系經常燒壞,其原因是 (A)電瓶電壓過高 (B)發電機電壓過高(C)電瓶電阻太大 (D)發電機電阻過大 。
59. 使用指針式儀表屬於何種型式 (A)數位式 (B)類比式 (C)邏輯式 (D)光電式 。
60. 測量電瓶比重若比重低於 1.280 應 (A)填加硫酸 (B)填加蒸餾水 (C)充電 (D)填加電瓶液 。
61. 冷氣系統中位於蒸發器前溫度感熱器是控制 (A)蒸發器風扇轉速 (B)壓縮機上電磁離合器 (C)膨脹閥節流口大小 (D)壓縮機轉速快慢 。
62. 24V 電氣系統測得充電電壓為 27V,顯示 (A)正常 (B)電壓太高,調整器損壞 (C)電壓太高,整流粒損壞 (D)電瓶老化或搭鐵不良 。
63. 起動馬達因扭力大,耗用電流大,故其繞線方式 (A)環繞式 (B)串繞式 (C)並繞式 (D)複繞式 。
64. 車上電路常用保險絲有片狀與管狀二種,在相同標示時 (A)片狀保險絲耐較高電壓 (B)管狀保險絲耐較高電流 (C)管狀保險絲耐較高電壓且耐高溫 (D)兩者耐電流相同 。
65. 電磁式閃光器方向燈,閃光速度變快的原因? (A)閃光器接點黏滯 (B)電壓太低 (C)閃光器 L 線短路 (D)方向燈泡燒壞 。
66. 柴油引擎預熱塞若是串聯式,其每只的電壓降應是 (A)1.7~2.0V (B)3~5V(C)6~9V (D)10~12V 。
67. 下方油表電路圖,指針指向 E 處可能故障在
(A)A 接點不良 (B)B 搭鐵不良(C)C 短路 (D)D 斷路 。
68. 使用輔助電瓶協助起動時,正確且安全的接線方法是(A)
(B)
(C)
(D)
。
69. 下圖電熱偶式燃油箱已空指針指在 F 處可能是
(A)A 處短路 (B)B 處短路 (C)C 處短路 (D)D 處短路 。
70. 下圖引擎未發動(低溫)時,打開鑰匙開關,水溫表指示 H 處表示
(A)A線短路 (B)B 線短路 (C)C 熱敏電阻斷路 (D)D 處搭鐵不良 。
71. 預熱塞一只損壞時,其他預熱塞仍能作用的接線方式為 (A)串聯式 (B)並聯式 (C)複聯式 (D)沒有裝指示器 的預熱電路系統。
72. 正確計算電功率的公式(P:電功率 E:電壓 I:電流 R:電阻) (A)E=IR(B)P=IE (C)E=IP (D)I=PE 。
73. 如圖所示示波器顯示之波形,可能為何種感知器所產生
(A)霍爾感應式車速感知器 (B)磁感應式曲軸位置感知器 (C)熱線式空氣計量器感知器 (D)節氣門位置感知器 。
74. 如圖所示引串聯式預熱電路檢修作業,測試 A 燈亮,再測試 B 點時,測試燈不亮,請問此預熱系統的工作情况為何?
(A)四支預熱塞均無法正常作用 (B)只有第 1 支熱塞有作用 (C)只有第 2 支熱塞有作用 (D)只有第 3 支預熱有作用 。
75. 六缸柴油引擎之並聯式預熱系統,2 個 12V 電瓶串聯使用,預熱塞每個之電阻為 3 歐姆,則其預熱塞之電流為 (A)6A (B)2A (C)10A (D)8A 。
76. 發電機之磁場線圈是與 (A)電樞線圈並聯 (B)電樞線圈串聯 (C)電壓調節器線圈並聯 (D)電流調節器線圈串聯 。
77. 電控引擎中 ECM(Engine Control Module)的主要之作用是? (A)收集引擎工作資訊 (B)定時定量的往汽缸內噴油 (C)處理資訊,發出驅動執行器工作的命令 (D)使引擎完全按照操作員要求工作 。
78. 冷卻液溫度感知器能為 ECM(Engine Control Module)提供的資訊,下列說法何者不正確? (A)為風扇工作提供參考資訊 (B)影響引擎噴油正時 (C)儀表上出現高水溫警報 (D)影響空調工作 。
79. CAN(Controller Area Network)通訊連接,其終端電阻為若干?安裝於CAN H 線路與 CAN L 線路之間的連接方式為何? (A)60Ω串聯 (B)60Ω並聯 (C)120Ω串聯 (D)120Ω並聯 。
80. 對於串聯電路,下列敘述何者有誤? (A)各元件的電流相等 (B)各元件的電壓之和等於電源電壓 (C)總電阻等於各元件的電阻之和 (D)各元件的消耗功率相等 。
81. 數位式三用電錶無法測量下列哪一項? (A)直流電壓 (B)二極體 (C)交流電流(D)電阻 。
82. 有關數位式三用電錶的使用方法,下列何者錯誤? (A)量測引擎電瓶電壓時,應將三用電錶切換至電壓檔位 (B)三用電錶內 0.5A 之保險絲燒斷時,將無法進行電壓檔位的量測 (C)量測電晶體時,應將三用電錶切換至「二極體」檔位 (D)量測線路電流時,電錶應與線路串聯連結 。
複選題
83. 下列那項敘述是正確的 (A)正極樁頭直徑 11/16 英吋 (B)正常的電瓶電瓶液比重為 1.280 (C)負極樁頭直徑 5/8 英吋 (D)每一個分電池正極板 8 片負極板8 片 。
複選題
84. 下列那個選項是正確的 (A)正極板的活性物為四氧化鉛(Pb
3
O
4
) (B)負極板氧化鉛(PbO) (C)每個分電池正極板較負極板多一片 (D)每一個分電池正極板 7片負極板 8 片 。
複選題
85. 啟動馬達的轉速慢可能因素是 (A)電瓶電量不足 (B)電樞軸前、中、後銅套太緊 (C)碳刷磨損彈力不足 (D)整流器損壞 。
複選題
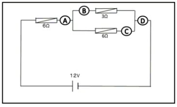
86. 如下圖在使用有 5Ω電阻和電阻值不詳的 R
1
、R
2
的電路中,電流表 A
1
顯示的電流值為 500mA,電流表 A
2
顯示的電流值為 100mA,計算值如下
(A)流過 5Ω的電流為 400mA (B)R
2
的電壓為 3V (C)R
1
的電壓為 4V (D)R
2
的電阻為 20Ω 。
複選題
87. 在起動引擎過程中,若只聽見起動馬達旋轉聲,卻無法起動引擎,可能的故障原因是 (A)液壓油不足 (B)蓄電池電量不足 (C)柴油不足 (D)機油壓力不足 。
複選題
88. 有關蓄電池的描述中,錯誤的是 (A)挖掘機上有兩組並聯安裝的蓄電池 (B)蓄電池電解液的比重為 1.28 (C)蓄電池液面下降時,要添加礦泉水 (D)蓄電池是一直向動力機械提供電能的元件 。
複選題
89. 關於交流發電機,下列說法正確的是 (A)若激磁電流越大,交流發電機輸出電壓不變 (B)發電機轉速越高,輸出電壓越低 (C)輸出電壓的高低受到調節器的限制 (D)交流發電機輸出的交流電經過整流電路後變為直流電 。
複選題
90. 當在進行機械修理電線束,下列何種指導是正確 (A)當重新接線時,選擇在電氣迴路圖上所提規格的修理電線 (B)不需要使用焊錫進行連接固定,只需要纏卷電線和使用膠帶絕緣包裹即可 (C)接頭的橡膠部份是為了鎖定目的用 (D)當更換或修理接頭時,應使用特殊工具 。
複選題
91. 以下何者是拆裝電樁頭的正確程序 (A)先拆正極(+)端 (B)先拆負極(-)端 (C)先裝正極(+)端 (D)使用最簡單的方法來拆裝 。
複選題
92. 在下圖各點對電池負極的電壓值何者正確
(A)A 點 6V (B)B 點 3V (C)C 點 3V(D)D 點 0V 。
複選題
93. 如下電路圖所示,下列敘述何者正確的
(A)介於電池繼電器和電池的連接導線是紅色 (B)介於電池繼電器和電池的連接導線的截面積是 60mm² (C)“M4”表示在這零件的連接螺絲的規格 (D)電池繼電器的安裝位置是在起動馬達後 。
複選題
94. 電線束使用的顏色識別標誌,選擇正確的顏色表示 (A)W:白 / L:黑 / G:灰 /Y:黃 / B:藍 (B)W:白 / L:藍 / G:綠 / Y:黃 B:黑 (C)Br:棕 / Gr:灰 / W:白 / L:藍 / G:綠 (D)W:白 / L:藍 / G:灰 / Br:棕 / Gr:綠 。
複選題
95. 有關於發電機下列敘述何者是正確 (A)激磁電流越高,輸出電壓越大 (B)引擎轉速越高,輸出電壓越大 (C)輸出電壓的大小是由調節器所控制 (D)交流發電機所輸出的電流在經過整流粒後,由交流電變為直流電 。
複選題
96. 在鑰匙開關於 ACC 位置時,下列何者電氣零件有作用 (A)倒車警報器 (B)點煙器 (C)駕駛室燈 (D)收音機 。
申論題 (0)
相關試卷
114年 - 02702 重機械修護(引擎) 乙級 工作項目 05:氣壓系、煞車系、轉向系 1-62(2025/10/15 更新)#132246
114年 · #132246
114年 - 02702 重機械修護(引擎) 乙級 工作項目 04:傳動系、承載系、安全衛生 101-140(2025/10/15 更新)#132245
114年 · #132245
114年 - 02702 重機械修護(引擎) 乙級 工作項目 04:傳動系、承載系、安全衛生 51-100(2025/10/15 更新)#132244
114年 · #132244
114年 - 02702 重機械修護(引擎) 乙級 工作項目 04:傳動系、承載系、安全衛生 1-50(2025/10/15 更新)#132243
114年 · #132243
114年 - 02702 重機械修護(引擎) 乙級 工作項目 03:液壓系 101-144(2025/10/15 更新)#132242
114年 · #132242
114年 - 02702 重機械修護(引擎) 乙級 工作項目 03:液壓系 51-100(2025/10/15 更新)#132241
114年 · #132241
114年 - 02702 重機械修護(引擎) 乙級 工作項目 03:液壓系 1-50(2025/10/15 更新)#132240
114年 · #132240
114年 - 02702 重機械修護(引擎) 乙級 工作項目 02:電控系 1-50(2025/10/15 更新)#132238
114年 · #132238
114年 - 02702 重機械修護(引擎) 乙級 工作項目 01:引擎系 151-176(2025/10/15 更新)#132237
114年 · #132237
114年 - 02702 重機械修護(引擎) 乙級 工作項目 01:引擎系 101-150(2025/10/15 更新)#132236
114年 · #132236