所屬科目:技檢◆配電線路裝修-甲級
1. 純電阻性負載之特性為 (A)電壓超前電流相位 30° (B)電流超前電壓相位 90° (C)電壓超前電流相位90° (D)電流與電壓同相位。
2. 台灣電力公司新高壓電纜裝妥送電前應辦理 (A)核驗試驗 (B)維護試驗 (C)出廠試驗 (D)裝置試驗。
3. 「勞工腦心血管疾病發病的風險與年齡、吸菸、總膽固醇數值、家族病史、生活型態、心臟方面疾病」之相關性為何? (A)負 (B)正 (C)可正可負 (D)無。
4. 電流由電源出發,沿線路不經負載直接回歸電源處,謂之 (A)開路 (B)過載 (C)閉路 (D)短路。
5. 依據台灣電力公司「架空配電線路施工」,架空接戶線使用接戶電纜裝置方式,適用於線徑
______以下。(A)60mm² (B)5mm² (C)22mm² (D)38mm²
6. 依環境影響評估法規定,第二階段環境影響評估,目的事業主管機關應舉行下列何種會議? (A)公聽會 (B)辯論會 (C)說明會 (D)聽證會。
7. 活線作業使用活線跳線夾應 (A)兩端同時掛 (B)先掛電源 (C)任一端先掛 (D)先掛負載 並應立即旋緊。
8. 依據「輸配電設備裝置規則」,供電管路與通訊管路如用夯實泥土相隔者,其隔距不得小於 (A)10公分 (B)20 公分 (C)40 公分 (D)30 公分。
9. 依據台灣電力公司「架空配電線路施工」,變壓器二次側單相三線之中性線引接線應使用 ______條獨立導線接於低壓線不同位置。(A)4(B)2 (C)3 (D)1
10. 直線管路中使用拉線眼組拖拉 3 條 1/C 25kV 500MCM 交連 PE 電纜,最多約能拖拉幾公尺?(A)526 公尺 (B)826 公尺 (C)626 公尺 (D)726 公尺。
11. 小吳是公司的專用司機,為了能夠隨時用車,經過公司同意,每晚都將公司的車開回家,然而,他發現反正每天上班路線,都要經過女兒學校,就順便載女兒上學,請問可以嗎? (A)不可以,這是公司的車不能私用 (B)可以,要資源須有效使用 (C)可以,反正順路 (D)可以,只要不被公司發現即可。
12. 某戶裝設 100W 白熾燈 5 具、2kW 電熱器 2 具及 1 馬力單相馬達 2 具,已知其最大需量為 4kW,則該戶之需量因數約為 (A)160% (B)63% (C)67% (D)150%。
13. 依據「輸配電設備裝置規則」,架空配電線路與鐵路軌道平行時,距最近軌道上方 6.7 公尺以下範圍,配電線路所有設備與軌道之水平間隔不得小於 (A)4.6 公尺 (B)3.6 公尺 (C)5.2 公尺 (D)4.2 公尺。
14. 一 110 伏特、60 赫茲單相電源之電路,接入由電阻與電容並聯組成之負載,測得負載電流 10 安培及 550 瓦特之功率,則此負載電流與電壓之關係為 (A)電流超前電壓 30° (B)電流超前電壓 60° (C)電流滯後電壓 60° (D)電流滯後電壓 30°。
15. 廚房設置之排油煙機為下列何者? (A)排氣煙囪 (B)吹吸型換氣裝置 (C)整體換氣裝置 (D)局部排氣裝置。
16. 1.2×50μS 代表 (A)短路容量波形 (B)衝擊電壓波形 (C)干擾電波波形 (D)瞬時電流波形。
17. 依據「輸配電設備裝置規則」,下列何者適用做進出人孔之爬登裝置? (A)電纜固定架 (B)電纜 (C)吊架 (D)梯子。
18. 進行活線移線作業時,橡皮線管經連接妥後,其線管溝口應調整朝向 (A)沒有限制 (B)側面 (C)下方(D)上方。
19. 直線管路中使用拉線眼組拖拉 3 條 1/C 25kV 500MCM 交連 PE 電纜,該電纜允許之最大張力約為(A)7400 公斤 (B)8400 公斤 (C)6400 公斤 (D)5400 公斤。
20. 高壓配電線路之區分器,其動作係隨其電源側之何種設備而動作? (A)變壓器 (B)電壓調整器 (C)分段開關 (D)復閉器。
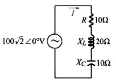
21. 受電電壓為三相 11.4kV,契約容量為 1,000kW,功率因數為 1 之高壓用戶,裝設附變比器電表以計量電度時,其最適當之比流器額定為 (A)800/5A (B)400/5A (C)50/5A (D)200/5A。
22. 如下圖所示 RLC 串聯電路,下列敘述何者正確?
(A)電流均方根值 I=5A (B)功率因數 PF=0.5 (C)平均功率 P=1000W (D)視在功率 S=1000VA。
23. 電容器容量(KVAR)與電壓成 (A)平方反比 (B)正比 (C)反比 (D)平方正比。
24. 依據台灣電力公司「地下配電線路施工」,管路之彎曲半徑不得小於電纜直徑之 (A)18 倍 (B)8 倍(C)15 倍 (D)12 倍。
25. 都市中常產生的「熱島效應」會造成何種影響? (A)空氣污染物不易擴散 (B)增加降雨 (C)空氣污染物易擴散 (D)溫度降低。
26. 依據台灣電力公司「架空配電線路施工」建桿工作,下列何者錯誤? (A)轉彎桿之電桿頂端在腳木相反方向傾斜一桿梢外徑寬 (B)緩坡路面直路線路之電桿應與地面約垂直 (C)終端桿之電桿頂端在腳木相反方向傾斜一桿梢外徑寬 (D)木桿建於轉彎處所腹部應朝向線路張力之反側。
27. 依據「輸配電設備裝置規則」,供電電纜引出地面上 ______公尺內,應予以機械保護。(A)2.45 (B)3.00 (C)2.50 (D)3.50
28. 勞工在何種情況下,雇主得不經預告終止勞動契約? (A)非連續曠工但 1 個月內累計達 3 日以上者(B)確定被法院判刑 6 個月以內並諭知緩刑超過 1 年以上者 (C)不服指揮對雇主暴力相向者 (D)經常遲到早退者。
29. 一交流三相 11.4kV 配電線路之負載為 800kW,每線之電流均為 50 安培時,該負載之功率因數為(A)100% (B)60% (C)90% (D)80%。
30. 依據「輸配電設備裝置規則」高壓交流供電系統接地點之規定,下列何者錯誤? (A)有絕緣外皮之電纜,儘量在被覆與系統接地之間另施作搭接及接地連接 (B)有絕緣外皮之電纜,儘量在電纜之絕緣遮蔽層與系統接地之間另施作搭接及接地連接 (C)無絕緣外皮之電纜,應在電源變壓器中性點及電纜終端點施作接地連接 (D)地下電纜與架空導線連接處裝有避雷器者,電纜遮蔽層之接地不得搭接至避雷器之接地上。
31. 一 6,600/110 伏特之變壓器,當分接頭置於 6,900 伏特位置時,測得二次側電壓為 105 伏特,欲將二次側電壓調高為 115 伏特時,一次分接頭應改置於______之位置。 (A)6,300 伏特 (B)6,000 伏特 (C)6,900 伏特(D)6,600 伏特
32. 依據「輸配電設備裝置規則」,低壓架空接戶線之線徑應依用戶接供附載所計算之負載電流選定,且導線應具足夠之機械強度,其鋁導線最小線徑為 (A)8mm2 (B)22mm2 (C)5.5mm2 (D)14mm2。
33. 依據台灣電力公司「架空配電線路施工」建桿工作,下列何者正確? (A)終端桿埋入深度較直線桿加 0.15 公尺 (B)腳木埋入深度為 1/3 電桿埋入深度 (C)泥地埋入深度較普通土質加 0.2 公尺 (D)石塊地埋入深度較普通土質減 0.3 公尺。
34. 依據台灣電力公司「架空配電線路施工」,高壓架空接戶線線徑不得小於 (A)8 平方公厘 (B)22 平方公厘 (C)14 平方公厘 (D)38 平方公厘。
35. 下列何者不是變壓器的試驗項目之一 (A)衝擊電流試驗 (B)溫升試驗 (C)開路試驗 (D)衝擊電壓試驗。
36. 照明控制可以達到節能與省電費的好處,下列何種方法最適合一般住宅社區兼顧節能、經濟性與實際照明需求? (A)全面調低照明需求 (B)加裝 DALI 全自動控制系統 (C)晚上關閉所有公共區域的照明 (D)走廊與地下停車場選用紅外線感應控制電燈。
37. 大多數的吸菸者都嘗試過戒菸,但是很少自己戒菸成功。吸菸的同事要戒菸,怎樣建議他是無效的? (A)建議他參加醫院或衛生所辦理的戒菸班 (B)戒菸是自己意願的問題,想戒就可以戒了不用尋求協助 (C)建議他到醫療院所、社區藥局找藥物戒菸 (D)鼓勵他撥打戒菸專線 0800-63-63-63,取得相關建議與協助。
38. 依據「輸配電設備裝置規則」對「電壓」用詞之定義,下列何者錯誤? (A)指導線與大地間電位差之有效值 (B)指任何二導線間電位差之等效值 (C)指任何二導線間電位差之均方根值 (D)指導線與大地間電位差之均方根值。
39. 依據「輸配電設備裝置規則」, 3ψ4W 11.4kV 屋外配電線路絕緣礙子之乾閃絡電壓額定值為(A)45 kV (B)69 kV (C)90kV1 (D)39 kV。
40. 依據「輸配電設備裝置規則」,3ψ4W 11.4kV 多重接地系統線路中,各接地導線之連續電流總安培容量,不得小於中性線總安培容量之 (A)1/4 (B)1/5 (C)1/3 (D)1/6。
41. 一旦大氣中的二氧化碳含量增加,會引起那一種後果? (A)海平面下降 (B)臭氧層破洞 (C)溫室效應惡化 (D)冰期來臨。
42. 依據「輸配電設備裝置規則」, 3∮4W 11.4 kV 配電線路所裝設之水平支線與人員可輕易進入之陽台,其水平間隔不得低於 (A)0.9 公尺 (B)2.0 公尺 (C)1.5 公尺 (D)1.2 公尺。
43. 從事活線作業為免觸及活線,工作者出力時以 ______為原則。(A)輕力 (B)逆力 (C)衝力 (D)順力
44. 洗菜水、洗碗水、洗衣水、洗澡水等的清洗水,不可直接利用來做什麼用途? (A)飲用水 (B)沖馬桶 (C)澆花 (D)洗地板。
45. 某戶裝設 100W 白熾燈 5 具、2kW 電熱器 2 具及 1 馬力單相馬達 2 具,若已知其最大需量為4kW,則該戶之需量因數約為 (A)67% (B)160% (C)150% (D)63%。
46. 桿上活線掩蔽作業時,工作者站立位置以 (A)肩部與活線平高 (B)頭部略高於活線 (C)頭部與活線平高 (D)頭部不高於活線 為宜。
47. 一 RLC 串聯電路,R=100Ω、L=0.1H、C=100μF,則諧振頻率為 (A)200 Hz (B)100 Hz (C)150 Hz(D)50 Hz。
48. 下列何者有誤? (A)在網路或 Line 社群網站收到假訊息,可以敘明案情並附加截圖檔,向法務部調查局檢舉 (B)對新聞媒體報導有意見,向國家通訊傳播委員會申訴 (C)憲法保障言論自由,但散布假新聞、假消息仍須面對法律責任 (D)自己或他人捏造、扭曲、竄改或虛構的訊息,只要一小部分能證明是真的,就不會構成假訊息。
49. 純電容性負載之特性為 (A)電流超前電壓相位 90° (B)電流與電壓同相位 (C)電壓超前電流相位 30° (D)電壓超前電流相位 90°。
50. 為解決環境保護與經濟發展的衝突與矛盾,1992 年聯合國環境發展大會(UN Conference onEnvironment and Development, UNCED)制定通過: (A)日內瓦公約 (B)京都議定書 (C)蒙特婁公約(D)21 世紀議程。
51. 若發生瓦斯外洩之情形,下列處理方法中錯誤的是? (A)在漏氣止住前,應保持警戒,嚴禁煙火(B)緩慢地打開門窗,讓瓦斯自然飄散 (C)應先關閉瓦斯爐或熱水器等開關 (D)開啟電風扇,加強空氣流動。
52. 在何種情形下,禁止輸入事業廢棄物:
A.對國內廢棄物處理有妨礙;B.可直接固化處理、掩埋、焚化或海拋;C.於國內無法妥善清理? (A)僅 C (B)僅 A (C)ABC (D)僅 B。
53. 將 15Ω 電阻和 50μF 電容並聯後,接於角速度 1000 rad/sec、電壓 80∠0°V 之電源,則其電抗功率為 (A)320 VAR (B)960 VAR (C)160 VAR (D)640 VAR。
54. 雇主於臨時用電設備加裝漏電斷路器,可減少下列何種災害發生? (A)被撞 (B)感電 (C)物體倒塌、崩塌 (D)墜落。
55. 下列敘述何者正確? (A)公務機關委託的代檢(代驗)業者,不是公務員,不會觸犯到刑法的罪責(B)在靠北公務員社群網站,覺得可受公評且匿名發文,就可以謾罵公務機關對特定案件的檢查情形 (C)受公務機關委託辦理案件,除履行採購契約應辦事項外,對於蒐集到的個人資料,也要遵守相關保護及保密規定 (D)賄賂或不正利益,只限於法定貨幣,給予網路遊戲幣沒有違法的問題。
56. 活線作業開始之前,應先聯絡相關值班人員將所屬饋線之斷路器復閉電驛開關閉鎖,以防斷路器(A)自動復閉 (B)不跳脫 (C)不斷電 (D)不送電。
57. 依據「輸配電設備裝置規則」,未被有效接地之電路,其「高壓」之電壓範圍為 (A)線間電壓超過750 伏特,但未滿 33,000 伏特 (B)相間電壓超過 750 伏特,但未滿 22,800 伏特 (C)相間電壓超過750 伏特,但未滿 33,000 伏特 (D)線間電壓超過 750 伏特,但未滿 22,800 伏特。
58. 使用比壓器(PT)及比流器(CT)須注意其二次側 (A)比流器必須是開路狀態;比壓器必須是短路狀態(B)比流器可以短路或開路狀態;比壓器必須是短路狀態 (C)比壓器必須是開路狀態;比流器必須是短路狀態 (D)比壓器可以短路或開路狀態;比流器必須是短路狀態。
59. 交流電路以金屬管配置者,同一回路之全部電線原則上應穿設於同一管內,以維持______平衡。 (A)容抗 (B)阻抗 (C)感抗 (D)電磁
60. 依據「輸配電設備裝置規則」,屋外供電線路之接地線距地面______公尺內應予防護,以避免受到磨損。 (A)2.65 (B)2.55 (C)2.45 (D)2.75
61. 目前台灣電力公司使用之電纜之運轉溫度下列哪些正確? (A)緊急運轉溫度 130℃ (B)正常連續運轉溫度 90℃ (C)過載運轉溫度 110℃ (D)短路溫度 250℃。
62. 依據台灣電力公司「架空配電線路施工」,各種鋁線張力處所之壓接,應選用何種壓縮鍵?(A)477MCM 選用 B20AH 壓縮鍵壓接 (B)300MCM 選用 B76AH 壓縮鍵壓接 (C)AWG 4/0 ACSR 鋁套管部分選用 B74AH 壓縮鍵壓接 (D)AWG 2/0 ACSR 鋁套管部分選用 B72AH 壓縮鍵壓接。
63. 某變壓器滿載時,銅損為 600W、鐵損為 200W,則其 (A)半載時鐵損為 200W (B)無載時銅損為0W (C)無載時鐵損為 200W (D)半載時銅損為 200W。
64. 依據台灣電力公司「架空配電線路設計」,架空高壓分歧線熔絲保護裝置原則,下列何者正確?(A)高壓分岐線兩熔絲鏈串聯保護時,前衛保護熔絲之最大清除時間應不超過後衛保護熔絲之最小熔斷時間之 85% (B)11.4kV 高壓分歧線負載達 60A 以上時,在分歧點第一檔裝設分段開關,並由後衛電驛保護 (C)熔絲鏈額定須大於裝置點之負載電流,線路最遠點之最小故障電流(接地電阻30Ω)亦使其熔斷為原則 (D)高壓分歧線之熔絲鏈應能承受 6 倍負載電流時間 1 秒鐘及 3 倍負載電流時間 10 秒鐘。
65. 高壓被覆線路密封型變壓器一次引下線施工作業須使用下列哪些壓縮鍵? (A)U34RT (B)UD3(C)U27RT (D)U25RT。
66. 從事活線作業者應注意之事項,下列敘述何者正確? (A)為提神可飲用含酒精之飲料 (B)事先跟監督者商談工作之步驟 (C)應熟記與工作有關設備之裝置位置 (D)對可能發生之錯誤及困難工作,應預先想妥防患對策。
67. 依據台灣電力公司「地下配電線路施工」,1/C 25kV 預鑄型終端端頭施作時,下面敘述何者正確? (A)線徑#1 AWG 選用 U27RT 壓縮鍵壓接套管 (B)壓接時,先壓縮端子內段 (C)線徑 500MCM選用 U32RT 壓縮鍵壓接套管 (D)外層防水處理須 1/2 重疊往回 3 層次,最後一層須由下往上綁紮。
68. 依據台灣電力公司「架空配電線路施工」建桿工作,10.5M 水泥電桿埋入深度應為 (A)石塊地 1.2公尺 (B)普通土質 1.7 公尺 (C)轉彎桿或終端桿 1.8 公尺 (D)軟弱土質 2.0 公尺。
69. 台灣電力公司架空配電線路建桿後填土作業,下列敘述何者正確? (A)如土質過於乾燥,填土時可酌量澆水少許以便易於搗實 (B)電桿需襯石者,應先填襯石再填土方,襯石應沿電桿四週均勻投入坑內 (C)填土時應先填混雜沙石之劣土於下層,然後將良土填於表面層 (D)填土工作完成前,電桿之拉繩或吊索不可鬆開以免危險。
70. 台灣電力公司對下列各種因數定義之敘述,何者正確? (A)利用因數為供電端最高負載與供電設備容量之百分比 (B)參差因數為某系統(或區域)上綜合最高負載之和與該系統(或區域)各個最高負載之百分比 (C)負載因數為某一特定時間內平均負載與最高負載之百分比 (D)損失因數為在某一特定時間內,平均電力損失與最高電力損失之百分比。
71. 台灣電力公司地下配電系統對於電纜額定電壓及運轉電壓之規範,下列敘述何者正確? (A)額定電壓係指使用於三相系統之線間電壓;運轉電壓在連續使用時,可超過額定電壓 5% (B)額定電壓係指使用於三相系統之線間電壓;運轉電壓在緊供使用時,可超過額定電壓 10%,但時間不得超過15 分鐘 (C)額定電壓係指使用於三相系統之相間電壓;運轉電壓在緊供使用時,可超過額定電壓5%,但時間不得超過 10 分鐘 (D)額定電壓係指使用於三相系統之相間電壓;運轉電壓在連續使用時,可超過額定電壓 10%。
72. 依據台灣電力公司「架空配電線路器材」,配電線路用預力電桿依其長短及地面線設計荷重分型式,下列型式之判別何者正確? (A)C 型:桿長 7.5~18 公尺,地面線設計荷重 500 公斤 (B)D 型:桿長 7.5~20 公尺,地面線設計荷重 650 公斤 (C)B 型:桿長 7.5~18 公尺,地面線設計荷重 350 公斤 (D)A 型:桿長 10.5 公尺以下,地面線設計荷重 200 公斤。
73. 台灣電力公司架空配電線路桿上作業工作位置之選擇,下列敘述何者正確? (A)不可站在低壓線架上工作 (B)不可站在橫擔押工作 (C)不可站在支線上工作 (D)不可坐在支持物上面工作。
74. 活線作業橡皮毯掩蔽以______作為固定用。 (A)棉繩 (B)膠帶 (C)塑膠夾 (D)木夾
75. 依據台灣電力公司「架空配電線路設計」,配電饋線保護協調各項設施中,熔絲鏈之選擇應考慮事項,下列何者正確? (A)裝置地點之永久性故障 (B)熔絲鏈間之協調,前衛保護(設備之最大清除時間不得超過其後衛保護設備最小熔斷時間之 85% (C)負載電流及起動電流之衝擊電流 (D)熔絲鏈所保護線路末端之最小故障電流。
76. 依據台灣電力公司「運轉維護手冊」,屋外亭置式變壓器基礎接地應 (A)兩具組裝設 2 支接地銅棒(B)單具組裝設 1 支接地銅棒 (C)三具組裝設 3 支接地銅棒 (D)四具組裝設 3 支接地銅棒。
77. 活線掩蔽輕鋼橫担無須使用哪種工具? (A)橡皮線管 (B)礙子套 (C)橡皮毯 (D)橫担套。
78. 一電阻器 5 歐姆,外加 100 伏特電壓,則流過之電流 I 和消耗之功率 W 各為多少? (A)I=20A (B)I=10A (C)W=1000W (D)W=2000W。
79. 依據「輸配電設備裝置規則」,低壓接戶線之裝置,下列哪些事項符合規定? (A)架空單獨及共同接戶線之長度以 45 公尺為限。但如架設有困難時,得延長至 55 公尺 (B)連接接戶線之長度自第一支持點起以 60 公尺為限,其中每一架空線段之跨距不得超過 20 公尺 (C)架空單獨及共同接戶線之長度以 35 公尺為限。但如架設有困難時,得延長至 45 公尺 (D)地下接戶線採用電纜時,其電壓降符合相關規定者,長度可不受限制。
80. 高壓電力電纜外半導電層之作用,下列敘述何者正確? (A)消除遮蔽銅線縱切的電應力 (B)消除遮蔽銅線正切的電應力 (C)消除絕緣體表面與鄰近大地間之放電現象 (D)使絕緣體電力線對稱放射分佈。