所屬科目:泉勝◆基本電學(下冊)
1.單相二線式(single-phase two-wire system, 簡稱 1ϕ2W)。(A)O(B)X
2. 1ϕ2W 使用兩條電線供電,一條為火線,一條為中性線。(A)O(B)X
3.火線供電電壓有效值為 110V,以驗電筆碰觸時燈會亮起。(A)O(B)X
4.中性線,以驗電筆碰觸時燈會亮起。(A)O(B)X
5.中性線除了連接回電力公司,也接至大地(通常連接住家的牆壁鋼筋)。(A)O(B)X
6.若有穿絕緣鞋(或塑膠底鞋子),若不小心碰觸火線,也不會有觸電感覺,所以修理水電,一定不可以赤腳。(A)O(B)X
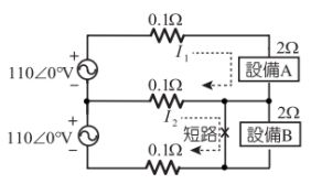
7.如下圖的單項三線供電,同一瞬間 AN 與 NB 的相位相同,若負載相同,中性線電流為 0。(A)O(B)X
8.當使用相同的導線,在相同的距離內傳送相同的功率時,就線路電壓降(V)而言:1ϕ3W 只有1ϕ2W 的一半。(A)O(B)X
9.當使用相同的導線,在相同的距離內傳送相同的功率時,就電力損失(P)而言:1ϕ3W 只有 1ϕ2W的一半。(A)O(B)X
2.如下圖所示之電路,若兩電阻負載的功率都是 220 W,則中性線電流為何?(A)4A(B)3A(C)2A(D)0A