阿摩線上測驗
登入
首頁
>
技檢◆工業配線-丙級
> 114年 - 01300 工業配線 丙級 工作項目 03:電氣器具之使用 1-50(2025/10/13 更新)#132038
114年 - 01300 工業配線 丙級 工作項目 03:電氣器具之使用 1-50(2025/10/13 更新)#132038
科目:
技檢◆工業配線-丙級 |
年份:
114年 |
選擇題數:
50 |
申論題數:
0
試卷資訊
所屬科目:
技檢◆工業配線-丙級
選擇題 (50)
1. 電氣儀表上表示交直流兩用之符號為 (A)
(B)
(C)
(D)
。
2. 0.5Class(級)之電表,其允許誤差為 (A)最小刻度之 0.5% (B)滿刻度之 0.5% (C)任何指示值的 0.5% (D)任何指示值的 50% 。
3. 電流表之接法為 (A)與電路並聯 (B)兩端短路 (C)與負載串聯 (D)與電源並聯 。
4. 如下圖所示,兩只額定 100V 之電壓表,靈敏度分別為 20KΩ/V 及 40KΩ/V,當串聯接於 120V 電壓時,兩只電壓表分別指示
(A)20V、100V (B)40V、80V (C)60V、60V (D)80V、40V 。
5. 伏特表之功用在於量測 (A)電壓 (B)電阻 (C)功率 (D)電流 。
6. 一般交流電壓表所指示的電壓值為 (A)均方根值 (B)平均值 (C)最高值 (D)瞬間值 。
7. 如下圖所示電路,電壓表 V 應指示
(A)50VAC (B)50VDC (C)75VAC (D)75VDC 。
8. 兩內阻不同之電壓表 V
1
及 V
2
,如下圖所示之結線,V
2
之讀數為
(A)50V(B)75V (C)100V (D)150V 。
9. 內阻各為 1.5KΩ及 1KΩ之兩個滿刻度 150V 電壓表,若串聯連接時,可測定之最高電壓為 (A)150V (B)200V (C)250V (D)300V 。
10. 交流電壓表接線時,須考慮 (A)正負方向 (B)相序 (C)極性 (D)量度範圍 。
11. 直流回路在測試大電流時電表應配合下列何者使用? (A)倍率器 (B)分流器(C)電抗器 (D)整流器 。
12. 要將某直流電流表的指示範圍放大 100 倍時,所裝分流器的電阻應為電流表內阻的 (A)1/100 倍 (B)1/99 倍 (C)99 倍 (D)100 倍 。
13. 在交流電路中,欲擴大電流之量測範圍,應利用 (A)比流器 (B)比壓器 (C)分流器 (D)倍率器 。
14. 直流電流表加裝分流器時,則其流過電表之電流值將較實際電流為 (A)高(B)低 (C)視分流器電阻而定 (D)相同 。
15. 如下圖所示,在 SW ON 後,電流表之讀數應為
(A)6A (B)4A (C)3A (D)2A 。
16. 動圈式交流電表由面板刻度上所讀得之值為量測值之 (A)有效值 (B)平均值(C)瞬間值 (D)最大值 。
17. 應使用超倍刻劃電流表之電路為 (A)電熱電路 (B)電動機電路 (C)照明電路 (D)變壓器電路 。
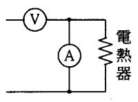
18. 使用一只伏特表及一只安培表測電熱器之消耗功率時,下列何者為正確接法?(A)
(B)
(C)
(D)
。
19. 量測交流單相電動機之有效功率,所需儀表之組合為 (A)電壓表、電流表、轉速表 (B)電壓表、頻率表、功因表 (C)電壓表、電流表、功因表 (D)電流表、頻率表、功因表 。
20. 以兩瓦特表測量三相電功率,若兩讀數相等,則表示功率因數為 (A)1 (B)0.866 (C)0.5 (D)0 。
21. 配合 PT、CT 使用之三相三線式仟瓦小時表的電流線圈接線端應接於 (A)CT (B)PT (C)大地 (D)器具外殼 。
22. 家庭用的瓩時表,依據下列何種原理運轉? (A)靜電型原理 (B)感應型原理(C)可動線圈型原理 (D)可動鐵片型原理 。
23. 在有負載情形下,單相二線式瓦時表電壓端接頭脫落,則轉盤會產生下列何種情況? (A)靜止不動 (B)增快 (C)減慢 (D)不影響 。
24. KVAR 表是量測負載之 (A)有效功率 (B)無效功率 (C)視在功率 (D)直流電流 。
25. 在三相電路中,當瓦特表指示為 1.3KW、線電壓為 200V、線電流為 5A時,則其功率因數接近 (A)45% (B)63% (C)75% (D)82% 。
26. 頻率表在刻度盤上常以 Hz 單位標示,其意為 (A)每秒鐘之週波數 (B)每分鐘之週波數 (C)每刻鐘之週波數 (D)每小時之週波數 。
27. 頻率表之接法為 (A)與電壓表並聯 (B)與電壓表串聯 (C)與電流表串聯 (D)與電流表並聯 。
28. 惠斯頓電橋可量測 (A)頻率 (B)電阻 (C)電流 (D)電壓 。
29. 使用指針型三用電表量測未知電壓,其選擇開關應先置於 (A)最低電壓檔(B)最高電壓檔 (C)任意檔位 (D)中間檔位 再視其指示情形轉向適當電壓處。
30. 使用指針型三用電表測量電阻時,則 (A)不必作零歐姆調整 (B)僅需作一次零歐姆調整 (C)每調換量測檔位時需作零歐姆調整 (D)購買時已由廠商作好零歐姆調整 。
31. 三用電表之靈敏度愈佳,則其Ω/V (A)愈大 (B)愈小 (C)無關 (D)不一定 。
32. 排除控制電路故障,最簡便之檢查儀表為 (A)電流表 (B)電壓表 (C)高阻計 (D)三用電表 。
33. 高阻計(Megger)能測量 (A)電壓 (B)電流 (C)接地電阻 (D)絕緣電阻 。
34. 使用高阻計,測試電動機之繞組與外殼之絕緣電阻,其接法為 (A)L、E 兩端分接電動機內同一繞組之兩端 (B)L、E 兩端分接電動機內兩不同之繞組(C)L 端接電動機外殼,E 端接繞組 (D)E 端接電動機外殼,L 端接繞組 。
35. 用高阻計測定電動機繞組與外殼之絕緣電阻時,若指針指示為 25MΩ,則其歐姆值為 (A)2.5×10
8
Ω (B)2.5×10
7
Ω (C)2.5×10
4
Ω (D)2.5×10
3
Ω 。
36. 鈎式電表測量電路電流時,則 (A)可不必切斷電路就可測量電流 (B)切斷後串聯 (C)切斷後並聯 (D)與負載並聯 。
37. 有關鈎式電表,下列敘述何者錯誤? (A)可不切斷電路來測量電流 (B)只需鈎住一條電源線即可測量電流 (C)需切斷電線串聯使用 (D)一般皆兼具有測量電阻及電壓的功能 。
38. 夾式電表是利用下列何者配合其他零件所組成? (A)整流器 (B)比流器 (C)分流器 (D)比壓器 。
39. 電流切換開關切換時,未經過電流表之各相電流應予 (A)短路 (B)開路 (C)流經電容 (D)流經電阻 。
40. 使用電壓切換開關之目的為 (A)使用一只電壓表即可測量三相電壓 (B)改變三相電源為單相電源以供控制線路使用 (C)減少線路之電壓降 (D)改變三相高電壓為單相低電壓,以供電壓表接線 。
41. 盤面型電表安裝時,需與地面呈 (A)水平 (B)斜 45° (C)斜 60° (D)垂直 。
42. 一般攜帶型電表之準確等級(Class)為 (A)2.5 (B)2.0 (C)1.5 (D)0.5 。
43. 電器開關的開閉速度是 (A)越快越好 (B)越慢越好 (C)開時快閉時慢 (D)開時慢閉時快 。
【已刪除】44. (本題刪題)250 伏刀型開關,額定電流在__________ 以上 者,僅可作為隔離開關之用,不得在有負載之下開啟電路。(A)600A 以上 (B)800A 以上 (C)1000A 以上 (D)1200A
45. 下列何種設備不能將短路電流啟斷? (A)配線用斷路器 (B)手捺開關 (C)有過電流元件之漏電斷路器 (D)電動機用斷路器 。
46. 使用手捺開關控制日光燈、電扇等電感性負載時,負載應不超過開關額定電流值的 (A)60% (B)80% (C)100% (D)125% 。
47. 無熔線斷路器之 AT 代表 (A)故障電流 (B)跳脫電流 (C)額定電流 (D)框架電流 。
48. 無熔線斷路器標明 3P 100AF 75AT 10KA,其額定跳脫電流為 (A)25A (B)75A (C)100A (D)175A 。
49. 無熔線斷路器接線未用端子壓接鎖線時,則 (A)絞線剝皮後,推入鎖緊 (B)絞線剝皮後理直,推入鎖緊 (C)絞線剝皮後為適應孔徑可部分斷股,再將其餘導線理直並焊錫後,推入鎖緊 (D)絞線剝皮理直並焊錫後,推入鎖緊 。
50. 無熔線斷路器啟斷容量之選定係依據 (A)線路之電壓降 (B)功率因數 (C)短路電流 (D)使用額定電流 。
申論題 (0)
相關試卷
114年 - 01300 工業配線 丙級 工作項目 06:檢查及故障排除 1-62(2025/10/13 更新)#132048
114年 · #132048
114年 - 01300 工業配線 丙級 工作項目 05:控制電路裝配 101-122(2025/10/13 更新)#132047
114年 · #132047
114年 - 01300 工業配線 丙級 工作項目 05:控制電路裝配 51-100(2025/10/13 更新)#132046
114年 · #132046
114年 - 01300 工業配線 丙級 工作項目 05:控制電路裝配 1-50(2025/10/13 更新)#132045
114年 · #132045
114年 - 01300 工業配線 丙級 工作項目 04:主電路裝配 101-145(2025/10/13 更新)#132044
114年 · #132044
114年 - 01300 工業配線 丙級 工作項目 04:主電路裝配 51-100(2025/10/13 更新)#132043
114年 · #132043
114年 - 01300 工業配線 丙級 工作項目 04:主電路裝配 1-50(2025/10/13 更新)#132042
114年 · #132042
114年 - 01300 工業配線 丙級 工作項目 03:電氣器具之使用 101-150(2025/10/13 更新)#132040
114年 · #132040
114年 - 01300 工業配線 丙級 工作項目 03:電氣器具之使用 51-100(2025/10/13 更新)#132039
114年 · #132039
114年 - 01300 工業配線 丙級 工作項目 02:電氣器具之裝置 51-72(2025/10/13 更新)#132037
114年 · #132037