阿摩線上測驗
登入
首頁
>
技檢◆工業配線-丙級
> 114年 - 01300 工業配線 丙級 工作項目 06:檢查及故障排除 1-62(2025/10/13 更新)#132048
114年 - 01300 工業配線 丙級 工作項目 06:檢查及故障排除 1-62(2025/10/13 更新)#132048
科目:
技檢◆工業配線-丙級 |
年份:
114年 |
選擇題數:
62 |
申論題數:
0
試卷資訊
所屬科目:
技檢◆工業配線-丙級
選擇題 (62)
1. 如下圖所示,加上額定電壓(E)時,電驛 R
(A)不動作 (B)瞬間動作後停 (C)正常動作 (D)反覆動作 。
2. PB/ON 在電路圖中之意義為 (A)此按鈕常處於 ON 狀態 (B)操作時接通用按鈕開關 (C)此按鈕具有延時特性 (D)此按鈕必須與 a 接點同時使用 。
3. 如下圖所示,下列敘述何者正確?
(A)當開關切入 1,2 位置時,a 及 1 不通 (B)當開關切入 c 位置時,c 與 3 及 4 不通 (C)當開關切入 b 位置時,1 與2 不通 (D)當開關切入 a 位置時,5 與 6 是通路 。
4. 如下圖所示,X 電驛之動作為
(A)能 ON 能 OFF (B)不能 ON 亦不能 OFF (C)能 ON 但不能 OFF (D)不能 ON 但能 OFF 。
5. 如下圖所示,控制電路可做為一台三相感應電動機
(A) -△啟動控制 (B)正逆轉控制 (C)斷續動作控制 (D)ON、OFF 起動控制 。
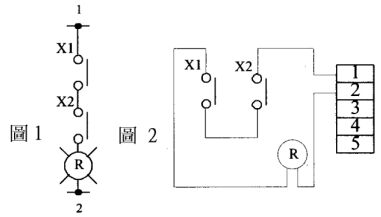
【已刪除】6. (本題刪題)如圖 1 所示電路圖,某工作者配線如圖 2,則此配線
(A)未按電路圖施工應判定為施工錯誤 (B)功能一樣,視為合格 (C)與電路圖一致,視為完全正確 (D)工作者為工作方便,節省材料這樣更好 。
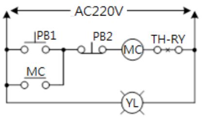
7. 如下圖所示,電磁接觸器 MCF 在運轉中,如再按 ON2按鈕,則電磁接觸器 MCR
(A)不一定動作 (B)不動作 (C)動作 (D)發生故障 。
8. 如下圖所示,當 ON 及 OFF 按鈕開關同時押下時,電磁接觸器 MC 之線圈
(A)不一定動作 (B)動作 (C)電路短路 (D)斷續動作 。
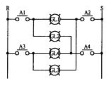
9. 如下圖所示,當 A
1
、A
4
之接點閉合時
(A)GL
1
、GL
2
、GL
3
、GL
4
亮度相同(B)GL
1
較亮,GL
2
、GL
3
、GL
4
不亮 (C)GL
2
較亮,GL
1
、GL
3
、GL
4
微亮 (D)GL
1
、GL
4
亮,GL
2
、GL
3
微亮 。
10. 如下圖所示,A、B 兩接點之作用為
(A)連動 (B)避免同時投入 (C)保持接點(D)可同時投入 。
11. 頻率上升時,電容器之容抗值 (A)增加 (B)減少 (C)不變 (D)先增後減 。
【已刪除】12. (本題刪題)檢查 220V 配電盤(箱)內裸露之導電部分,其帶電體對地距離不得小於 (A)5 公厘 (B)10 公厘 (C)13 公厘 (D)20 公厘 。
13. 電路裝配完成後,通電試驗前,應首先確認 (A)時間電驛設定是否正確 (B)電路有無保險絲等適當的保護裝置 (C)電路配線確實按圖施工 (D)積熱電驛設定值是否正確 。
14. 控制箱裝置配線完成後,作通電試驗前 (A)須作靜態功能測試 (B)換裝小安培數保險絲再作試驗 (C)取下所有時間電驛之本體再作測試 (D)取下所有電力電驛之本體再作測試 。
15. 控制箱裝置配線完成後,作通電試驗前 (A)須先以弱電(如 12VDC)作功能測試 (B)須先確認電源電壓 (C)連接之電源須先串接 100W 燈泡,以防短路事故 (D)不必確認所有接地線是否全部連接在一起 。
16. 控制箱裝置配線完成後,作通電試驗前,下列何種動作可不必實施? (A)將器具上未接線之螺絲鎖緊 (B)確認電磁接觸器線圈之額定電壓 (C)依電路圖設定時間電驛 (D)將栓型保險絲取下,換裝小安培數保險絲,以防短路 。
17. 當控制箱上之過載指示燈亮時,則 (A)將供給此控制箱及其他負載之總開關切離 (B)先切離此控制箱之電源 (C)將此控制箱控制電路上之保險裝置切離(D)將過載保護裝置強迫復歸 。
18. 在通電情況下,已在現場運轉之控制箱,電源指示燈突然不亮時,不可能之原因為 (A)指示燈泡燒毀 (B)指示燈內之變壓器燒毀 (C)主電路中之電磁接觸器線圈燒毀 (D)現場突然停電 。
19. 三相鼠籠型感應電動機接線盒內之導線數為 (A)3 條 (B)4 條 (C)5 條 (D)6條 。
20. 當更換感應電動機時,則 (A)可換裝為較大馬力之電動機 (B)連接至控制箱之導線需同時更換 (C)電動機之外殼接地仍需配置 (D)固定孔不合時可減少固定點 。
21. 換裝雙浮球開關時,雙浮球間之距離 (A)視水槽深度作調整 (B)視電壓大作調整 (C)視電動機馬力數作調整 (D)視耗電量作調整 。
22. 更換溫度控制器之感溫棒時,其接線之長度 (A)需配合溫度設定範圍 (B)需考慮電壓大小 (C)需配合原來裝置之溫度控制器 (D)需考慮周圍溫度 。
23. 不影響電磁接觸器接點之壽命者為 (A)啟斷電流 (B)大氣壓力 (C)短路電流 (D)開閉頻率 。
24. 在三點式按鈕開關中 FWD 之標示代表 (A)過載 (B)正轉 (C)逆轉 (D)停止 。
25. 換裝交流電流表時,則 (A)以同刻度範圍者更換不必考慮電流表之 CT 比 (B)以同刻度範圍及相同 CT 比者更換 (C)以延長刻度相同 CT 比者更換 (D)以較大刻度範圍者更換 。
26. 無熔線斷路器啟斷容量之選定依 (A)線路之電壓降 (B)功率因數 (C)短路電流(D)額定電流 。
27. 使用三用電表測試二極體時,電表之歐姆檔指示值很小,則三用電表紅棒所連接之二極體端點為 (A)P 端 (B)N 端 (C)接地點 (D)無法判定 。
28. 穩壓電路中,稽納二極體之正端接電源之 (A)正端 (B)負端 (C)接地端 (D)中性點 。
29. 旋轉電機機械,因過載而引起過熱之主要原因為 (A)摩擦損 (B)鐵損 (C)漂游損 (D)銅損 。
30. 更換近接開關時,則 (A)以外徑相同者取代 (B)以外加電壓相同者取代 (C)以特性及尺寸相同者取代 (D)以外殼材質相同者取代 。
31. 負載超過 CT 額定負擔時,所連接之電流計指示值 (A)增大 (B)減少 (C)不變(D)無作用 。
32. 非高阻抗型之電極式液面控制器在下列何種液體中沒有作用? (A)井水 (B)山泉水 (C)自來水 (D)蒸餾水 。
33. 鋁、銅、鐵、黃銅四種材料中之電阻最大者為 (A)鋁 (B)銅 (C)鐵 (D)黃銅 。
34. 三相感應電動機起動時在下列四種起動方法中轉矩最大者為 (A) -△起動(B)二次電阻起動 (C)自耦變壓器起動 (D)全壓起動 。
35. 比流器是低導磁鐵心之變壓器,因此二次側不可 (A)接電容器 (B)短路 (C)開路 (D)接電流表 。
36. 三相繞線型感應電動機之起動裝置,下列四種中,何者較為適當? (A)-△起動器 (B)二次電阻起動器 (C)電抗起動器 (D)自耦變壓器起動 。
37. 依現有施工慣例配電盤內 CT 二次側配線之顏色,應採用下列何者? (A)黑色 (B)紅色 (C)綠色 (D)藍色 。
38. R、S、T 代表電源線,U、V、W 代表感應電動機出線,假如 R-U、S-V、T-W 連接為正轉,結線變更仍為正轉其結線為 (A)R-V、S-U、T-W (B)R-V、S-W、T-U (C)R-W、S-V、T-U (D)R-U、S-W、T-V 。
39. 在下圖中將 S 投入後指示燈即
(A)繼續亮 (B)熄滅 (C)反覆點滅 (D)只亮一次,旋即熄滅 。
40. 無熔線斷路器之框架容量 (A)大於 (B)小於 (C)等於 (D)大於或等於 跳脫容量。
41. 下列電動機之輸出額定值為非規格品者? (A)1HP (B)2HP (C)3HP (D)4HP 。
42. 換裝電磁接觸器時,新裝配者與原裝配者 (A)新裝者額定電流較大 (B)舊裝者額定電流較大 (C)兩者額定電流相同 (D)不必考慮兩者之額定電流 。
43. 在檢修電路時,電驛未使用之接點 (A)可作為導線接續使用 (B)不可作為導線接續使用 (C)全部連接在一起 (D)全部連接在一起後接地 。
44. 比流器之選用下列何者較不重要? (A)額定電壓 (B)一次側電流 (C)負擔 (D)外型 。
45. 變壓器之乾燥劑其主要功用為 (A)調節油面 (B)防止油劣化 (C)調節溫度 (D)防止層間短路 。
46. 測試線路中接線端子是否有電,下列何種測試方法較為恰當? (A)以驗電筆測試 (B)以起子測試 (C)以三用電表測試 (D)以尖嘴鉗碰觸法測試 。
47. 控制盤中器具未接線之端點 (A)可能帶電 (B)不可能帶電 (C)永遠比大地之電位高 (D)永遠比大地之電位低 。
48. 換裝電動機之作業時,則 (A)應將該分路之開關切離 (B)其控制盤中指示燈全熄即可作業 (C)可在電動機接線有電情況下作業 (D)不必注意電動機接線順序 。
49. 當電動機控制盤遷移裝置位置後,則 (A)不必量測電源電壓 (B)不必檢查電源相序 (C)需查電源電壓及相序 (D)不必檢查電動機接線是否正確 。
50. 控制盤有一組電磁接觸器故障,則永久性換裝原則為 (A)可將主接點短路後繼續運轉 (B)必須換裝較大額定之電磁接觸器 (C)可暫時使用較小額定之接觸器替代 (D)必須換裝相同型號之電磁接觸器 。
51. 固態接觸器(SSC)加上額定觸發電壓時,以三用電表量測其單一主接點一次側與二次側間之電阻值為 (A)0Ω (B)接近 0Ω (C)無限大 (D)因廠牌不同而異 。
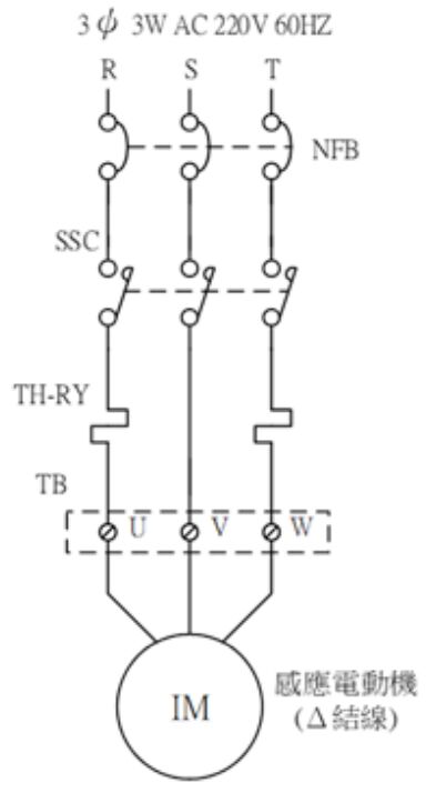
【已刪除】52. (本題刪題)如下圖所示,當檢修時,將感應電動機(IM)暫時切離,此時於送電後,以三用電表量測固態接觸器(SSC)主接點二次側間之電壓值為
(A)0VAC (B)220VAC (C)220√3VAC (D)約為 220VAC 。
【已刪除】53. (本題刪題)如下圖所示,當檢修時,若未切離感應電動機(IM),此時於送電後,以三用電表量測固態接觸器(SSC)主接點二次側間之電壓值為
(A)0VA (B)220VA (C)220
3VAC (D)約為 220VAC 。
54. 如下圖所示,未通電時,以三用電表量測按鈕開關 PB1 之 a 接點兩端之電阻值為
(A)無限大 (B)接近無限大 (C)電磁接觸器線圈與指示燈內阻之並聯值(D)電磁接觸器線圈與指示燈內阻之串聯值 。
55. 如下圖所示,電磁接觸器線圈之內阻值為 300Ω,指示燈之內阻值為 600Ω。通電後,若 PB1 或 PB2 均未動作,則電磁接觸器輔助 a 接點間之電壓值為
(A)0VAC (B)220VAC (C)VAC (D)220×600/900 VAC 。
56. 下列有關保養維護用累積計時器之敘述,何者正確? (A)盤面上需設置歸零按鈕 (B)指示範圍 0~99999,以秒為計時基礎 (C)當斷電時,即自動歸零 (D)更換時,不能以一般計時器取代 。
57. 更換溫度感測器之感溫棒時,若該感溫棒為三線式 PT100Ω,則 (A)兩條白色線之接點可以互換 (B)白色線與紅色線之接點可以互換 (C)能以二線式感溫棒取代 (D)能以二線式熱偶感溫棒取代 。
58. 裝置有自動逆相防止電驛(APR)之控制盤中,送電後,若 APR a 接點不動作,則可能的原因為 (A)相電壓低於額定電壓值 2% (B)線電壓高於額定電壓值 2% (C)相電壓高於額定電壓值 2% (D)欠相 。
59. 有關「電業供電電壓及頻率標準」之電源系統標示,下列何者錯誤? (A)1ψ 2W 110VAC (B)1ψ 2W 220VAC (C)3ψ4W 380/220VAC (D)3ψ4W220/110VAC 。
60. 換裝切換開關時,下列操作何者錯誤? (A)為求穩固,分別將墊圈置於操作面板裡外兩側 (B)視操作面板之厚度,調整墊圈之數量 (C)不可更改切換指示標註 (D)選用相同規格之產品 。
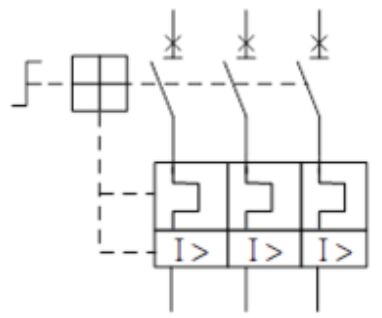
61. 如下圖所示之歐規斷路器,若其規格為 3P 220VAC 25KA 25A,下列有關該器具之功能敘述何者錯誤?
(A)適用於 3ψ3W 220VAC 之電源系統 (B)具有三相同時投入與切離之手動裝置 (C)當二次側短路時,自動跳脫 (D)當二次側負載電流大於 25A 時,自動跳脫 。
62. 如下圖所示之歐規斷路器,若其規格為 3P 220VAC 25KA 2.5~4A 過載可調,瞬跳值為 10 倍以上,下列有關該器具之功能敘述何者錯誤?
(A)當過載旋鈕切於 4A 時,若負載電流大於 40A,則該斷路器做過載跳脫 (B)該斷路器具有過載及短路跳脫功能 (C)當短路電流大於 25KA 時,該斷路器無跳脫功能 (D)該斷路器二次側不必加裝過載保護電驛 。
申論題 (0)
相關試卷
114年 - 01300 工業配線 丙級 工作項目 05:控制電路裝配 101-122(2025/10/13 更新)#132047
114年 · #132047
114年 - 01300 工業配線 丙級 工作項目 05:控制電路裝配 51-100(2025/10/13 更新)#132046
114年 · #132046
114年 - 01300 工業配線 丙級 工作項目 05:控制電路裝配 1-50(2025/10/13 更新)#132045
114年 · #132045
114年 - 01300 工業配線 丙級 工作項目 04:主電路裝配 101-145(2025/10/13 更新)#132044
114年 · #132044
114年 - 01300 工業配線 丙級 工作項目 04:主電路裝配 51-100(2025/10/13 更新)#132043
114年 · #132043
114年 - 01300 工業配線 丙級 工作項目 04:主電路裝配 1-50(2025/10/13 更新)#132042
114年 · #132042
114年 - 01300 工業配線 丙級 工作項目 03:電氣器具之使用 101-150(2025/10/13 更新)#132040
114年 · #132040
114年 - 01300 工業配線 丙級 工作項目 03:電氣器具之使用 51-100(2025/10/13 更新)#132039
114年 · #132039
114年 - 01300 工業配線 丙級 工作項目 03:電氣器具之使用 1-50(2025/10/13 更新)#132038
114年 · #132038
114年 - 01300 工業配線 丙級 工作項目 02:電氣器具之裝置 51-72(2025/10/13 更新)#132037
114年 · #132037