阿摩線上測驗
登入
首頁
>
技檢◆視聽電子-丙級
> 114年 - 02900 視聽電子 丙級 工作項目 05:音響檢修 201-250(2025/10/16 更新)#132313
114年 - 02900 視聽電子 丙級 工作項目 05:音響檢修 201-250(2025/10/16 更新)#132313
科目:
技檢◆視聽電子-丙級 |
年份:
114年 |
選擇題數:
50 |
申論題數:
0
試卷資訊
所屬科目:
技檢◆視聽電子-丙級
選擇題 (50)
201. CMOS 邏輯 IC 的工作電源約為多少伏特? (A)2~10 (B)4.75~5.25 (C)3~15(D)-12~+12 。
202. 欲用 NAND 或 NOR 閘組成反相器(NOT Gate)下列何種接法是錯誤的? (A)
(B)
(C)
(D)
。
203. 下列哪一種元件易受靜電破壞,因此使用時儘量不以手接觸接腳? (A)TTL(B)CMOS (C)RTL (D)ECL 。
204. 邏輯電路中,屬於非飽和式邏輯為 (A)TTL (B)DTL (C)ECL (D)CMOS 。
205. 如圖,相當於何種邏輯閘?
(A)AND (B)OR (C)NAND (D)NOR 。
206. 如圖所示符號是為何種閘?
(A)AND (B)OR (C)NAND (D)NOR 。
207. 下列四個邏輯閘表示圖中,何者為正確? (A)
(B)
(C)
(D)
。
208. 求如圖輸出 Y 之布林函數
(A)AB (B)
(C)A+B (D)
。
209. CMOS 數位 IC 編號為 (A)20XX (B)30XX (C)40XX (D)78XX 。
210. 下列敘述,何者是 CMOS(互補式 MOS)邏輯電路的主要特點 (A)交換速率比TTL 還快得多 (B)製作容易、價格低廉 (C)消耗功率極小 (D)雜訊免除性在所有邏輯中為最差的 。
211. 下列哪一項為 TTL IC 優於 CMOS IC 的特性? (A)工作電壓範圍較廣 (B)較能抗拒外來雜訊 (C)耗電流較少 (D)速度較快 。
212. 下列哪種邏輯閘,當所有輸入端都輸入為 1,輸出才為 0 (A)AND (B)OR (C)NOT (D)NAND 。
213. 如下圖的函數方程式 Y=
(A)
(B)AB (C)A+B (D)
。
214. 要想將一 SN7400 NAND 閘,當成一反相器使用,則對另一輸入端之處理,下列何者不適當?
(A)
(B)
(C)
(D)
。
215. 如下圖所示,下列敘述何者有誤?
(A)C=1,則 Y=AB (B)C=0,則 Y=1 (C)B=1,則 Y=AC (D)B=0,則 Y=0 。
216. 若 A=1101
(2)
,B=0111
(2)
,兩數作比較則 (A)A>B (B)A<B (C)A=B (D)A≧B 。
217. 如下圖所示,請問此電路屬於何種系統?
(A)解碼器 (B)多工器 (C)解多工器(D)編碼器 。
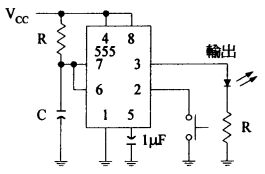
218. 如下圖所示,由 IC555 所組成的電路,其功能為
(A)單穩態多諧振盪器 (B)雙穩態多諧振盪器 (C)不穩態多諧振盪器 (D)韋恩振盪器 。
219. 以一個八對一的多工器而言,最少需有幾條選擇線? (A)3 條 (B)4 條 (C)5 條(D)8 條 。
220. 十進制數 23.75 化成二進制時,應為 (A)10111.11 (B)10111.011 (C)10110.101(D)10111.10 。
221. 下列布林方程式何者正確? (A)
(B)A.A=1 (C)A(A+B)=B (D)
。
222. 如圖所示電路之布林化數式為何?
(A)Y=AB+C (B)Y=AB+
(C)Y=
+C (D)
。
223. 如下圖所示,為一
(A)半加器 (B)半減器 (C)比較器 (D)解碼器 。
224. 在下列各組合邏輯電路中,可由 N 條輸入的資料線中,將其中之一的資料送到唯一的輸出線,是下列哪一項? (A)解碼器 (B)編碼器 (C)多工器 (D)解多工器 。
225. 將正反器的輸出 Q 連到下一級正反器時脈(CK)輸入所形成之計數器,稱為(A)異步 (B)同步 (C)環形 (D)強生 計數器。
226. 圖為一簡單 R-S 正反器,若輸入端 R=0,S=1 時,輸出 A 為
(A)0 (B)1 (C)視前一狀態而定 (D)無法決定 。
227. 如下圖電路中,若 CP 輸入頻率為 1kHz,則 f
0
輸出信號頻率為
(A)2kHz (B)1kHz (C)500Hz (D)250Hz 。
228. 設計一 100 模的異步計數器至少需_________個正反器。 (A)6 (B)7 (C)8 (D)9
229. 如下圖之配接方式,其功能如同何種型式的正反器?
(A)D 型 (B)T 型 (C)J、K 型 (D)R、S 型 。
230. 在圖中,f
i
的頻率為 8KHz,則 f
o
的頻率為
(A)500 (B)1K (C)2K (D)4K Hz。
231. 如下圖所示之電路係為
(A)除 8 的同步計數器 (B)除 6 的非同步計數器 (C)除5 的非同步計數器 (D)除 5 的同步計數器 。
232. 如下圖電路所示,為何種電路?
(A)非穩態 (B)單穩態 (C)雙穩態 (D)樞密特(Schmitt) 電路。
233. 如圖所示電路,輸出訊號 Q
D
為輸入訊號 A
in
之多少倍除頻?
(A)2 (B)5 (C)6(D)10 。
234. 下列何者為半加器之邏輯電路?(A)
(B)
(C)
(D)
。
235. 如圖所示,為一全加器,若 A
n
=B
n
=C
n- 1
=1,則
(A)S
n
=0,C
n
=0 (B)S
n
=1,C
n
=0 (C)S
n
=0,C
n
=1 (D)S
n
=1,C
n
=1 。
236. 下列哪種放大電路,在靜態時,消耗功率最大? (A)A 類 (B)B 類 (C)C 類 (D)AB 類 。
237. 變壓器初級與次級之電流大小與其匝數 (A)成反比 (B)成正比 (C)平方成正比(D)平方成反比 。
238. 理想的 A 類推挽功率放大器,其輸出效率為 (A)50% (B)78.5% (C)90% (D)95% 。
239. 推挽式放大器可減少 (A)直流成分失真 (B)奇數諧波失真 (C)偶數諧波失真 (D)奇、偶數諧波失真 。
240. 有交叉失真的是 (A)A 類單端放大 (B)B 類推挽放大 (C)AB 類推挽放大 (D)A類推挽放大 。
241. 下圖所示電路是屬於
(A)A 類推挽放大器 (B)AB 類推挽放大器 (C)B 類推挽放大器 (D)C 類推挽放大器 。
242. 圖下所示當 R
E
短路時,會發生
(A)諧波失真減小 (B)熱穩定性良好 (C)集極電流減小 (D)電晶體容易發熱 。
243. 使用哪一類放大器可以補救 B 類的交叉失真現象 (A)A 類 (B)AB 類 (C)C 類(D)D 類 。
244. AB 類推挽放大的效率在 (A)25%~78.5% (B)50%~78.5% (C)78.5%~100%(D)50%~100% 。
245. 在無訊號輸入時,電路的功率損失最小的是 (A)A 類 (B)B 類 (C)AB 類 (D)C類 放大器。
246. OTL 是指 (A)無輸出變壓器 (B)無輸入變壓器 (C)無輸出電容器 (D)無輸入電容器 的功率放大器。
247. 為何電晶體適宜於 OTL 電路,而真空管則否 (A)電晶體輸出阻抗低 (B)真空管輸出阻抗低 (C)真空管電壓高 (D)真空管頻率響應差 。
248. SEPP 是指 (A)電阻輸出推挽放大 (B)電容輸出推挽放大 (C)變壓器輸出推挽放大 (D)單端推挽放大 電路。
249. OTL 推挽式放大器用什麼隔離輸出的直流部分 (A)電阻器 (B)電感器 (C)變壓器 (D)電容器 。
250. OCL 放大器,其輸出接喇叭之中點電壓應為 (A)0V (B)1/2Vcc (C)Vcc (D)2Vcc 。
申論題 (0)
相關試卷
114年 - 02900 視聽電子 丙級 工作項目 06:收錄音機檢修 51-93(2025/10/16 更新)#132319
114年 · #132319
114年 - 02900 視聽電子 丙級 工作項目 06:收錄音機檢修 1-50(2025/10/16 更新)#132318
114年 · #132318
114年 - 02900 視聽電子 丙級 工作項目 05:音響檢修 401-443(2025/10/16 更新)#132317
114年 · #132317
114年 - 02900 視聽電子 丙級 工作項目 05:音響檢修 351-400(2025/10/16 更新)#132316
114年 · #132316
114年 - 02900 視聽電子 丙級 工作項目 05:音響檢修 301-350(2025/10/16 更新)#132315
114年 · #132315
114年 - 02900 視聽電子 丙級 工作項目 05:音響檢修 251-300(2025/10/16 更新)#132314
114年 · #132314
114年 - 02900 視聽電子 丙級 工作項目 05:音響檢修 151-200(2025/10/16 更新)#132312
114年 · #132312
114年 - 02900 視聽電子 丙級 工作項目 05:音響檢修 101-150(2025/10/16 更新)#132311
114年 · #132311
114年 - 02900 視聽電子 丙級 工作項目 05:音響檢修 51-100(2025/10/16 更新)#132310
114年 · #132310
114年 - 02900 視聽電子 丙級 工作項目 05:音響檢修 1-50(2025/10/16 更新)#132309
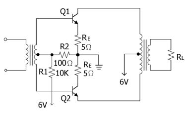
114年 · #132309