阿摩線上測驗
登入
首頁
>
技檢◆視聽電子-丙級
> 114年 - 02900 視聽電子 丙級 工作項目 05:音響檢修 251-300(2025/10/16 更新)#132314
114年 - 02900 視聽電子 丙級 工作項目 05:音響檢修 251-300(2025/10/16 更新)#132314
科目:
技檢◆視聽電子-丙級 |
年份:
114年 |
選擇題數:
50 |
申論題數:
0
試卷資訊
所屬科目:
技檢◆視聽電子-丙級
選擇題 (50)
251. OTL 放大器的 (A)低頻 (B)中頻 (C)高頻 (D)極高頻 響應較雙端推挽式(DEPP)佳。
252. OCL 電路之輸入級採用差動放大器,是取其優點為 (A)頻率響應較寬 (B)訊號雜音比較高 (C)失真較小 (D)穩定性較佳 。
253. OCL 電路主要的優點是 (A)平衡調整容易 (B)中頻響應良好 (C)高頻響應良好(D)頻率響應較佳 。
254. SEPP 的輸出電容器之電容值要 (A)很小 (B)很大 (C)1μF (D)不一定大小 以適合於匹配之用。
255. 放大器之失真可分為 (A)頻率及相位失真 (B)頻率及波幅失真 (C)頻率、相位及波幅失真 (D)延遲及波幅失真 。
256. 一電路對各種不同頻率之正弦波產生不同之放大倍數,則此電路發生 (A)諧波失真 (B)相位失真 (C)頻率失真 (D)調變失真 。
257. 一電路對於各種頻率正弦波之延遲作用不一致是發生 (A)諧波失真 (B)相位失真 (C)頻率失真 (D)交互調變失真 。
258. 推挽放大用變壓器的缺點是 (A)低頻響應差 (B)中頻響應差 (C)高頻響應差 (D)高頻響應佳 。
259. 電晶體 B 類推挽式擴音機,音量大時無顯著失真,音量小時失真增加。其原因為無訊號時之靜態 (A)集極電壓太低 (B)集極電壓太高 (C)集極電流太高(D)基極電壓太低 。
260. 一部放大器,在工作的頻率範圍內,其增益隨頻率不同而變化,此種現象稱為 (A)振幅失真 (B)頻率失真 (C)相位失真 (D)交叉失真 。
261. 一 8Ω揚聲器上電壓波形 V
0
如下圖所示,則其消耗功率為
(A)50W (B)25W(C)12.5W (D)6.25W 。
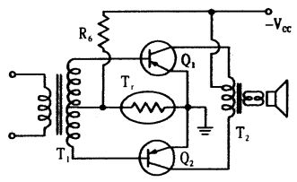
262. 如下圖所示,音量大時良好,而音量小時卻失真增加,其原因為
(A)R6開路或變大 (B)T
r
開路或變大 (C)Q
1
或 Q
2
其中一個燒斷 (D)T
1
與 T
2
矽鋼片大小 。
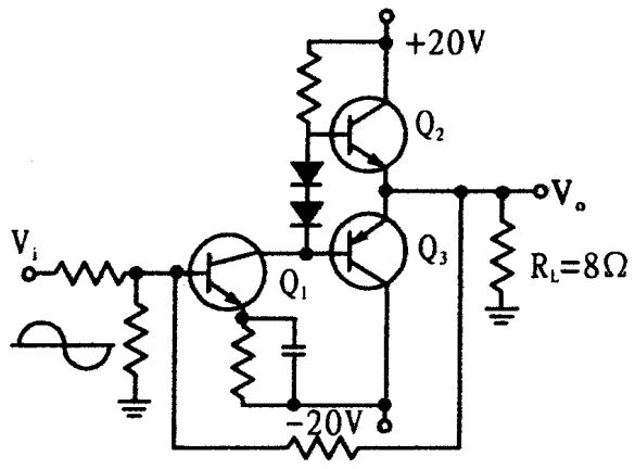
263. 如下圖所示電路之輸出級為________放大。
(A)A 類 (B)B 類 (C)C 類 (D)AB 類
264. 如下圖所示,當 Vi為正半週時,下列敘述何者為真?
(A)Q
1
導電,Q
2
導電,Q
3
不導電,V
0
為正 (B)Q
1
導電,Q
2
不導電,Q
3
導電,V
0
為負 (C)Q
1
導電,Q
2
導電,Q
3
不導電,V
0
為負 (D)Q
1
不導電,Q
2
導電,Q
3
不導電,V
0
為正 。
265. 如下圖所示,若 V
i
為弦波,在不失真情況下,輸出於 R
L
=8Ω之最大平均功率為
(A)50W (B)40W (C)25W (D)12.5W 。
266. 圖下中,欲使喇叭獲得最大功率,則變壓器數比 N
1
:N
2
為
(A)36:1 (B)1:36 (C)6:1 (D)1:6 。
267. 某放大器輸入功率為 0.01W,輸出功率為 10W,則功率增益為何? (A)10dB (B)20dB (C)30dB (D)40dB 。
268. 一放大器的功率增益為 10000,則此放大器之功率增益可以表示為 (A)40dB(B)4dB (C)20dB (D)10000dB 。
【已刪除】269. (本題刪題)某一放大器,其輸入訊號與輸出訊號的波形如下圖所示,則此放大器是屬於
(A)A (B)B (C)AB (D)C 類放大器。
270. 一個放大器的電流增益是 40,電壓增益是 250,則總功率增益是 (A)20dB(B)40dB (C)60dB (D)80dB 。
271. 所謂半功率點,是指電壓增益衰減到約中頻增益之 (A)0.5 (B)1 (C)1.414 (D)0.707 。
272. 效率最高的放大器是 (A)A 類 (B)B 類 (C)AB 類 (D)C 類 放大器。
273. OTL 放大器,其輸出的中點電壓為 (A)0V (B)1/2Vcc (C)2/3Vcc (D)1Vcc 。
274. 放大器的偏壓選擇不當,將引起 (A)波幅失真 (B)頻率失真 (C)相位失真 (D)輸入信號短路 。
275. 功率電晶體的集極與外殼通常接在一起,其最主要的目的是 (A)美觀 (B)製作方便 (C)容易辨認 (D)散熱較好 。
276. 下列何者不是達靈頓電路之特點 (A)高電壓增益 (B)高電流增益 (C)高輸入阻抗 (D)低輸出阻抗 。
277. 有一放大器將 1mV 信號放大至 10V,其電壓增益為 (A)20dB (B)40dB (C)60dB (D)80dB 。
278. 放大器之工作點在截止區者為 (A)AB 類放大 (B)B 類放大 (C)A 類放大 (D)C類放大 。
279. 一個三級放大電路,各級電壓分別為 10dB、20dB、30dB 則總電壓增益為(A)30dB (B)60dB (C)300dB (D)600dB 。
280. 音量單位(VU)參考值,它的定義為 (A)1 毫瓦功率消耗 500 歐姆 (B)1 毫瓦功率消耗 600 歐姆 (C)1 微瓦功率消耗 600 歐姆 (D)1 微瓦功率消耗 500 歐姆 。
281. 要瞭解放大器失真情形最準的儀器是 (A)互調失真表 (B)高諧波失真 (C)示波器 (D)頻譜分析儀 。
282. 下圖何者不是達靈頓電晶體符號? (A)
(B)
(C)
(D)
。
283. 某放大器,若在其輸出信號中產生輸入信號所沒有之新頻率,則此種現象稱為: (A)波幅失真 (B)頻率失真 (C)相位失真 (D)延遲失真 。
284. 沒有輸出電容器(OCL)之功率大器,採用直接交連的主要原因為 (A)改善低頻響應 (B)防止頻率漂移 (C)減少衰減 (D)減少干擾 。
285. 一 OTL 電子電路使用之 DC 電源電壓 64V,喇叭阻抗為 8Ω,則最大輸出功率為 (A)16W (B)32W (C)64W (D)20W 。
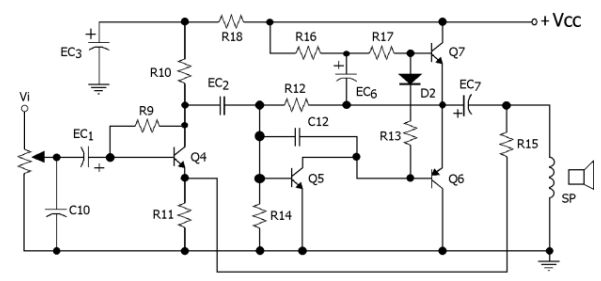
286. 如下圖為典型的 OTL 線路,其中用來抑制高頻振盪的電容器是
(A)C10 (B)EC
6
(C)EC
2
(D)C12 。
287. AB 類放大器會產生交叉失真,如何避免交叉失真? (A)更換對稱的電晶體(B)增加輸入信號之大小 (C)降低負載大小 (D)基極增加順向偏壓 。
288. 電晶體乙類推挽式擴音機,音量大時無顯著失真,音量小時失真增加。其原因為無訊號時之靜態 (A)集極電壓太低 (B)集極電壓太高 (C)集極電流太高(D)基極電壓太低 。
289. OCL 和 OTL 擴大機電路在比較上,下列何者有誤? (A)低頻諧波失真,OTL 比 OCL 為大 (B)OCL 有正負兩組電源供給,OTL 則為單一電源供給(C)OCL 省掉輸出電容 (D)OTL 比 OCL 失真率小 。
290. 下列有關 OTL 及 OCL 放大器之敘述何者錯誤? (A)OTL 放大器沒有輸出電容器 (B)OCL 放大器沒有輸出變壓器 (C)OTL 放大器只用一組電源,而 OCL放大器必須用正負兩組等值的電源 (D)OTL 放大器的輸入端多為共射極放大器 。
291. 推挽放大器是為了提高 (A)散熱效果 (B)穩定度 (C)叉失失真 (D)效率 。
292. 如下圖所示,為何類放大電路?
(A)A 類 (B)B 類 (C)AB 類 (D)C 類 。
293. 一電路對於各種頻率正弦波之延遲作用不一致是發生 (A)諧波失真 (B)相位失真 (C)互調變失真 (D)頻率失真 。
294. 輸入
,輸出何者代表振鈴現象? (A)
(B)
(C)
(D)
。
295. 輸入
,若高頻過度,則輸出為 (A)
(B)
(C)
(D)
。
296. 輸入
,若高頻不足,則輸出為(A)
(B)
(C)
(D)
。
297. 輸入
,若低頻不足,則輸出為 (A)
(B)
(C)
(D)
。
298. 輸入
,若低頻過度,則輸出為 (A)
(B)
(C)
(D)
。
299. OTL 聲頻功率放大器,省略變壓器之後,什麼響應會明顯改善? (A)高頻(B)中頻 (C)低頻 (D)雜訊 。
300. 在小音量時,為彌補人耳高、低音之不足,須使用之控制開關為 (A)Loudness (B)Balance (C)Treble (D)Bass 。
申論題 (0)
相關試卷
114年 - 02900 視聽電子 丙級 工作項目 06:收錄音機檢修 51-93(2025/10/16 更新)#132319
114年 · #132319
114年 - 02900 視聽電子 丙級 工作項目 06:收錄音機檢修 1-50(2025/10/16 更新)#132318
114年 · #132318
114年 - 02900 視聽電子 丙級 工作項目 05:音響檢修 401-443(2025/10/16 更新)#132317
114年 · #132317
114年 - 02900 視聽電子 丙級 工作項目 05:音響檢修 351-400(2025/10/16 更新)#132316
114年 · #132316
114年 - 02900 視聽電子 丙級 工作項目 05:音響檢修 301-350(2025/10/16 更新)#132315
114年 · #132315
114年 - 02900 視聽電子 丙級 工作項目 05:音響檢修 201-250(2025/10/16 更新)#132313
114年 · #132313
114年 - 02900 視聽電子 丙級 工作項目 05:音響檢修 151-200(2025/10/16 更新)#132312
114年 · #132312
114年 - 02900 視聽電子 丙級 工作項目 05:音響檢修 101-150(2025/10/16 更新)#132311
114年 · #132311
114年 - 02900 視聽電子 丙級 工作項目 05:音響檢修 51-100(2025/10/16 更新)#132310
114年 · #132310
114年 - 02900 視聽電子 丙級 工作項目 05:音響檢修 1-50(2025/10/16 更新)#132309
114年 · #132309