所屬科目:教甄◆電子科/資訊科/電機科/冷凍空調科/控制科/電機空調科
1.如下圖所示電路, 電流 I 大小 為何? (A) -4A。 (B) -2A。 (C) -1A。 (D) 0A。
2.如下圖所示電路,D1 及 D2 為順向電壓為 0.7V、順向電阻為 0Ω、反向電阻為無限大,若 R1=R2=R3= R4,則當 Vin=+1V 時,以下敘述 何者正確 ? (A) D1 導通、D2 導通,Vout=0.5V。 (B) D1 導通、D2 截止,Vout=0.15V。 (C) D1 截止、D2 導通,Vout=1.2V。 (D) D1 截止、D2 截止,Vout=0V。
3.如右圖所示電路,若 , k1=1mA/V2、k2=2mA/V2、 = 3V、= −2V、 = 1mA、 =2mA、 = 4V、 = 5V 時,以下敘述 何者錯誤 ? (A) RD1=5Ω。 (B) RD2=1.5Ω。 (C) AVT=Vo / Vi=60。 (D) AIT=Io/Ii=800。 (E)送分
4.如下圖所示電路,已知=1KΩ,β1=β2=99,求 AVT為多少 ?(請詳算) (A)25.6。(B) 30。(C) 35.6。(D) 40。
5.如下圖所示電路,為 CMOS 傳輸閘,以下敘述 何者正確 ? (A)布林代數為 B=A。 (B)當 B 為輸入時,A 為輸出。 (C)當 C=0 且 A=0 時,B=0。 (D)當 C=1 時,NMOS 導通、PMOS 截止。
6.有一波形 v(t) =1+ 4sin(314t +15°) + 4sin(314t+75°)V,以下敘述 何者錯誤 ? (A) t=2.5mS 時,產生第 1 個最大值。 (B)波形因數(F.F.)=5V。 (C)以三用電表 ACV 檔量測該波形,其測量值為 5 伏特。 (D)以三用電表 DCV 檔量測該波形,其測量值為 1 伏特。
7.根據右表所示資料,以下 敘述何者正確 ? (A) A 放大器的 RE 電阻沒有接射極旁路電容。 (B) B 放大器適合作高頻放大器。 (C) C 放大器比其他放大器更適合作功率放大器。 (D) D 放大器有可能是用射極回授電路做直流電路的放大器。
8.P 通道空乏型 MOSFET,VG=6V、VS=8V、夾止電壓 VP=3V,若欲使其工作在歐姆區,則 VD電壓 應如何? (A)。 (B)。 (C)。 (D)。
9.如下圖所示電路,假設 OPA 均為理想,若 V2-V1 = 3V, 則其輸出電壓 VO 應為多少 ? (A) VO =3V。 (B) VO =6V。 (C) VO =9V。 (D) VO =12V。
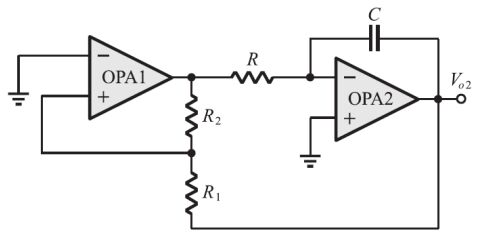
10.如下圖所示電路,假設 OPA 均為理想,若 R1 = 6KΩ、R2 =2KΩ、R = 100KΩ、C =0.1uF,OPA 輸出飽和電壓 | ± Vsat | = 15V,求 振盪頻率為多少 ? (A) 300Hz。 (B) 75Hz。 (C) 8.3Hz。 (D) 0Hz。
11.如下圖所示電路,假設 OPA 為理想,若 BJT 之 β=100, R1 = R2 = R3 = 3KΩ,=1KΩ,當 =6V,則 Vo 為多少 ? (A)12V。 (B)13V。 (C)14V。 (D)15V。
12.A 線圈有 100 匝,B 線圈有 200 匝,將 A、B 兩個線圈緊鄰放置,若 A 線圈在 1 秒內電流增加 6 A,使 得交鏈至線圈 B 的磁通由 0.2 Wb 增加至 0.35 Wb,則 A、B 線圈之間的 互感電勢為多少 ? (A)12V。 (B)18V。 (C)24V。 (D)30V。
13.有一導線,其電阻係數為m-Ω,導線長度為 62.8 m,線徑為cm,若將其均勻拉長,使其長度變為原來 2 倍並將其接上 10 V 直流電,試求經過 10 分鐘後導體電阻所 產生之熱能約為多少 ? (A)900 卡。 (B)1800 卡。 (C)3600 卡。 (D)7200 卡。
14.有關電學基本概念之敘述,以下敘述 何者錯誤 ? (A)基本電量為一個電子或質子所帶電量大小,一個基本電量為 庫侖。 (B)原子最外層軌道上的電子稱為價電子,價電子的數量可以決定物質的導電性。 (C)焦耳(J)與電子伏特(eV)皆為能量單位,且 1eV= 焦耳(J)。 (D)庫倫(C)與毫安時(mAh)皆為電量單位,且 1 mAh =3.6 庫倫(C)。
15.如下圖所示電路, Rab 大小為何 ? (A) 2Ω。 (B) 3Ω。 (C) 6Ω。 (D) 7Ω。
16.有關電容與靜電之敘述,以下敘述 何者錯誤 ? (A) 負電荷於電場中,若順著電場方向移動,則其電位下降,位能上升。 (B) 一台相機閃光管的工作電壓為 200 V,需要 5 J 的能量使閃光持續工作 1ms,至少需要 250uF 的電容才能 提供閃光燈的能量。 (C) 帶電金屬球體電荷均勻分布在球體表面,在球面電場強度(E)與電位(V)都是最大。 (D) 充飽電的平行板電容器,若將外加電壓移除,並把兩金屬極板之距離減半後,則兩極板間之電場強度將 加倍。
17.有一三相 Y 型平衡電感性負載,輸出實功率為 3600W、虛功率為 4800VAR,若其相電壓為 200V,則以下 敘述 何者錯誤 ? (A) 功率因數=0.6(落後)。 (B) 線電流=17.32A。 (C) 負載端電阻=12Ω。 (D) 負載端電感抗=16Ω。
18.如下圖所示電路,若電源頻率可調整,以下敘述 何者錯誤 ? (A) 當電源頻率為諧振頻率時,電路呈現純電阻性,輸出實功率最大。 (B) 當電路諧振時,品質因數為 Q,則電阻器上電流為的 Q 倍。 (C) 品質因數 Q 越大表示諧振電路頻寬越窄,對頻率的選擇能力越好。 (D) 當電源頻率由 0 增加到無限大時,電路由電感性轉為電容性,電路 阻抗先增後減。
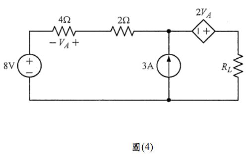
19.如下圖所示電路,試求 4A 電流源提供或消耗多少功率 ? (A) 提供 48W。 (B) 消耗 48W。 (C) 提供 96W。 (D) 消耗 96W。
20.RLC 串聯電路中,若電源電壓為 100V、R = 2Ω、L = 1mH、C = 1.6μF,若欲將 Q 值變成 2 倍,但不要 影響諧振頻率,以下敘述 何者正確 ? (A) R=4Ω、Q=12.5。 (B) R=1Ω、Q=25。 (C) L=4 mH、Q=12.5。 (D) C=0.4μF、Q=25。
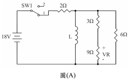
一、如圖(A)所示電路,開關 SW1 在位置 1 時電路呈穩定狀態,當開關 SW1 切到位置 2 的 瞬間 ,VR= ① V。
二、如圖(B)所示為低頻正弦波 RC 相移振盪電路,其中 R =1.3KΩ、C = 3nF,若要使電路產生振盪功能時, = ② Ω。
三、續上題,振盪頻率 f= ③ Hz。(√6 ≅ 2.45)
四、如圖(C)所示電路,假設 OPA 為理想,若 Vi=4V,運算放大器的飽和電壓為±13V,則 VA= ④ V。
五、如圖(D)所示為偏壓型非反相施密特觸發器,已知 R1=5KΩ,R2=20KΩ,輸出飽和電壓±12V,當 = 2V 時,遲滯電壓 = ⑤ V。
六、有一交流系統,電源電壓 v(t) =100√2in100tV,負載消耗的平均功率為 4KW,功率因數為 0.8(滯後),若 欲提高系統的功率因數至 1.0,需並聯電容器的容量= ⑥ 。
七、如圖(E)所示電路,調整電容使電路達諧振狀態,當電路發生諧振時,品質因數 Q= ⑦ 。
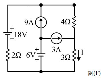
八、如圖(F)所示電路,電流 I= ⑧ A。
九、如圖(G)所示電路,OPA 除開迴路電壓增益 AVO是有限大小外,其他特性皆為理想。已知 R1=10MΩ、R2= 1KΩ。當輸入 為 2V 時,輸出電壓 VO的量測顯示 2V,求該 OPA 開迴路電壓增益 = ⑨ 。
十、如圖(H)所示電路,OPA 為理想,電晶體特性相同且β值很大,導通時=0.7V。已知 R1=R2 且為 1.2V,當輸入電壓 VI=4.5V 時,輸出電壓 VO= ⑩ V。
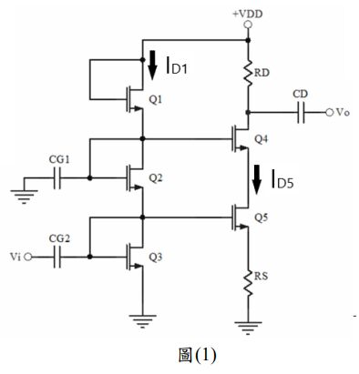
參、計算題: 一、如圖(1)所示電路,已知所有 MOSFET 皆相等,k =1mA/V2、臨界電壓 Vt=1V,VDD=9V、RD=2KΩ、RS= 1KΩ,求 、Av 為多少?
二、如圖(2)所示電路,已知 R2=3R1,OPA 與二極體皆為理想,請畫出輸出與輸入 之轉換曲線。(X 軸為、Y 軸為 ,需註明斜率)
三、如圖(3)所示電路,已知 M1 與 M2 為同一個材料所製成,其中 M1 晶體之 W1=90um、L1=3um,M2 晶體之 W2=10um、L2=3um 且 k2=150uA/V2。若 M1 偏壓在飽和區,求 Vo/Vi=?
四、如圖(4)所示電路,當 有最大功率時, 為多少?此時 最大功率為多少?