所屬科目:教甄◆電子科/資訊科/電機科/冷凍空調科/控制科/電機空調科
1.某一個2000W的電動機,效率80%,若利用此電動機將10公升的水由30°C加熱至100°C,所需之時間大約需要多少秒?(A)1823(B)2000(C)2200(D)2500
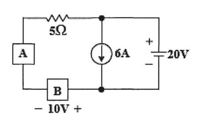
2.如圖所示電路,若已知20V電壓源消耗功率80W,則下列敘述何者有錯誤?(A)電路總消耗功率P為800W(B)6A電流源消耗功率為120W(C)元件A消耗功率為800W(D)元件B消耗功率為100W
3.如圖所示電路,已知 \( I = \alpha V_S + \beta I_S \),求係數 \( \alpha \) =?(A)2/3(B)5/9(C)11/18(D)12/11
4.如圖所示電路,求其中電流 I4 多少?(A)1.6A(B)2.4A(C)4A(D)6.6A
5.如圖所示電路,求其中電流I多少?(A)2A(B)-3A(C)0A(D)3A
6.如圖所示電路,電容C各10μF,開關S由A點切到B端,已知電容 \( C_2 \) 之初始電壓值為0V,試求電容 \( C_2 \) 之電壓?(A)10V(B)12V(C)14V(D)24V
7.如圖所示電路,若電流方程式 \( i(t) = 10^{-t+5} \) 安培,試求在 t=3 秒時,電壓 \( E_{ab} \) 值為多少?
(A)180mV(B)240mV(C)360mV(D)480mV
8.如圖所示,若兩平行導線通以同方向電流且 \( I_1=3A \),\( I_2=5A \),每段長度均為20公分,相距5公分置於空氣中,則兩平行載流導體間的作用力為多少?(A) \( 6 \times 10^{-6} \) 牛頓互相斥力(B) \( 2 \times 10^{-5} \) 牛頓互相斥力(C) \( 12 \times 10^{-5} \) 牛頓互相斥力(D) \( 1.2 \times 10^{-5} \) 牛頓互相吸力
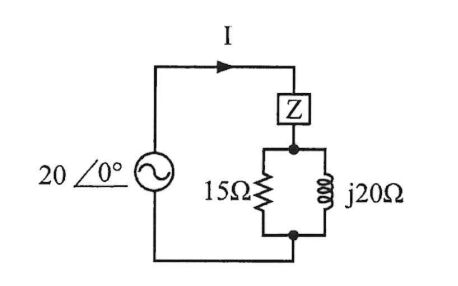
9.如圖所示電路,穩態電流 \( I=1\angle 0° \) A,則阻抗Z值為多少Ω?(A)7.2+j10.4(B)10.4+j7.2(C)7.2-j10.4(D)10.4-j7.2
10.如圖所示電路,下列所求何者正確?(A)視在功率S=1800VA(B)實功率P=1200W(C)最大瞬時功率 \( P_{max}=600(3+\sqrt{13}) \) W(D)電路總功率因數 \( PF=2\/\sqrt{13} \)
11.如圖所示電路,已知量測電路中三個未知負載的功率因數PF及各負載的功率S或功率P或虛功率Q,試求總電路電壓V的大小為:(A)14.1V(B)65V(C)81V(D)100V
12.如圖所示電路,若將圖中 \( 100\angle 0° \) 之電源拆開後,則 \( V_{ab} \) 為:(A)0(B) \( 100\angle 0° \) V(C) \( 200\angle 0° \) V(D) \( 200\angle 180° \) V
13.如圖所示電路,穩態電流 \( I=1\angle 0° \) A,則阻抗Z值為多少Ω?(A)7.2+j10.4(B)10.4+j7.2(C)7.2-j10.4(D)10.4-j7.2
14.有一3mH之電感器,在 \( t \geq 0 \) 秒時,其端電流 \( i(t)=10-10e^{-100t}(3\cos 200t+4\sin 200t) \) A,則在t=0秒時,此電感器磁場存之能量為:(A)150(B)600(C)1500(D)2400 mJ
15.如圖所示,磁通密度為5韋伯\/平方公尺(×表示磁場方向),導體長度2公尺,以3公尺\/秒速率前去移動(如V方向),則其感應電勢為:(A)0(B)10(C)15(D)17.32 V
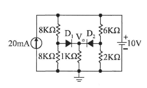
16.如圖所示電路,二極體具理想特性,試求 \( V_o \) 之值約為何?(A)1.11V(B)1.52V(C)2.52V(D)3.22V
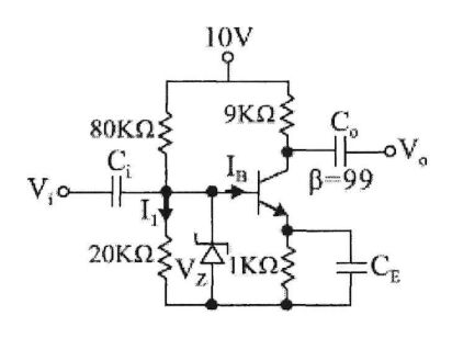
17.如圖所示電路,電晶體 \( V_{BE}=0.7V \),\( V_{CE(sat)}=0.2V \) 且飽和,二極體(Zener)崩潰電壓 \( V_Z=4V \),則電流 \( I_a \) 為何?(A)11.3μA(B)13.3μA(C)15μA(D)20μA
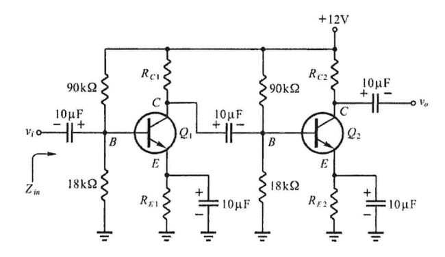
18.如圖所示電路,電晶體 \( Q_1 \) 之β為199,\( Q_2 \) 之β為99,\( V_{BE} \) 均為0.7V,\( V_T=26mV \),\( R_1=1.3k\Omega \),\( R_2=663\Omega \),各電晶體均操作在主動區,輸入阻抗 \( Z_{in} \) 約為?(A)7.8kΩ(B)4.02kΩ(C)2.74kΩ(D)1.8kΩ
19.如圖所示電路,OPA為理想運算放大器,已知穩壓二極體(Zener)崩潰電壓 \( V_Z=6V \),試求輸出電壓 \( V_o \) 為何?(A)-6V(B)-10V(C)-12V(D)-15V
20.如圖所示,某OPA運算放大器迴轉率(Slew Rate)為1.2 V\/μs,其輸出信號如圖為一峰值±15V的對稱三角波,則在不失真的情況下,試求此信號頻率為何?
(A)10kHz(B)20kHz(C)25kHz(D)50kHz
21.如圖所示電路,OPA為理想運算放大器,為史密特(Schmitt)觸發電路,試求此電路之遲滯電壓 \( \Delta V_H \) 為何?(A)2V(B)3.7V(C)5.8V(D)7.2V
22.如圖所示電路,穩壓二極體(Zener)崩潰電壓 \( V_Z=8V \),此穩壓二極體之消耗功率大小為多少?
(A)16mW(B)24mW(C)64mW(D)80mW
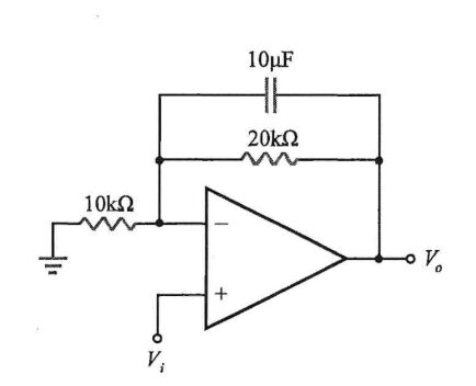
23.如圖所示電路,若 \( V_i=+5V \),求 \( V_o \) 為?(A)-2.5V(B)+2.5V(C)-5V(D)+5V
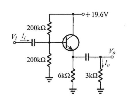
24.如圖所示電路,電晶體工作於作用區,β=99,\( V_{BE}=0.7V \),熱電壓(thermal voltage) \( V_T=26mV \),則此放大電路之電流增益 \( A_i = I_o \/ I_i \) 約為何值?
(A)30.2(B)28.4(C)25.6(D)22.2
25.如圖所示電路,設 \( V_i \) 為振幅1V之對稱三角波,運算放大器為理想運算放大器,若紅色LED亮2秒,綠色LED亮3秒,重複持續觸發,則 \( V_i \) 電壓應調整為:(A)-0.1V(B)0.1V(C)0.2V(D)0.3V
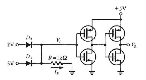
26.如圖所示MOSFET數位電路輸入與輸出關係為何?(A) \( Y = A+B+C \)(B) \( Y = \overline{A+B+C} \)(C) \( Y = ABC \)(D) \( Y = \overline{ABC} \)
27.如圖所示電路,假設二極體切入電壓為0V時,試求流經電阻R上的電流 \( I_R \) 與輸出電壓 \( V_o \) 各為何?(A)5mA,0V(B)2mA,0V(C)2mA,5V(D)5mA,5V
28.如圖所示電路,已知OPA為理想運算放大器,\( V_{BE}=0.7V \),\( V_{CE(sat)}=0.2V \),若 \( R_B=68k\Omega \),則 \( V_o \) 約為:(A)-2.5V(B)2.5V(C)-5V(D)5V
29.如圖所示電路,OPA為理想運算放大器,試求此電路在共振頻率時電壓增益約為何?
(A)0dB(B)-10dB(C)-15dB(D)-20dB
30.如圖所示,全波整流濾波後之輸出電壓波形如圖所示,其漣波因數百分比γ%約為多少?
(A)4.24%(B)5.77%(C)6.82%(D)7.37%
1.如圖所示電路,試求電流 \( I_{out} \) = ___ A
2.如圖所示電路,\( V_1=60\sin(t) \),\( V_2=60\sin(t+60°) \),\( V_3=80\sin(3t) \),試求5Ω電阻所消耗的平均功率 \( P_{5\Omega} \) = ___ W
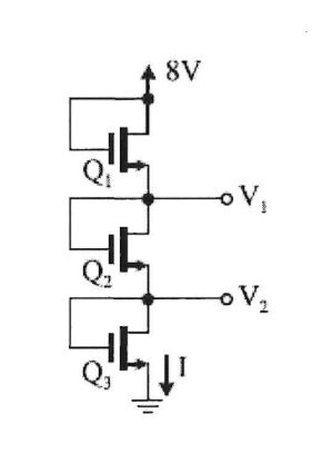
3.如圖所示電路,這所有電晶體Q1、Q2、Q3的參數 \( V_t=1V \),\( \mu_n C_{ox}=20mA\/V^2 \),電晶體參數 \( K = \frac{1}{2} \mu_n C_{ox} \frac{W}{L} \)。已知電路正常工作時,穩態電流I=40mA,\( V_1=5V \),\( V_2=3V \),試求三個電晶體的通道寬長比 \( (W\/L)_1 : (W\/L)_2 : (W\/L)_3 \) = ___
4.如圖所示電路,若 \( \beta_1 = \beta_2 = 50 \),\( r_{\pi 1} = r_{\pi 2} = 1k\Omega \),已知輸入電壓為 \( v_s(t) = 0.1\sin \omega t \) (mV),試求輸出電壓 \( v_o(t) \) = ___
5.如圖所示電路,OPA為理想運算放大器,若 \( R_1=20k\Omega \),\( R_2=40k\Omega \),\( R_3=10k\Omega \),\( C=0.01\mu F \),試求 \( V_{o1} \) 及 \( V_{o2} \) 的波形為 ___。若OPA輸出飽和電壓 \( V_{sat}=\pm 12V \),試求其 \( V_{o1} \) 的峰對峰值為 ___ V
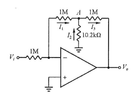
6.如圖所示電路,OPA為理想運算放大器,其電壓增益 \( A_V \) 約= ___
7.如圖所示電路,如圖所示之數位邏輯電路,其輸出 Y = ___