阿摩線上測驗
登入
首頁
>
技檢◆模具-塑膠射出模具-乙級
> 115年 - 18402 模具-塑膠射出模具 乙級 工作項目 02:刀具選用、磨削及整修 1-56(2026/01/05 更新)#136187
115年 - 18402 模具-塑膠射出模具 乙級 工作項目 02:刀具選用、磨削及整修 1-56(2026/01/05 更新)#136187
科目:
技檢◆模具-塑膠射出模具-乙級 |
年份:
115年 |
選擇題數:
56 |
申論題數:
0
試卷資訊
所屬科目:
技檢◆模具-塑膠射出模具-乙級
選擇題 (56)
1. 一般成型用銑刀之材質採用 (A)低碳鋼 (B)中碳鋼 (C)高碳鋼 (D)高速鋼 。
2. 一般標準塑膠模座之模板所用之鋼料材質為 (A)低碳鋼 (B)中碳鋼 (C)高碳鋼(D)高速鋼 。
3. 一般鑽頭的螺旋角度是_______ 度。(A)15 (B)25 (C)35 (D)45
4. 大型模具工件深冷卻水孔的處理,宜選用下列何種加工方式? (A)使用電鑽鑽孔 (B)在銑床上鑽孔 (C)在鏜床使用槍鑽 (D)使用桌上鑽床 。
5. 圓形工件在銑床上加工時,宜選用何種方式固定工件? (A)平行夾 (B)鯉魚鉗 (C)C形夾 (D)V形枕 。
6. 砂輪是磨削工具,其構成要素為 (A)磨料、結合劑、組織 (B)磨粒、顏色、大小 (C)結合劑、顏色、氣孔 (D)磨粒、顏色、形狀 。
7. 砂輪磨粒銳刃經研磨鈍化後,於研磨工作中,如何自生新的銳刃? (A)磨粒連同結合劑一起脫落 (B)換磨粒顏色 (C)加快轉速 (D)重新燒結 。
8. 砂輪週轉速大時,下列何者錯誤? (A)磨削抵抗小 (B)發熱程度大 (C)砂輪磨耗小 (D)安全性佳 。
9. 將砂輪及心軸置於一無摩擦的水平軌道上,可以在任一位置保持靜止的狀態稱為 (A)動平衡 (B)水平法 (C)靜平衡 (D)平行法 。
10. 一般砂輪廣泛使用的削整器是 (A)鎢鋼刀 (B)工具鋼 (C)鑽石 (D)銼刀 。
11. 削整砂輪時,削整器應順著砂輪旋轉方向傾斜幾度? (A)0~5 (B)10~15 (C)20~25 (D)30~35 。
12. 工件經研磨後,表面粗糙度以_____ 表示之。(A)Ra (B)Rmax (C)Rx (D)Ry
13. 平面研磨時,發生不規則的刮傷或魚尾紋之原因,下列何者錯誤? (A)磨削液裡有磨屑 (B)磨屑自砂輪保護罩上滴下 (C)磨削液體充足 (D)進刀量大 。
14. 平面研磨時,發生工件物燒焦現象之原因,下列何者錯誤? (A)磨削深度太淺 (B)磨削液不足 (C)砂輪太硬 (D)在小面積上重磨削 。
15. 磨削加工進刀量大的影響,下列何者錯誤? (A)磨削抵抗大 (B)發熱程度大(C)砂輪面平滑 (D)加工表面粗 。
16. 下列何者常用於模具冷卻水孔的管牙簡稱? (A)PP (B)RP (C)PT (D)PR 。
17. 直柄螺旋刃鉸刀,其用途只限於 (A)盲孔用 (B)通孔用 (C)擴孔用 (D)叉孔用 。
18. 手鉸刀用手工操作所以切削慢,其製造材質用 (A)中碳鋼 (B)高碳鋼 (C)鎢鋼(D)高速鋼 。
19. 加工頂出銷孔,為了得到真圓孔及精確尺寸與良好的表面光度,使用之刀具是 (A)鑽頭 (B)銑刀 (C)鉸刀 (D)中心鑽 。
20. 鑽孔與沉頭孔若要一次加工完成,常使用之刀具是 (A)曲軸鑽頭 (B)階級鑽頭 (C)倒角刀 (D)銑刀 。
21. 鉸刀被夾住或折斷發生之原因,下列何者錯誤? (A)孔徑過大 (B)預留孔徑不足 (C)刀刃的錐度過小 (D)刀刃磨損太大 。
22. 攻製內螺紋時,主要的切削過程是由絲攻的那一部分完成? (A)錐部 (B)直部 (C)尾部 (D)溝槽 。
23. 3 支一組之絲攻的第一攻,其錐度導入長度約 (A)2 齒 (B)3 齒 (C)4 齒 (D)6齒 。
24. 3 支一組之絲攻的第二攻,其錐度導入長度約 (A)2 齒 (B)4 齒 (C)6 齒 (D)8齒 。
25. 3 支一組之絲攻的第三攻,其錐度導入長度約 (A)2 齒 (B)4 齒 (C)6 齒 (D)8齒 。
26. 具有螺旋溝槽及螺旋端的絲攻,能由進刀方向排屑,適用於何種攻牙?(A)盲孔 (B)通孔 (C)沉頭孔 (D)錐形孔 。
27. ISO 公制內螺牙之公差範圍,以英文字如何表示? (A)小寫字母 a 到 h (B)大寫字母 A 到 H (C)小寫字母 k 到 m (D)大寫字母 K 到 M 。
28. ISO 公制外螺牙之公差範圍,以英文字如何表示? (A)小寫字母 a 到 h (B)大寫字母 A 到 H (C)小寫字母 k 到 m (D)大寫字母 K 到 M 。
29. ISO 公制內螺牙公差範圍,大寫字母 A 到 G 之基準螺距偏差,表示 (A)正向 (B)負向 (C)正負向 (D)不同向 。
30. ISO 公制外螺牙公差範圍,小寫字母 a 到 g 之基準螺距偏差,表示 (A)正向 (B)負向 (C)正負向 (D)不同向 。
複選題
31. 造成鉸孔表面光度不足之原因為 (A)鉸刀變鈍 (B)進刀太快 (C)工件夾持不穩(D)切削液太多 。
複選題
32. 平面磨削工作中,下列何者是造成工件表面成波浪紋路之原因? (A)砂輪不平衡 (B)機台振動 (C)砂輪未鎖緊 (D)砂輪轉速太快 。
複選題
33. 欲精磨削應選擇下列何種方式? (A)高切削速度,小進給速率 (B)高切削速度,大進給速率 (C)低切削速度,大進給速率 (D)使用結合度較高之砂輪 。
複選題
34. 磨削碳化鎢時,何種磨料不適當? (A)碳化矽 (B)鑽石 (C)WA (D)PA 。
複選題
35. 平面研磨時,可使用下列何種切削劑? (A)調水油 (B)硫化油 (C)機油 (D)煤油 。
複選題
36. 如下圖所示,欲成形磨削圓弧時,利用 R 成形器作砂輪修整,凸 R 之計算公式何者錯誤?
(A)R=H-M (B)R=Y-M (C)R=M+Y (D)R=M-Y 。
複選題
37. 一般氧化鋁磨削加工,砂輪圓周速的上限及下限為何? (A)下限為2500m/min 以上 (B)下限為 1200m/min 以上 (C)上限為 500m/min 以下 (D)上限為 1800m/min 以下 。
複選題
38. 修整砂輪外緣時,修整器置於床台,其鑽石刀刃應指向砂輪哪一側?(A)順向偏右
(B)順向偏左
(C)中心下方
(D)逆向偏左
。
複選題
39. 下列何種正多角形不可直接在沖子成形器上分度成型? (A)5 角形 (B)6 角形 (C)7 角形 (D)16 角形 。
複選題
40. 利用鑽石砂輪修整器修整砂輪時,下列敘述何者正確? (A)粗修整量在0.03 公厘以內 (B)修整器橫向(前後)移動速度需等速 (C)需加切削劑 (D)修整器放置好不必吸磁 。
複選題
41. 平面磨床不可使用下列何者操作清潔保養工作? (A)可用煤油潤滑床軌 (B)可用機油潤滑床軌 (C)可用吸塵器清潔機台 (D)可用空氣槍清潔機台 。
複選題
42. 對碳化矽磨料之敘述何者正確? (A)有黑色及綠色兩種 (B)有紅色及綠色兩種 (C)黑色碳化矽適用於抗拉強度較低之鑄鐵 (D)紅色碳化矽純度較高,硬度較高適用於磨削超硬合金、碳化物等 。
複選題
43. 砂輪選用原則,下列何者正確? (A)工件表面要求光度高時,應選用硬砂輪 (B)砂輪轉速高用軟砂輪 (C)磨削軟材料用硬砂輪,磨削硬材料用軟砂輪(D)工件移動速度快用軟砂輪 。
複選題
44. 下列何種砂輪檢查項目有問題時,必須更換砂輪? (A)外觀檢查 (B)音響檢查 (C)疲勞檢查 (D)平衡檢查 。
複選題
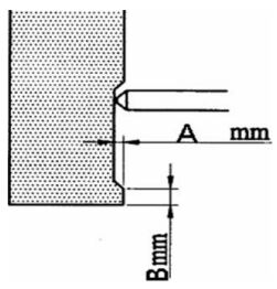
45. 如下圖所示,修整砂輪側面時 A 與 B 尺寸何種正確?
(A)B 應大於 10mm以上 (B)A 應大於 2mm 以上 (C)B 應小於 2mm 以下 (D)A 應小於 0.5mm 以下 。
複選題
46. 下列何種銑刀端面無刃齒? (A)平銑刀 (B)開縫鋸割銑刀 (C)T 形槽銑刀 (D)半圓鍵座銑刀 。
複選題
47. 下列有關銑刀的選擇,何項正確? (A)工件材料軟,用大的徑向斜角 (B)T型槽銑刀與半圓鍵銑刀的差別在 T 型槽銑刀的側邊面有刃口 (C)選擇太小的銑刀會增加刀桿撓曲度 (D)銑削鋼料時銑刀直徑約為刀間距的
倍 。
複選題
48. 下列何種銑刀能銑直槽? (A)平側銑刀 (B)切槽銑刀 (C)平銑刀 (D)交錯刃側銑刀 。
複選題
49. 下列何項銑削不是成形銑削? (A)面銑刀銑平面 (B)側銑刀銑側面 (C)端銑刀銑直槽 (D)輪廓銑刀銑輪廓 。
複選題
50. 有關銑削工作之敘述,下列何者正確? (A)車床的床軌可以用排銑一次銑成 (B)半月鍵座不可以用鋸割銑刀完成 (C)T 型槽銑刀可以將床檯之 T 槽一次銑成 (D)騎銑必須利用兩隻側銑刀 。
複選題
51. 有關銑刀之敘述,下列何者正確? (A)T 型銑刀端面有刀齒 (B)半月鍵銑刀端面有刀齒 (C)側銑刀側面有刀齒,圓週面則無 (D)端銑刀排屑槽深度,越靠近柄端越淺 。
複選題
52. 選用螺旋齒粗銑刀的優點為何? (A)動力消耗較少 (B)銑刀有較大的銑切空間 (C)加工表面精度良好 (D)排屑效果好 。
複選題
53. 有關銑刀的敘述,下列何者正確? (A)齒輪銑刀是一種角度銑刀 (B)鳩尾槽銑刀是一種角度銑刀 (C)T 型半月鍵銑刀和 T 槽銑刀之刀刃是相同的 (D)側銑刀內孔有鍵座 。
複選題
54. 有關銑刀之敘述,下列何者正確? (A)端銑刀的刀刃在刀桿周邊和底端 (B)鋸割銑刀是較薄之平銑刀或側銑刀 (C)T 型半月鍵銑刀有側刀齒 (D)T 槽銑刀有側刀齒 。
複選題
55. 有關銑刀之敘述,下列何者正確? (A)重切削選用刀刃數較多的銑刀 (B)大螺旋角銑刀之排屑阻力小 (C)選用銑刀大小時,刀軸間隔環應不干涉工件(D)一般銑削銑刀傾角為 10°~15° 。
複選題
56. 銑刀軸規格 NO50-25.4-B-457 下列敘述何者正確? (A)50 是指刀柄錐度號數 NT50 (B)刀軸直徑 25.4mm (C)刀軸長度 457mm (D)間隔環寬 25.4mm 。
申論題 (0)
相關試卷
115年 - 18402 模具-塑膠射出模具 乙級 工作項目 06:塑膠材料 1-37(2026/01/05 更新)#136197
115年 · #136197
115年 - 18402 模具-塑膠射出模具 乙級 工作項目 05:機具維護 51-89(2026/01/05 更新)#136196
115年 · #136196
115年 - 18402 模具-塑膠射出模具 乙級 工作項目 05:機具維護 1-50(2026/01/05 更新)#136195
115年 · #136195
115年 - 18402 模具-塑膠射出模具 乙級 工作項目 04:檢查 51-72(2026/01/05 更新)#136194
115年 · #136194
115年 - 18402 模具-塑膠射出模具 乙級 工作項目 04:檢查 1-50(2026/01/05 更新)#136193
115年 · #136193
115年 - 18402 模具-塑膠射出模具 乙級 工作項目 03:模具製作及修整 201-258(2026/01/05 更新)#136192
115年 · #136192
115年 - 18402 模具-塑膠射出模具 乙級 工作項目 03:模具製作及修整 151-200(2026/01/05 更新)#136191
115年 · #136191
115年 - 18402 模具-塑膠射出模具 乙級 工作項目 03:模具製作及修整 101-150(2026/01/05 更新)#136190
115年 · #136190
115年 - 18402 模具-塑膠射出模具 乙級 工作項目 03:模具製作及修整 51-100(2026/01/05 更新)#136189
115年 · #136189
115年 - 18402 模具-塑膠射出模具 乙級 工作項目 03:模具製作及修整 1-50(2026/01/05 更新)#136188
115年 · #136188