阿摩線上測驗
登入
首頁
>
技檢◆模具-塑膠射出模具-乙級
> 115年 - 18402 模具-塑膠射出模具 乙級 工作項目 06:塑膠材料 1-37(2026/01/05 更新)#136197
115年 - 18402 模具-塑膠射出模具 乙級 工作項目 06:塑膠材料 1-37(2026/01/05 更新)#136197
科目:
技檢◆模具-塑膠射出模具-乙級 |
年份:
115年 |
選擇題數:
37 |
申論題數:
0
試卷資訊
所屬科目:
技檢◆模具-塑膠射出模具-乙級
選擇題 (37)
1. 下列何種塑膠之比重最輕? (A)聚乙烯(PE) (B)聚丙烯(PP) (C)聚苯乙烯(PS)(D)聚氯乙烯(PVC) 。
2. 下列何種塑膠之黏著性最佳? (A)酚樹脂(phenol resins) (B)環氧樹脂(epoxyresins) (C)聚氯乙烯樹脂(PVC) (D)三聚氰胺樹脂(melamine) 。
3. 塑膠在工業界最早的用途為 (A)電器絕緣 (B)產品包裝 (C)玩具 (D)運動器材 。
4. 最常用於製作鏡面加工之模具材料為 (A)SKD61 (B)NAK80 (C)S60C (D)SKH9 。
5. 一般作為冰箱內箱之塑膠材料為 (A)FRP (B)PVC (C)PS (D)PA 。
6. 保麗龍是將何種塑膠材料加入發泡劑,經發泡處理而成? (A)ABS (B)PVC(C)PP (D)PS 。
7. 欲使塑膠射出成品之機械強度提高,可在塑膠材料中加入何種填充料? (A)雲母 (B)石棉 (C)石墨 (D)玻璃纖維 。
8. 最簡易之塑膠識別方法為 (A)敲擊法 (B)摩擦法 (C)定性分析法 (D)燃燒法 。
9. 塑膠之變形狀態,依溫度由低而高之順序為 (A)玻璃狀態、可塑化狀態、高彈性狀態、裂解狀態 (B)玻璃狀態、高彈性狀態、可塑化狀態、裂解狀態(C)可塑化狀態、玻璃狀態、高彈性狀態、裂解狀態 (D)高彈性狀態、玻璃狀態、可塑化狀態、裂解狀態 。
10. 下列何種塑膠之成形性較差? (A)PE (B)PP (C)PVC (D)PS 。
11. 機車安全帽為達到保護頭部之效果,應使用下列何種材質製造? (A)PE (B)PC (C)PP (D)PVC 。
12. 工業用塑膠齒輪之機械強度要求甚高,一般使用下列何種材質製造? (A)PE(B)PS (C)PP (D)POM 。
13. 對於塑膠流動產生剪切應力之計算公式,下列何者正確? (A)剪切應力=黏度×剪切速率 (B)剪切應力=黏度×剪切速度 (C)剪切應力=黏度×流動速度 (D)剪切應力=剪切力×面積 。
14. 結晶形塑膠之結晶化狀態,主要取決於下列何種因素? (A)射出速度 (B)射出壓力 (C)冷卻速度 (D)保壓壓力 。
15. 射出率( )是指單位時間內從噴嘴射出的熔融塑料的最大容積,通常以下列何者公式表示? (A)射出率=射出容積×射出速度 (B)射出率=射出螺桿斷面積×射出時間 (C)射出率=射出螺桿斷面積×螺桿前進速度 (D)射出率=射出容積×螺桿前進速度 。
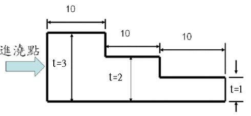
16. 一個塑膠成品如下圖所示,則充填此成品之流動比為
(A)18.3 (B)20.3 (C)22.3(D)24.3 。
17. 頂出銷如果使用 SACM 材質時,為增加耐磨性,則應選用何種方式熱處理? (A)油淬火 (B)氣體滲碳 (C)液體滲碳 (D)氮化法 。
18. 使用大型電極做粗放電加工,應使用下列何種材質製造較為適當? (A)銅鎢(B)紅銅 (C)黃銅 (D)石墨 。
19. 射出成形件之抗拉強度常隨厚度之減少而提高,這是因為厚度愈薄 (A)愈容易射飽 (B)分子鏈方向性愈一致 (C)流動性愈佳 (D)愈不容易射飽 。
20. 射出成形件,在何處其剪切率最大? (A)表面 (B)中心 (C)距離表面一些距離(D)都相等 。
21. 塑膠在融熔狀態,其組織是屬於哪一態? (A)結晶態 (B)半結晶態 (C)非結晶態 (D)不一定 。
22. 大部份塑膠材料,原子間之結合方式為下列何者? (A)離子鍵 (B)共價鍵 (C)金屬鍵 (D)氫鍵 。
23. 有機材料與下列何者有關? (A)氧原子 (B)磷原子 (C)氮原子 (D)碳原子 。
24. 如果是烯類材料,其單體有二個碳的塑膠材料叫 (A)聚甲烯 (B)聚乙烯 (C)聚丙烯 (D)聚丁烯 。
25. 研究黏性流體之流動叫 (A)量子力學 (B)塑性力學 (C)彈性力學 (D)流變學 。
26. HDPE,請問 HD 之意思是 (A)高強度 (B)高溫度 (C)高密度 (D)高剛性 。
27. 如果塑膠產品要保持其剛性,則應在何種溫度以下? (A)玻璃轉換溫度 (B)熔點 (C)裂解溫度 (D)熱變形溫度 。
28. 大部份的塑膠加工溫度約在 (A)100℃以下 (B)180-260℃ (C)300-400℃ (D)400℃以上 。
29. 關於熱塑性塑膠,下列敘述何者錯誤? (A)溫度上升則黏度下降 (B)加熱後熔化,冷卻後固化,且可反覆進行 (C)可回收再利用 (D)受熱時內部產生交連反應 。
30. 塑膠與金屬的一般性質比較,下列何者錯誤? (A)比重:金屬>塑膠 (B)熱傳導係數:金屬>塑膠 (C)機械強度:金屬>塑膠 (D)熱膨脹係數:金屬>塑膠 。
31. 大部份熱塑性塑膠的黏度,隨溫度的上升而 (A)上升 (B)下降 (C)不變 (D)不一定 。
32. 塑膠的熔融指數(MI)愈大,表示流動性 (A)愈佳 (B)愈差 (C)沒影嚮 (D)不一定 。
33. 有關塑膠加入碳酸鈣所產生之變化,下列何者錯誤? (A)耐熱性增加 (B)抗拉強度增加 (C)尺寸安定性增加 (D)硬度增加 。
34. 為了增加塑品耐寒性,使其在低溫不易變脆,可加入 (A)可塑劑 (B)潤滑劑(C)安定劑 (D)發泡劑 。
35. 塑膠複合材料是指母材加基材,其中基材又稱強化材,主要是指 (A)碳酸鈣(B)滑石 (C)玻璃纖維 (D)石墨 。
36. 塑膠材料加工前乾燥不夠,則易使成品產生 (A)銀條 (B)凹陷 (C)燒焦 (D)變形 。
37. 材料的吸濕性愈高,射出成形前應注意事項,下列何者正確? (A)將烘料時間加長 (B)將烘料時間縮短 (C)降低烘料溫度 (D)成形前不需做烘料準備 。
申論題 (0)
相關試卷
115年 - 18402 模具-塑膠射出模具 乙級 工作項目 05:機具維護 51-89(2026/01/05 更新)#136196
115年 · #136196
115年 - 18402 模具-塑膠射出模具 乙級 工作項目 05:機具維護 1-50(2026/01/05 更新)#136195
115年 · #136195
115年 - 18402 模具-塑膠射出模具 乙級 工作項目 04:檢查 51-72(2026/01/05 更新)#136194
115年 · #136194
115年 - 18402 模具-塑膠射出模具 乙級 工作項目 04:檢查 1-50(2026/01/05 更新)#136193
115年 · #136193
115年 - 18402 模具-塑膠射出模具 乙級 工作項目 03:模具製作及修整 201-258(2026/01/05 更新)#136192
115年 · #136192
115年 - 18402 模具-塑膠射出模具 乙級 工作項目 03:模具製作及修整 151-200(2026/01/05 更新)#136191
115年 · #136191
115年 - 18402 模具-塑膠射出模具 乙級 工作項目 03:模具製作及修整 101-150(2026/01/05 更新)#136190
115年 · #136190
115年 - 18402 模具-塑膠射出模具 乙級 工作項目 03:模具製作及修整 51-100(2026/01/05 更新)#136189
115年 · #136189
115年 - 18402 模具-塑膠射出模具 乙級 工作項目 03:模具製作及修整 1-50(2026/01/05 更新)#136188
115年 · #136188
115年 - 18402 模具-塑膠射出模具 乙級 工作項目 02:刀具選用、磨削及整修 1-56(2026/01/05 更新)#136187
115年 · #136187