所屬科目:技檢◆電腦輔助機械設計製圖-乙級
(A) (B) (C) (D) 。
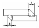
(A)單斜形槽銲接,兩邊銲道槽角相等 (B)斜 Y 形槽銲接,兩邊銲道深度相等 (C)兩邊填角銲接,銲道腳長 6mm (D)兩邊全周銲接 。
(A)前後兩面之全周邊緣狀況相同 (B)圓弧部位之邊緣狀況 (C)前面之邊緣狀況 (D)全周之表面狀況 。
(A)所有外邊緣為-0.3 (B)內邊緣為-0.3(C)外邊緣為+0.3 (D)多數內部邊緣為+0.02 。
(A)外邊緣毛頭可向垂直方向凸出 0.3 (B)內邊緣毛頭可向垂直方向凸出 0.3 (C)外邊緣讓切可向垂直方向凸出 0.3 (D)內邊緣讓切可向垂直方向凸出 0.3 。
(A)外邊緣之讓切方向為垂直方向 (B)內邊緣之避尖之方向為水平方向 (C)內邊緣之讓切方向不定 (D)內邊緣之避尖方向不定 。
(A)可向垂直方向凸出 (B)可向水平方向凸出 (C)不限定方向凸出 (D)讓切 0.3mm 。
(A)內邊緣之讓切或避尖之方向為垂直方向 (B)內邊緣之讓切或避尖之方向為水平方向 (C)內邊緣之讓切或避尖,視為銳邊讓切方向不定 (D)內邊緣之讓切或避尖,視為避尖方向不定 。
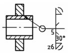
(A)工廠鑽直孔 (B)現場鑽直孔 (C)工廠鑽錐坑孔 (D)現場鑽錐坑孔 。
(A)鉚釘頭裝在右側 (B)螺栓頭裝在右側 (C)墊圈裝在右側 (D)螺帽裝在右側 。