所屬科目:基本電學(概要)
1 如圖所示之電子元件,下列何者較為正確? (A) 電阻器的電阻值為 27.3Ω ± 10% (B) 電容器的電容量為 2.2μF (C) 電阻器的電阻值為 27kΩ ± 5% (D) 電容器的電容量為 0.022μF
3 在如圖所示之電路中,每一線段代表某一電路元件,則電流 I 之值為多少? (A) 5A (B) 6A (C) 10A (D) 15A
4 在如圖所示之電路中,下列何者為 V1 之電壓降? (A) 25V (B) 22V (C) 18V (D) 10V
5 如圖所示之電路,求 3Ω電阻在 2 分鐘內產生多少熱量?(1 焦耳=0.24 卡) (A) 144 卡 (B) 1152 卡 (C) 3840 卡 (D) 16000 卡
6 在如圖所示之電路中,若 Rb 被短路,則電流 I 為多少? (A) 5mA (B) 6mA (C) 6A (D) 5A
7 如圖所示之電路,下列何者為之等效電阻? (A) 5Ω (B) 8/3Ω (C) 2Ω (D) 0Ω
8 在如圖所示電路中,下列何者為 I 之值? (A) 0.5A (B) 1A (C) 1.1A (D)1.2A
13 如圖所示之電路,I1 之電流以下列何者為正確? (A) 1A (B) 1.2A (C) -1.2A (D) -1A
14 如圖所示之電路,下列何者為 V1 之電壓值?(A)8V (B) 6V (C) 4V (D) 1V
15 如圖所示之電路,下列何者為 V 之電壓值? (A) 18V (B) 16V (C)12V (D)0V
16 如圖所示之 Wheatstone 電橋,其標準電阻 Rs 之範圍為 1Ω至 1kΩ, 則此電橋可量測的未知電阻 Rx 範圍為何? (A) 2Ω~2kΩ (B) 2Ω~1kΩ (C)1Ω~2kΩ (D) 1Ω~1kΩ
17 如圖所示之等效電路,下列何者為正確? (A) R1 = (B) R2 = (C) R3 = (D) R1 =
18 如圖所示之電路,下列何者為 I 之電流值? (A) 10A (B) 1A (C) 0.1A (D)0.01A
19 如圖所示之電路,則下列何者為 V 之電壓值? (A) 6V (B) 4V (C) 8V (D) 2V
20 如圖所示之電路,下列何者為由 RL 所看入的諾頓等效電路之 值? (A) 1A (B) 2A (C)3A (D)4A
21 如圖所示之電路,由 A、B 兩端看入的等效電路,下列述何者正確? (A) 等效電阻 6Ω (B)諾頓等效電流為 4A (C) 戴維寧等效電壓-12V (D) 當 A、B 端接上一個 6Ω的電阻時,其消耗功率為 6W
22 如圖所示之電路,下列何者為 I 之電流值? (A) 3mA (B) 3.6mA (C) 4 mA (D) -8.4 mA
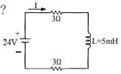
23 如圖所示之電路,當開關 S 閉合後,在 t = 4 毫秒時,下列何者為流入電感器之電流大小?(電感器的初值電流為零安培) (A) 6A (B) (C) (D)
24 如圖所示之電路,當開關 S 在 t = 0+時閉合,則下列何者為電流 I 之瞬間 電流值?(電感器與電容器之初值電流及電壓為零) (A) I=4A (B) I=5A (C) I=3.53A (D) I=6A
26 如圖所示之 RLC 串聯電路,若 E=100V,R=30Ω,L=0.2mH, C=2μF,當開關 S 閉合後,下列何者為此電路之振盪頻率? (A) 2.4kHz (B) 20Hz (C) 10Hz (D) 0Hz
27 如圖所示之電路,當電路達到穩定時,則下列何者為電感器所儲存的能量? (A) 0.16 焦耳 (B) 0.08 焦耳 (C) 0.04 焦耳 (D) 0.05 毫焦耳
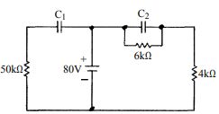
28 如圖所示之電路,若 C1=40μF,C2=60μF,當電路達到穩定時, 則下列何者為 C1、C2 上的電壓大小? (A) 80V,48V (B) 48V,32V (C) 32V,24V (D) 24V,16V
29 如圖所示之電路,t = 0 時電路已達到直流穩態,當 t = 0+時將開關打開。 3kΩ 則下列何者為所有正時間內 V 之電壓值? (A) 5et伏特 (B) 伏特 (C)伏特 (D)伏特
30.如圖所示之電路,若電容器之初值電壓為零伏特,則下列何者為 所有正時間內 v 之電壓值? (A) 伏特 (B) 伏特 (C) 伏特 (D)伏特
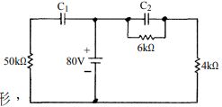
31 如圖所示 C1、C2 所儲存的電荷量下列何者為正確? (A) 8000、3200 微庫倫 (B) 3200、2880 微庫倫 (C) 2880、1800 微庫倫 (D) 1800、1200 微庫倫
32 如圖所示,在 100μF 電容器的正端對負端有如圖所示之電壓波形, 當時間在 t = 2.6 秒時,則下列何者為進入電容器正端的電流值? (A) 400μA (B) 200μA (C) 0A (D) -200μA
33 如圖所示之電路,則下列何者為所有正時間內 i 之電流?(電容器之初值電壓為 30 伏特) (A) (B) mA (C)mA (D) mA
36 某 RLC 串聯電路,連接於伏特之電源上,此串聯電路的平均功率為 1000W,功率因數為 1 ,若電容上的電壓為 200V,下列何者為其電阻值? (A) 200Ω (B) 100Ω (C) 40Ω (D) 10Ω
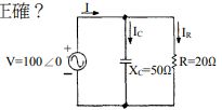
37 如圖所示之交流 RC 並聯電路,其視在功率與功率因數,下列何者為正確? (A) 200VA,0.93 (B) 540VA,0.93 (C) 200VA,0.4 (D) 540VA,0.4
38 示波器顯示某測量得到的正弦波之峰對峰電壓為V,相角為 30 ° ,則下列何者為其相量電壓(以有效值表示)? (A) 50∠30 ° 伏特 (B) 50∠60 ° 伏特 (C) 25∠30 ° 伏特 (D) 25∠60 ° 伏特
39 如圖所示之諧振電路,其諧振頻率下列何者為正確? (A) 22Hz (B) 712Hz (C) 22.5k Hz (D) 712k Hz
40 如圖所示之電路為理想變壓器,當 V2之峰值電壓為 20, 則下列何者為初級圈之峰值電流? (A) 2mA (B) 20 mA (C) 200 mA (D) 2000 mA
41 如圖所示之電路,若 R=100Ω,C=10μF,L=5mH, ii=0.1sin4000t 安培,下列何者為其總阻抗? (A) Z=0.01-j0.01Ω (B) Z=0.01+j0.01Ω (C) Z=50+j50Ω (D) Z=50-j50Ω
43 如右圖,當 Vi =100sin(1000t+45 ° )伏特,C=100μF, R=10Ω 下列何者為其電流方程式? (A) i=10 sin(1000t)A (B) i=10sin(1000t)A (C) i=10 sin(1000t+90 ° )A (D) i=10sin(1000t+90° )A
48 某簡單無電源之 RC 電路,其具有 R=200kΩ,C=10μF,且電容器初值電壓為 10 伏特,下列何者為所有正時間內電容器正對負端之電壓值? (A) 伏特 (B)伏特 (C) 伏特 (D) 伏特
49 如圖所示之電壓波形,下列何者為其一般式? (A) 200sin(160πt+30° ) 伏特 (B) 180sin(160πt+30° ) 伏特 (C) 180sin(80πt+30 ° )伏特 (D) 200sin(80πt+30 ° )伏特
50 承上題圖示,下列何者為其有效值? (A) 50 伏特 (B) 50 伏特 (C) 100 伏特 (D) 100 伏特