阿摩線上測驗
登入
首頁
>
統測◆01機械群◆(二)機械製造、機械基礎實習、製圖實習
> 95年 - 95 四技二專統測_機械類_專業科目(二):機械製造(含實習)、機械製圖#20993
95年 - 95 四技二專統測_機械類_專業科目(二):機械製造(含實習)、機械製圖#20993
科目:
統測◆01機械群◆(二)機械製造、機械基礎實習、製圖實習 |
年份:
95年 |
選擇題數:
40 |
申論題數:
0
試卷資訊
所屬科目:
統測◆01機械群◆(二)機械製造、機械基礎實習、製圖實習
選擇題 (40)
1. 下列那一項加工法屬於非切削性加工? (A) 放電加工法 ( Electrical discharge machining ) (B) 搪孔 ( Boring ) (C) 超音波加工法 ( Ultrasonic machining ) (D) 珠擊法 ( Shot peening )
2. 下列有關碳鋼加工性的敘述,那一項為正確? (A) 碳鋼的切削性與其含碳量沒有關係 (B) 碳鋼的冷作鍛造性與含碳量成正比 (C) 碳鋼的鑄造性比鑄鐵為佳 (D) 碳鋼的銲接性與含碳量成反比
3. 大量製作高精度的鋁合金機車零件,最適合用下列那一種鑄造法? (A) 冷室壓鑄法 ( Cold chamber die casting ) (B) 熱室壓鑄法 ( Hot chamber die casting ) (C) 重力永久模鑄造法 ( Gravity permanent mold casting ) (D) 瀝鑄法 ( Slush casting )
4. 蠟可用來製造可消散模型,應用於脫蠟鑄造法,其在製作時不必考慮下列那一種裕度? (A) 收縮裕度 (B) 加工裕度 (C) 振動裕度 (D) 變形裕度
5. 下列有關塑性加工的敘述,那一項為正確? (A) 鉛常在室溫 ( 25
o
C ) 加工,因為沒有加熱所以屬於冷作 (B) 加工同一工件,冷作所需的成形壓力比熱作大 (C) 熱作的溫度在材料的再結晶溫度以下 (D) 熱作製成的工件尺寸比冷作精確
6. 圓筒形不銹鋼杯最適合用下列那一種方法製造? (A) 下料 ( Blanking ) (B) 引伸 ( Drawing ) (C) 剪切 ( Shearing ) (D) 彎曲 ( Bending )
7. 下列有關滾軋的敘述,那一項為正確? (A) 滾軋適合用於生產鋼板以及建築用鋼筋等產品 (B) 滾軋鋼板時金屬材料的斷面積逐漸增大 (C) 滾軋鋼板時係將金屬材料置入兩個同向轉動的滾輪之間,藉摩擦力的帶動而前進 (D) 熱軋法比冷軋法可獲得較高的尺寸精度及表面品質
8. 下列有關銲接的敘述,那一項為正確? (A) 銲接時,材料表面若因高溫生成氧化物,可以添加銲劑使氧化物成為銲渣而排除 (B) 硬銲又稱為錫銲,因其銲料中有相當比例之錫的成分 (C) 點銲接 ( Spot welding ) 屬於電弧銲的一種,通電加熱但不必加壓 (D) 氧乙炔銲接為最常見的氣銲,是以氧氣及乙炔氣為燃料,並以空氣為助燃氣體
9. 下列有關電弧銲接的敘述,那一項為正確? (A) 電弧長度與電弧電壓成反比 (B) 碳與鎢之熔點高,可用為消耗性電極 (C) 交流電弧銲接機構造比直流電弧銲接機複雜 (D) 使用正極性電路銲接時,工件接正極,產生的熱量大部分集中於工件上
10. 影響刀具壽命的最主要的因素是切削速度;有一切削實驗,結果可以 VT
0.5
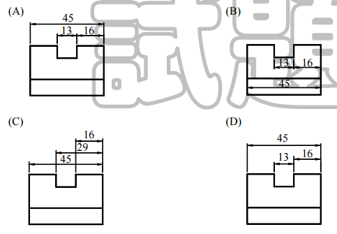
= C 表示, 其中 V 為切削速度,T 為刀具壽命,C 為常數;若切削速度增為 2 倍,則刀具壽命為原來 的幾倍? (A) 1/ 4 倍 (B) 1 / 2 倍 (C) 2 倍 (D) 4 倍
11. 在一車床上以碳化鎢刀具切削直徑為50 mm之黃銅棒,查表得知切削速度應在200 ~ 300 m / min 之間,則車床主軸之轉速應為若干? (A) 1.273 ~ 1.91 rpm (B) 637 ~ 955 rpm (C) 1273 ~ 1910 rpm (D) 4000 ~ 6000 rpm
12. 以車床車削一實心圓桿之外徑,此桿之直徑為 50 mm,長度為 500 mm,切削長度為 420 mm, 則下列何種夾持方式最適合? (A) 花盤夾持 (B) 兩頂心間夾持 (C) 夾頭單邊夾持 (D) 套軸夾持
13. 下列有關鑽頭的敘述,那一項為正確? (A) 麻花鑽頭是目前機工廠使用最多的鑽頭,最常見的麻花鑽頭有三條槽及三個刃口 (B) 中心鑽頭係由一小麻花鑽頭與 60 度錐孔鉸刀組合而成 (C) 麻花鑽頭直徑在 13 mm 以下者使用錐柄,可以直接套入鑽床主軸內孔 (D) 中心鑽頭的規格係以 60 度錐孔鉸刀的長度來表示
14. 下列有關銑刀的敘述,那一項為正確? (A) 常用的銑刀材質為陶瓷、立方氮化硼、鑽石 (B) 平銑刀屬於心軸銑刀,其中心有一孔,專用於立式銑床 (C) 端銑刀屬於有柄銑刀,大多用於臥式銑床 (D) 面銑刀以螺栓鎖緊於短心軸端,大多用於立式銑床或龍門銑床來加工大平面
15. 以直徑為 80 mm 之 12 齒銑刀加工,轉速為 180 rpm,銑刀每齒進給量為 0.2 mm (亦即 0.2 mm/ 齒),求銑刀每分鐘進給量為何? (A) 192 mm/min (B) 432 mm/min (C) 34560 mm/min (D) 172800 mm/min
16. 下列有關砂輪選用的敘述,那一項為正確? (A) 褐色氧化鋁磨料比白色氧化鋁磨料純度高,適用於磨削高速鋼及淬硬鋼 (B) 粗磨削選用密組織的砂輪,精磨削選用鬆組織的砂輪 (C) 粗磨削選用細粒度的砂輪,精磨削選用粗粒度的砂輪 (D) 粗磨削選用結合度強的硬砂輪,精磨削選用結合度弱的軟砂輪
17. 不改變材料的化學成分,只改變表面層的組織,使材料表面硬化的方法,屬於物理的表面 硬化法;下列的表面處理法中,那一項屬於物理的表面硬化法? (A) 滲碳法 (B) 火焰硬化法 (C) 氮化法 (D) 陽極氧化法
18. 游標卡尺由本尺與游尺組合而成,若本尺之 49 mm 等分為 49 小格,但在游尺上等分成 50 小格,則此游標卡尺的最小讀數為若干? (A) 0.001 mm (B) 0.002 mm (C) 0.01 mm (D) 0.02 mm
19. 以車床車削節距為 3 mm 之螺紋,導螺桿之節距為 6 mm,若主軸齒輪之齒數為 24 齒,則 應搭配多少齒數的導螺桿齒輪? (A) 12 齒 (B) 36 齒 (C) 48 齒 (D) 72 齒
20. 下列有關塑膠加工的敘述,那一項為正確? (A) 聚氯乙烯 ( PVC ),為常用的熱固性塑膠 (B) 環氧樹脂 ( Epoxy resin ) 是常見的黏結劑,為熱塑性塑膠 (C) 生產聚氯乙烯塑膠布用滾壓成形法 ( Calendering ) 最適宜 (D) 環氧樹脂與玻璃纖維混合製作浴缸等大型容器,最常使用射出成形法 ( Injection molding )
21. 下列有關特殊切削加工的敘述,那一項為正確? (A) 雷射束加工常使用固體雷射或氣體雷射,可以加工金屬與非金屬材料 (B) 放電加工的成品精度高,大多用在非金屬材料的去除加工 (C) 電化學加工使用的模具不會耗損,廣用於非金屬材料的去除加工 (D) 超音波加工可以做出異形孔,最適合具延展性的金屬材料的去除加工
22. 撰寫數值控制程式必須先瞭解機器的座標系統,下列有關數值控制車床的座標系統的 敘述,那一項為正確? (A) 以 x 軸表示車刀作橫向 (或稱徑向) 移動,以 y 軸表示車刀作縱向 (或稱軸向) 移動 (B) 以 y 軸表示車刀作橫向 (或稱徑向) 移動,以 x 軸表示車刀作縱向 (或稱軸向) 移動 (C) 以 x 軸表示車刀作橫向 (或稱徑向) 移動,以 z 軸表示車刀作縱向 (或稱軸向) 移動 (D) 以 z 軸表示車刀作橫向 (或稱徑向) 移動,以 x 軸表示車刀作縱向 (或稱軸向) 移動
23. 下列有關 A 系列圖紙的規格敘述,那一項為正確? (A) A0 圖紙的長邊為短邊的√ 3 倍 (B) A0 圖紙的長邊為 A1 圖紙長邊的 2 倍 (C) A1 圖紙的面積為 A3 圖紙面積的 3 倍 (D) A1 圖紙的面積為 A3 圖紙面積的 4 倍
24. CNS 機械製圖中,下列那一項不是常用的放大比例? (A) 2.5:1 (B) 5:1 (C) 10:1 (D) 20:1
複選題
25. 關於虛線的起迄與交會,下列畫法那一項為正確?
26. 當一圓在平面上沿一直線滾動時,圓周上一點移動的軌跡所形成的曲線稱為: (A) 擺線 (B) 漸開線 (C) 螺旋線 (D) 拋物線
27. 視圖中若有不同線條重疊時,線條描繪優先順序,下列那一項為不正確? (A) 輪廓線與隱藏線重疊時,輪廓線較隱藏線優先 (B) 輪廓線與中心線重疊時,輪廓線較中心線優先 (C) 隱藏線與中心線重疊時,中心線較隱藏線優先 (D) 隱藏線與尺度界線重疊時,隱藏線較尺度界線優先
28. 如圖(一)所示立體圖,試依箭頭方向選出正確的右側視圖:
29. 已知前視圖和右側視圖,試選出正確的俯視圖:
30. 已知俯視圖和右側視圖,試選出正確的前視圖:
31. 關於機械零件狹窄部位的尺度標註,下列那一項為不正確?
32. 下列各圖中的尺度標註,那一項最佳?
33. 關於機械製圖中的尺度標註符號表示法,下列敘述那一項為不正確? (A) Sφ 50 表示球面直徑為 50 (B)
1:30 表示斜度大小為 1:30 (C) t 15 表示厚度大小為 15 (D)
12 表示正方形邊長為 12
34. 旋轉剖面之外形與原視圖的輪廓有重疊時,可將原視圖以中斷視圖表示,此時旋轉剖面之 外形,以下列那一種線條畫出? (A) 細實線 (B) 細鏈線 (C) 虛線 (D) 粗實線
35. 正投影視圖如圖(二),其剖視圖表示法,下列那一項為正確?
36. 下列之表面符號及尺度表示法,那一項為正確?
37. 關於機械製圖的幾何公差表示法,下列敘述那一項為正確? (A) 幾何公差方框中,第一格填入基準面 (B) 幾何公差方框中,第二格填入公差數值 (C) 幾何公差方框中,第三格填入幾何公差符號 (D) 幾何公差方框中,第一格寬度約為高度的兩倍
38. 若孔尺度及公差為
,軸尺度及公差為
,則兩者配合的最小餘隙為 下列那一數值? (A) 0.050 mm (B) 0.062 mm (C) 0.112 mm (D) 0.174 mm
39. 內螺紋習用畫法,下列表示法那一項為正確?
40. 壓縮彈簧在機械零件圖中畫出的彈簧長度為: (A) 安裝長度 (B) 工作長度 (C) 自由長度 (D) 壓實長度
申論題 (0)
相關試卷
115年 - 115 身心障礙學生升學大專校院甄試試題_四技二專組_機械群_專業科目(二):機械製造、機械基礎實習、機械製圖實習#139526
115年 · #139526
115年 - 115 四技二專統測_機械群_專業科目(二):機械製造、機械基礎實習、 機械製圖實習#139319
115年 · #139319
114年 - 114 四技二專統測_機械群_專業科目(一):機械製造、機械基礎實習、 機械製圖實習#137772
114年 · #137772
114年 - 114 身心障礙學生升學大專校院甄試試題_四技二專組(機械群):機械製造、機械基礎實習、機械製圖實習#137232
114年 · #137232
113年 - 113 身心障礙學生升學大專校院甄試試題_四技二專組_機械群_專業科目(二):機械製造、機械基礎實習、機械製圖實習#125676
113年 · #125676
113年 - 113 四技二專統測_機械群_專業科目(二):機械製造、機械基礎實習、 機械製圖實習#122232
113年 · #122232
112年 - 112 身心障礙學生升學大專校院甄試試題_四技二專組_機械群_專業科目(二):機械製造、機械基礎實習、機械製圖實習#118654
112年 · #118654
112年 - 112 四技二專統測_機械群_專業科目(二):機械製造、機械基礎實習、 機械製圖實習#114345
112年 · #114345
111年 - 111 身心障礙學生升學大專校院甄試試題_四技二專組_機械群_專業科目(二):機械製造、機械基礎實習、機械製圖實習#118915
111年 · #118915
111年 - 111 四技二專統測_機械群:專業科目(二)機械製造、機械基礎實習、機械製圖實習#107810
111年 · #107810