所屬科目:統測◆01機械群◆(二)機械製造、機械基礎實習、製圖實習
1. 金屬材料於製造過程中,使用熱處理加工法之主要目的為: (A) 改變材料的形狀 (B) 改善產品的表面粗糙度 (C) 結合材料 (D) 改變材料的機械性質
2. 下列有關鐵系材料規格的敘述,何者為不正確? (A) CNS 規格中 S30C 表示含碳量約為0.30%的碳鋼 (B) CNS 規格中 S(50)C 表示一般構造用碳鋼,最大抗拉強度約為50N/mm² (C) CNS 規格中 FMnM2 表示第二種中碳錳鐵 (D) SAE 規格中編號 4025 表示含碳量約為0.25 % 的鉬鋼
3. 下列有關金屬材料加工性的敘述,何者為不正確? (A) CNS 規格中 S30C 的切削性優於 S50C (B) 碳鋼的含碳量愈高則其鍛造性愈好 (C) 於銅中添加錫,其鑄造性會變好 (D) 於不銹鋼中添加硫,可以改善其切削性
4. 下列有關金屬塑性加工的敘述,何者為不正確? (A) 塑性加工所施加的應力,需大於工件材料的極限應力或抗拉強度 (B) 熱作是在材料的再結晶溫度以上加工 (C) 冷作加工所得工件之尺寸精度,通常會高於熱作加工所得者 (D) 冷作加工常會使材料產生應變硬化(又稱加工硬化)
5. 剪切、沖孔及下料是屬於下列何種加工方法? (A) 鍛造 (B) 鑄造 (C) 沖壓 (D) 切削
6. 下列改善工件表面硬度或耐磨耗性的處理方法中,何者為不需要先利用擴散原理,將元素滲透入工件表面,因而改變材料的化學成分組成? (A) 滲碳法 (B) 氮化法 (C) 滲硫法 (D) 高週波硬化法
7. 下列四種材料常被用來製作模型(Pattern),在造模完成後,何者可以不需要從鑄模(Casting mold) 中先被移除,因而產生空穴,然後再進行熔融金屬液澆鑄(Pouring)的步驟? (A) 檜木 (B) 鋁合金 (C) 蠟 (D) 聚苯乙烯(PS)
8. 下列有關砂模(Sand mold)的敘述,何者為正確? (A) 砂模係利用矽砂(又稱模砂)來造模,矽砂的主要成分為碳化矽(SiC) (B) 砂模需具有適當的強度,因此須對模砂進行各種強度試驗,其中以抗壓試驗最為重要 (C) 砂模流路系統中的澆口(又稱澆道),一般為上小下大之直立錐孔形式 (D) 砂模流路系統中的冒口位置,通常是設置在鑄件最小斷面處的正上方
9. 下列有關銲接(Welding)的敘述,何者為正確? (A) 兩金屬銲件接合處的母材一定要加熱至熔化狀態,待其冷卻凝固後才能達成結合作用 (B) 兩金屬銲件接合處一定要添加填料(又稱銲料)才能達成結合作用 (C) 可以不必施加壓力於兩金屬銲件接合處的母材而達成結合作用 (D) 銲接只適用於相同種類金屬材料間的結合
10. 下列有關銲接方法的敘述,何者為正確? (A) 摩擦銲接(Friction welding)是利用銲件高速旋轉,使兩銲件接合面因摩擦生熱,並在軸向施加壓力,以達成結合作用 (B) 雷射束銲接 ( Laser beam welding)必須在真空的環境中,將平行之單頻雷射束聚焦,使銲件接合面的母材受熱產生高溫熔化而結合 (C) 電子束銲接(Electron beam welding)大都是在充滿氫氣的環境中,將電子加速成高速的狀態撞擊銲件,藉由其動能所轉換成的熱能來熔化銲件接合面的母材,以達成結合作用 (D) 發熱銲接(Thermit welding)又稱為鋁熱銲接,是利用電阻所產生的熱將粉末狀鋁粉熔化於銲件接合面,以達成結合作用
11. 下列有關金屬材料切削加工的敘述,何者為正確? (A) 單鋒或多鋒刀具的斜角(Rake angle)又稱為傾角,主要作用為控制切屑的流動,故其角度值不可以是負的 (B) 就切削速度、進給量和切削深度等三個切削條件做比較時,通常以切削速度對刀具壽命(Tool life)的影響為最大 (C) 對工件加工面而言,形成積屑刀口的連續切屑(Continuous chip with built-up edge)之切削加工所得到的平均粗糙度,通常會小於形成連續切屑之切削加工所得到的平均粗糙度 (D) 在刀具上裝置階梯式斷屑器(Chip breaker)時,若階梯高愈大則斷層效果愈好,同時可使刀尖的受力愈小
12. 欲切削一總長度為160mm 之工件,其錐度部份的長度為100mm,錐度兩端直徑分別為30mm與20mm,現以尾座偏置法車削錐度,則下列何者為正確? (A) 錐度值為 20 (B) 錐度值為 16 (C) 尾座偏置量為8mm (D) 尾座偏置量為5mm
13. 下列有關利用車床進行車削加工的敘述,何者為不正確? (A) 可在尾座上裝置鑽頭對工件進行鑽孔加工 (B) 三爪夾頭的三個顎爪,可同時自動指向同一中心運動以夾持工件 (C) 花盤(又稱面盤)可用於夾持尺寸大或不規則形狀的工件 (D) 攻內螺紋時需將工件夾持在兩頂心之間
14. 下列有關順銑法(又稱下銑法)與逆銑法(又稱上銑法)的比較,何者為正確? (A) 順銑法產生切屑的方式為由薄到厚,逆銑法產生切屑的方式為由厚到薄 (B) 順銑法較易產生震動,但不需裝設背隙消除裝置 (C) 採用順銑法的加工面較平滑,故比逆銑法適合精加工 (D) 順銑法產生的切削力為由小到大,故刀刃不易崩裂
15. 下列何種量測儀器係利用光波干涉原理,執行檢測工件表面的平坦狀態? (A) 光學平板 (B) 光學投影比較儀 (C) 表面粗度儀 (D) 工具顯微鏡
16. 一公制外徑分厘卡其精密螺桿螺距為0.5mm,在襯筒上無游標刻度,若分厘卡外套筒上等分割50格,則下列敘述何者為不正確? (A) 此分厘卡的精度為 0.01 mm (B) 在0到100mm 的量測尺寸內,存在量測範圍各為25mm的4種不同形式之外徑分厘卡 (C) 此分厘卡係利用螺紋運動原理達成量測功能 (D) 當外套筒旋轉一圈,心軸伸或縮1mm
17. 當加工少量特殊規格的外螺紋時,採用下列何種製造方法最適合? (A) 滾軋 (B) 車製 (C) 螺絲攻 (D) 壓鑄
18. 下列何種模塑成形法(Molding)最適合大量生產以軟性薄層塑膠為原料之包裝膠膜、窗簾布、雨衣等產品? (A) 射出成形( Injection molding) (B) 擠製成形(Extruding) (C) 滾壓成形(Calendering) (D) 吹製成形(Blow molding)
19. 下列何種特殊加工法,不是利用熱能的作用對工件材料進行切削加工,可應用於加工材質硬脆且不導電的工件? (A) 超音波加工 (B) 雷射束加工 (C) 放電加工 (D) 電子束加工
20. 下列有關數值控制之綜合切削中心機(Machine center)的敘述,何者為不正確? (A) 可利用自動刀具交換裝置(Automatic tool changer)提升換刀效率 (B) 利用製作數值資料組成之程式來控制機器的操作方式 (C) 運動軸採用閉環迴路控制系統(Closed-loop control system) (D) 採用點對點的程式命令型式,控制刀具移動路徑以切創曲線
21. 在CNS 工程製圖標準中,下列何者為最正確? (A) A1 規格圖紙可裁成4張 A4 規格圖紙 (B) 1:6為常用的機械製圖比例 (C) 製圖比例5:1代表實物長度為圖示長度的5倍 (D) A0 規格圖紙長邊之長度約為A2 圖紙長邊長度的2倍
22. 有關製圖設備,下列何者為最正確? (A) 分規用途為量測長度、等分線段與繪圖 (B) 使用丁字尺與製圖用三角板的配合,可以繪製的最小角度為15° (C) 鉛筆筆心由軟到硬的順序排列為F、B、HB、H (D) 使用鉛筆畫線時,鉛筆沿畫線方向與圖面成 90°交角
23. 在相同平面上不相交的兩個分離圓,且該兩圓的連心線長度大於兩圓的半徑和,此時最多可畫出幾條公切線? (A) 四條 (B) 三條 (C) 二條 (D) 一條
24. 圖(一)為某物體的三視圖,下列何者為該物體最正確的立體圖? (A)(B)(C) (D)
25. 有關線條交接的畫法,下列何者為不正確? (A)(B)(C)(D)
26. 圖(二)之尺度標註中,尺度(50)爲: (A) 主要尺度 (B) 比例不同尺度 (C) 部份尺度 (D) 參考尺度
27. 如圖(三)立體圖所示,依箭頭方向,下列何者為最正確的視圖?(A)(B)(C)(D)
28. 已知某物體的前視圖與俯視圖,如圖(四)所示,下列何者為該物體最正確的右側視圖? (A) (B)(C)(D)
29. 已知某物體的前視圖與俯視圖,如圖(五)所示,下列何者為該物體最正確的立體圖? (A)(B)(C)(D)
30. 一工件之孔的直徑尺度為 ,另一工件之軸的直徑尺度為,當此兩工件之孔與軸配合時,產生最大干涉量之大小為: (A) 0.066 (B) 0.101 (C) 0.079 (D) 0.044
31. 若細長物體具有不規則之斷面時,依照 CNS 工程製圖標準規定所繪製的旋轉剖視圖,下列何者為最正確的表示圖? (A)(B)(C) (D)
32. 螺紋標註L-2N M16×1.5時,下列何者為正確? (A) 此螺紋之螺距為 1.5 mm (B) 此螺紋為右螺紋 (C) 此螺紋為單線螺紋 (D) 此螺紋之公稱直徑為1.5 mm
33. 在孔與軸的配合規範中,下列何者為干涉配合? (A) H5/g4 (B) H6/g6 (C) H7/s6 (D) H8/e9
34. 有關內外螺紋組合時的習用表示法,下列何者為最正確? (A)(B)(C)(D)
35. 有關尺度標註的敘述,下列何者為不正確? (A) 尺度線的箭頭開尾角度為20° (B) 依 CNS 工程製圖標準之規定,標註半徑尺度時,半徑符號「R」必須寫於數字前面 (C) 輪廓線與中心線皆不可作為尺度界線 (D) 未按比例繪製之尺度,應在尺度數字下方加一橫線,以資識別
36. 在 CNS 工程製圖標準之尺度標註規範中,下列尺度標註何者為不正確? (A)(B)(C)(D)
37. 已知一三角平面abc之俯視圖()及前視圖() 如圖(六)所示,如欲以輔助視圖求其實際形狀及大小,則最正確的作法是: (A) 作一輔助投影面平行線段 (B) 作一輔助投影面垂直 線段 (C) 作一輔助投影面平行線段 (D) 作一輔助投影面垂直線段
38. 圖(七)為一軸對稱物體的俯視圖及前視圖,下列何者為最正確的剖視圖? (A)(B)(C)(D)
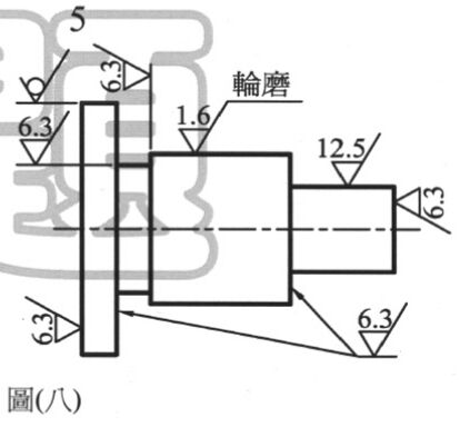
39. 圖(八)為某機構中5號機件之前視圖表面符號的標註情況,如欲以省略方式表示,則在視圖外的標註部份,下列何者為最正確的表示法? (A)(B)(C)(D)
40. 有關實物測繪與實物測量的敘述,下列何者為不正確? (A) 徒手繪製水平線時,應由左向右繪製 (B) 徒手繪製垂直線時,應由上而下繪製 (C) 徒手草繪所使用的鉛筆,以5H 比 HF 更適合 (D) 半徑規可用來測量圓弧半徑尺度