阿摩線上測驗
登入
首頁
>
基本電學(概要)
> 96年 - 96 地方政府特種考試_四等_電力工程、電子工程、電信工程:基本電學#49260
96年 - 96 地方政府特種考試_四等_電力工程、電子工程、電信工程:基本電學#49260
科目:
基本電學(概要) |
年份:
96年 |
選擇題數:
0 |
申論題數:
6
試卷資訊
所屬科目:
基本電學(概要)
選擇題 (0)
申論題 (6)
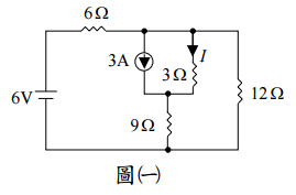
【已刪除】一、分析圖⑴電路,試求通過 3Ω 電阻之電流 I。(20 分)
二、考慮一平衡三相 ∆-Y 系統,其中電源為 ∆ 型連接,負載為 Y 型連接。若線電壓為 340 V,每一相負載為 4+j Ω,求傳送到負載之總功率。(20 分)
三、將ㄧ均方根為 120V、頻率為 60Hz 之電源,接上一並聯 RLC 電路。R = 40Ω, L = 0.1 H。試問,若要使功率因數等於 1,電容值須為多少?又此時傳送到 RLC 電 路上之平均功率為何?(20 分)
⑴試問電容值為多少?同時畫出此濾波電路。電路中須指明輸入電壓 V
i
及輸出電壓 V
o
的位置。(10 分)
⑵在頻率從 1Hz 到 1MHz 範圍內,畫出 V
o
/V
i
之大小及相位的頻率響應圖。(10 分)
【已刪除】五、考慮圖⑵之電路。若負載 R
L
要從交流電源處獲得最大功率,則變壓器之匝數比 N
1
/N
2
為何?又此時傳送到負載之功率為何?(20 分)
相關試卷
115年 - 115 關務特種考試_四等_電機工程(選試英文):基本電學#138955
115年 · #138955
115年 - 115-1 臺北市立大安高工教師甄選試題_電子/控制科:基本電學#138451
115年 · #138451
114年 - 114 關務特種考試_四等_電機工程(選試英文):基本電學#126651
114年 · #126651
113年 - 113 關務特種考試_四等_電機工程(選試英文)、電機工程(選試日文):基本電學#119481
113年 · #119481
112年 - 112 地方政府特種考試_四等_電力工程、電子工程、電信工程:基本電學#118330
112年 · #118330
112年 - 112 普通考試_電力工程、電子工程、電信工程:基本電學#115756
112年 · #115756
112年 - 112 關務特種考試_四等_電機工程:基本電學#113949
112年 · #113949
111年 - 111 地方政府特種考試_四等_電力工程、電子工程、電信工程:基本電學#112594
111年 · #112594
111年 - 111 中華郵政股份有限公司_職階人員資產營運及工程類科甄試試題_專業職(一)/電力工程:基本電學#111525
111年 · #111525
111年 - 111 普通考試_電力工程、電子工程、電信工程:基本電學#109349
111年 · #109349