阿摩線上測驗
登入
首頁
>
基本電學(概要)
> 96年 - 96 普通考試_電力工程、電子工程:基本電學#51158
96年 - 96 普通考試_電力工程、電子工程:基本電學#51158
科目:
基本電學(概要) |
年份:
96年 |
選擇題數:
0 |
申論題數:
5
試卷資訊
所屬科目:
基本電學(概要)
選擇題 (0)
申論題 (5)
一、設有一立方體電感電路(不考慮互感),每邊之電感值均為 L=1.2H,求主對角線(通過 立方體中心點)上兩對頂點間之等效電感值。(20 分)
二、有一 RLC 並聯電路,R=40kΩ,L=16mH,C =0.1µF,求諧振頻率及頻帶寬。(20 分)
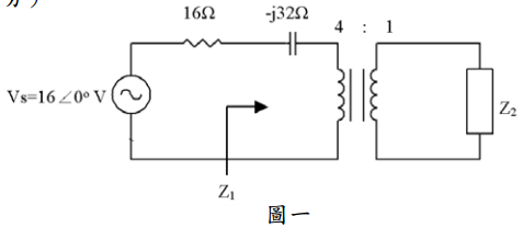
【已刪除】三、如圖一所示為理想變壓器電路,已知圈數比 n=4,若負載 Z
2
欲獲得最大功率轉移, 試求 Z
2
。(20 分)
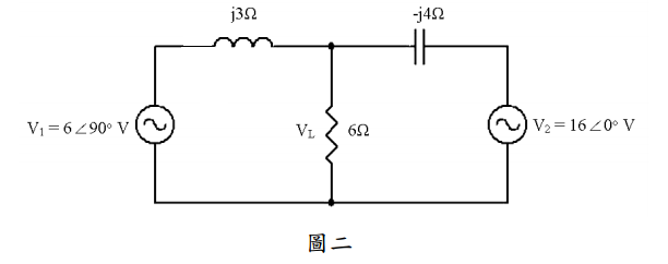
【已刪除】四、如圖二所示,試求相量電壓 V
L
。(20 分)
五、如圖三所示,求 I
1
。(20 分)
相關試卷
115年 - 115 關務特種考試_四等_電機工程(選試英文):基本電學#138955
115年 · #138955
115年 - 115-1 臺北市立大安高工教師甄選試題_電子/控制科:基本電學#138451
115年 · #138451
114年 - 114 關務特種考試_四等_電機工程(選試英文):基本電學#126651
114年 · #126651
113年 - 113 關務特種考試_四等_電機工程(選試英文)、電機工程(選試日文):基本電學#119481
113年 · #119481
112年 - 112 地方政府特種考試_四等_電力工程、電子工程、電信工程:基本電學#118330
112年 · #118330
112年 - 112 普通考試_電力工程、電子工程、電信工程:基本電學#115756
112年 · #115756
112年 - 112 關務特種考試_四等_電機工程:基本電學#113949
112年 · #113949
111年 - 111 地方政府特種考試_四等_電力工程、電子工程、電信工程:基本電學#112594
111年 · #112594
111年 - 111 中華郵政股份有限公司_職階人員資產營運及工程類科甄試試題_專業職(一)/電力工程:基本電學#111525
111年 · #111525
111年 - 111 普通考試_電力工程、電子工程、電信工程:基本電學#109349
111年 · #109349