阿摩線上測驗
登入
首頁
>
鋼筋混凝土學與設計
> 96年 - 96 高等考試_三級_土木工程:鋼筋混凝土學與設計#37454
96年 - 96 高等考試_三級_土木工程:鋼筋混凝土學與設計#37454
科目:
鋼筋混凝土學與設計 |
年份:
96年 |
選擇題數:
0 |
申論題數:
7
試卷資訊
所屬科目:
鋼筋混凝土學與設計
選擇題 (0)
申論題 (7)
⑴依照規範第十五章「耐震設計之特別規定」檢討梁端部下層筋之鋼筋量及閉合箍 筋配置,梁 B1 及 B2 之鋼筋配置是否需要修正?若需要,該如何配置?(7 分)
⑵請檢討本案施工時梁鋼筋所需要之端點錨錠長度(包含直線段及彎鉤段),並重繪 上述之梁柱側面圖,詳細註明施工時應該要注意的錨錠長度位置及尺寸。(18 分)
⑴此梁中央所需之設計彎矩強度(design flexural strength)及計算彎矩強度(nominal flexural strength)值?(12 分)
⑵此梁可否視為規範所定義的「單獨 T 型梁」?請說明理由。若有效深度 53.5 cm, 則此梁中央拉力側鋼筋所需要的鋼筋量為何?(13 分)
⑴此時此柱所能承受之計算軸力(nominal axial force)P
n
及所對應的計算彎矩強度 (nominal flexural strength)Mn值為何?(18 分)
⑵此柱在此時所對應的強度折減係數φ 值為何?(7 分)
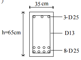
【已刪除】四、簡支矩形梁跨度 L=10 m,梁中央斷面如圖所示,若此梁承受均佈呆載重 W
D
=1.0 t /m (不含梁自重),均佈活載重 W
L
=2.0 t /m,試計算此梁在活載重作用時所產生之 即時撓度(∆
i
)
L
。(25 分)
相關試卷
114年 - 114 地方政府公務、離島地區公務特種考試_三等_土木工程:鋼筋混凝土學與設計#134753
114年 · #134753
114年 - 114 高等考試_三級_土木工程:鋼筋混凝土學與設計#128726
114年 · #128726
113年 - 113-2 國營臺灣鐵路股份有限公司_從業人員甄試試題_第9階-技術員-土木工程:鋼筋混凝土學與設計概要#137156
113年 · #137156
113年 - 113 國營臺灣鐵路股份有限公司_從業人員甄試_第8階-助理工程師-土木工程:鋼筋混凝土學與設計#137104
113年 · #137104
113年 - 113-2 國營臺灣鐵路股份有限公司_從業人員甄試_第8階-助理工程師-土木工程:鋼筋混凝土學與設計#137090
113年 · #137090
113年 - 113-2 國營臺灣鐵路股份有限公司_從業人員甄試_第 9 階-技術員-土木工程:鋼筋混凝土學與設計概要#135450
113年 · #135450
113年 - 113 地方政府公務、離島地區公務特種考試_三等_土木工程:鋼筋混凝土學與設計#124342
113年 · #124342
113年 - 113 高等考試_三級_土木工程:鋼筋混凝土學與設計#121483
113年 · #121483
113年 - 113 國營臺灣鐵路股份有限公司_從業人員甄試_第 9 階-技術員-土木工程:鋼筋混凝土學與設計概要#119089
113年 · #119089
112年 - 112 地方政府特種考試_三等_土木工程:鋼筋混凝土學與設計#118382
112年 · #118382