阿摩線上測驗
登入
首頁
>
船用電機與自動控制(概要)
> 97年 - 97一等管輪#15966
97年 - 97一等管輪#15966
科目:
船用電機與自動控制(概要) |
年份:
97年 |
選擇題數:
40 |
申論題數:
0
試卷資訊
所屬科目:
船用電機與自動控制(概要)
選擇題 (40)
1. 直流發電機的外部特性是指下列那兩者的關係? (A) 輸出電壓與輸出電流 (B) 額定電壓與輸出電流 (C) 額定電壓與激磁電流 (D) 輸出電壓與激磁電流
2. 降壓變壓器之一次側繞組匝數 N1 與二次側繞組匝數 N2 的關係,下列何項敘述正確? (A) 由額定容量決定 N1 及 N2 之大小 (B) N1 = N2 (C) N1 < N2 (D) N1 > N2
3. 一台三相感應電動機的名牌上標示 220 V/380 V,接法Δ-Y,當三相電源的線電壓為 380 V 時,則該電機三相繞組的連接方式為何? (A) 起動時 Y,工作時Δ (B) Δ (C) Y (D) Δ或 Y 均可
4. 在電動機的正反轉控制線路中,常將正反轉接觸器的常閉觸頭相互串聯在對方的接觸器 線圈電路中,此為何種控制? (A) 連鎖控制 (B) 互鎖控制 (C) 自鎖控制 (D) 順序控制
5. 空氣壓縮機的自動控制方式為何? (A) 空氣櫃內氣壓的高低值雙位控制 (B) 出口管內氣壓的高低值雙位控制 (C) 進出管內氣壓的高低值雙位控制 (D) 冷卻水溫度的高低值雙位控制
6. 採用交流變極多速電動起貨機,當操作手柄以高速到停時,一般採用三級制動,其制 動過程為何? (A) 電磁制動→能耗制動→機械制動 (B) 再生制動→機械制動→能耗制動 (C) 再生制動→能耗制動與機械制動→機械制動 (D) 能耗制動→再生制動與機械制動→機械制動
7. 下列何項措施可以保證電動舵機的供電可靠? (A) 由主電源、大緊急電源、小緊急電源共同供電 (B) 由專用柴油發電機供電 (C) 由緊急電源直接供電 (D) 左右舷兩路饋線方式向舵機室供電,並與緊急電源相連
8. 功率型的 MOSFET 的主要特點為: (A) 具有高輸入阻抗、高切換速度 (B) 具有高的工作容量(KVA) (C) 具有高的導通電流 (D) 具有高的電壓增益
9. 以下何種控制實例之系統結構是屬於開路控制(Open loop control)? (A) 主機之轉速控制 (B) 鍋爐之水位控制 (C) 空氣壓縮機之啟動/停止控制 (D) 淨油機之定時沖洗控制
10. 正確之三相四線制照明系統接法,應為: (A) 控制開關先接燈,再接火線;火線的另一端接地線 (B) 控制開關先接火線,再接地線;地線的另一端接燈 (C) 控制開關先接火線,再接燈;燈的另一端接地線 (D) 控制開關先接火線,再接燈;燈的另一端接火線
11. 船舶監視與警報系統,依照監視方式區分成: (A) 連續監視式與循環監視式 (B) 循環監視式與間接監視式 (C) 間接監視式與固定監視式 (D) 固定監視式與連續監視式
12. 船舶故障警報裝置中,為防止瞬間的錯誤警報,應設: (A) 故障迴路 (B) 電阻-電感電路 (C) 電阻-電容電路 (D) 暫存器
13. 船舶使用之氧含量感測器,通常適用於檢測下列何者? (A) 油輪油艙之封艙氣體 (B) 主機排煙 (C) 輔鍋爐排煙 (D) 機艙空氣
14. 為避開主電源與緊急電源同時投入緊急匯流排供電造成危險,因此設制何項控制? (A) 順序啟動控制 (B) 自動連鎖控制 (C) 自動跳脫控制 (D) 負荷平衡控制
15. 交流發電機並聯時,同步指示燈三燈同時熄滅,表示並聯條件中何者不符? (A) 相序 (B) 頻率 (C) 電壓 (D) 相位
16. 大型低速柴油主機啟動方式,下列何者最為普遍? (A) 以啟動馬達帶動飛輪 (B) 以啟動空氣作動啟動閥 (C) 以油壓馬達帶動飛輪 (D) 以電磁閥啟動主機
17. 柴油主機遙控系統中最常使用的氣動元件有那三種? (A) 邏輯元件、時序元件、方向元件 (B) 邏輯元件、時序元件、比例元件 (C) 時序元件、方向元件、比例元件 (D) 流量元件、壓力元件、方向元件
18. 下列何機器製造廠,其換向採用單凸輪液壓迴轉換向機構? (A) MAN B&W (B) Wartsila Sulzer (C) Yanmar (D) Pielstick
19. 大型低速柴油主機運轉中換向較不受轉速的限制,從停油到換向完成,轉速已降到較低 的範圍,故一般皆採用何種制動方式? (A) 能耗制動 (B) 強制制動 (C) 緊急制動 (D) 軸系制動
20. 下列何者為目前應用最廣泛的船舶電力系統? (A) 三相絕緣系統 (B) 中性點接地的三相四線制系統 (C) 利用船體作中線的三線系統 (D) 中性點不接地的三相四線制系統
21. 下列有關緊急配電盤之敘述,何者錯誤? (A) 緊急配電盤與主配電盤相同,均應裝在機艙內 (B) 緊急配電盤通常是由緊急發電機控制盤和緊急分電盤組成 (C) 緊急配電盤可控制和監視緊急發電機組 (D) 緊急配電盤緊急供應船舶重要電機、照明設備電力
22. 在實際操作中,要改變同步發電機的頻率,可由下列何者之調整來達成? (A) 原動機的轉速 (B) 輸出電流 (C) 輸出電壓 (D) 激磁電流
23. 為了能夠在現場(Local)及控制室均可啟動電動機,控制室之遙控啟動按鈕開關應與現 場之啟動按鈕開關: (A) 串聯 (B) 並聯 (C) 採用聯動開關,使兩開關可同時動作 (D) 互鎖(Interlock)
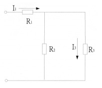
24. 如圖所示電路,已知:R
1
= 5R
3
,R
2
= 4R
3
,I
3
= 4A,則 I
1
=?
(A) 4A (B) 1A (C) 5A (D) 0.67A ,
25. 提高電力系統功率因數的方法是: (A) 與電容性負載串聯電感 (B) 與電感性負載串聯電容 (C) 與電阻負載並聯電容 (D) 與電感性負載並聯電容
26. 交流匯流盤為防止相序接反,分別將 R、S、T 三相電路以何種顏色表示? (A) 藍、白、黑 (B) 紅、藍、黑 (C) 褐、黑、紅 (D) 紅、白、藍
27. 緊急發電機所發出之緊急電源,對貨船而言,應能持續供電多少小時? (A) 8 (B) 10 (C) 18 (D) 24
28. 船舶所使用的蓄電池組,通常為多少伏特電壓? (A) 6 (B) 10 (C) 18 (D) 24
29. 同步發電機單機運轉,若突然發生 ACB 斷路器跳脫,其不可能之因素為何? (A) 短路 (B) 失壓 (C) 過載 (D) 逆功率
30. 在壓縮空氣作動的啟動裝置中,各缸之啟動閥作動是由何裝置控制? (A) 啟動空氣分配器 (B) 主停止啟動閥 (C) 啟動控制閥 (D) 安全閥
31. 主機遙控操俥系統內,安全裝置之手動緊急停俥” Manual stop ”按鈕,通常不可能裝置的 場所為下列何者? (A) 駕駛台 (B) 機艙控制室 (C) 機側 (D) 舵機房
32. 空壓機自動控制系統中雙位式壓力控制器的雙位控制是指: (A) 高壓停止和低壓啟動 (B) 冷卻水和疏水 (C) 手動和自動切換 (D) 機側和控制室兩地
33. 根據電解液的濃度來判斷蓄電池的充放電的程度,適用於: (A) 酸性蓄電池和鹼性蓄電池 (B) 鹼性蓄電池 (C) 鉛蓄電池 (D) 鉻-鎳電池
34. 下列何種速度控制法不能作為鼠籠式三相感應電動機的調速法? (A) 改變磁極數目調速法 (B) 改變轉子外加電阻調速法 (C) 改變電源電壓調速法 (D) 改變電源頻率調速法
35. 有關電流繼電器的敘述,下列何者錯誤? (A) 線圈導線粗 (B) 線圈匝數少 (C) 應採用串聯方式連接 (D) 屬於彈性支撐元件
36. 下列何種元件能導通較高的電流? (A) 功率電晶體 (B) SCR (C) GTO (D) 二極體
37. 如下圖所示交流電路中, i
R
與i
L
的相位關係是:
(A) i
R
超前i
L
(B) 同相 (C) 反相 i
R
滯後i
L
(D) ,
38. 熱導式所製成的二氧化碳含量檢測感測器,是應用: (A) 純空氣的順磁性大於二氧化碳的順磁性 (B) 常溫下二氧化碳的導熱率大於純空氣的導熱率 (C) 常溫下純空氣的導熱率大於二氧化碳的導熱率 (D) 純空氣的逆磁性大於二氧化碳的逆磁性
39. 發電機的逆功率繼電器、電壓錶、電流錶等裝置,一般裝設於何處? (A) 供電盤 (B) 控制盤 (C) 並聯盤 (D) 匯流排
40. 下列何者為空氣斷路器(Air circuit breaker)在控制電路中能獨立完成之一項作用? (A) 失電壓保護 (B) 逆功率保護 (C) 逆相序保護 (D) 缺相保護
申論題 (0)
相關試卷
115年 - 115年第一次航海人員測驗【602】二等管輪【000022】船用電機與自動控制概要#138328
115年 · #138328
115年 - 115-1 航海人員測驗 _ 一等管輪:船用電機與自動控制#137837
115年 · #137837
114年 - 114-4 航海人員測驗_二等管輪:船用電機與自動控制概要#133727
114年 · #133727
114年 - 114-4 航海人員測驗 _ 一等管輪:船用電機與自動控制#133524
114年 · #133524
114年 - 114-3 航海人員測驗_一等管輪:船用電機與自動控制概要#130590
114年 · #130590
114年 - 114-3 航海人員測驗_二等管輪:船用電機與自動控制概要#130417
114年 · #130417
114年 - 114 海岸巡防特種考試_三等_海洋巡護科輪機組:船用電機與自動控制#129555
114年 · #129555
114年 - [無官方正解]114-2 航海人員測驗_二等管輪:船用電機與自動控制概要#128256
114年 · #128256
114年 - 114-2 航海人員測驗_一等管輪:船用電機與自動控制#127546
114年 · #127546
114年 - 114-1 航海人員測驗_二等管輪:船用電機與自動控制概要#125848
114年 · #125848