阿摩線上測驗
登入
首頁
>
基本電學(概要)
> 97年 - 97 警察、關務特種考試_四等_交通警察人員電訊組、電機工程:基本電學#48725
97年 - 97 警察、關務特種考試_四等_交通警察人員電訊組、電機工程:基本電學#48725
科目:
基本電學(概要) |
年份:
97年 |
選擇題數:
0 |
申論題數:
5
試卷資訊
所屬科目:
基本電學(概要)
選擇題 (0)
申論題 (5)
一、有兩線圈 A 與 B,N
A
=1000 匝,N
B
=800 匝,若線圈 A 通電流 2A,產生 0.2 韋伯的 磁通,其中 0.04 韋伯通過線圈 B,試求線圈 B 自感量 L
B
。(20 分)
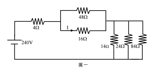
二、如圖一所示,試求電流 I。(20 分)
三、如圖二所示,若 R
L
獲得最大功率為 200 W,試求 V
s
。(20 分)
四、如圖三所示,試求電流 I。(20 分)
五、如圖四所示,試求電壓 V
ab
。(20 分)
相關試卷
115年 - 115 關務特種考試_四等_電機工程(選試英文):基本電學#138955
115年 · #138955
115年 - 115-1 臺北市立大安高工教師甄選試題_電子/控制科:基本電學#138451
115年 · #138451
114年 - 114 關務特種考試_四等_電機工程(選試英文):基本電學#126651
114年 · #126651
113年 - 113 關務特種考試_四等_電機工程(選試英文)、電機工程(選試日文):基本電學#119481
113年 · #119481
112年 - 112 地方政府特種考試_四等_電力工程、電子工程、電信工程:基本電學#118330
112年 · #118330
112年 - 112 普通考試_電力工程、電子工程、電信工程:基本電學#115756
112年 · #115756
112年 - 112 關務特種考試_四等_電機工程:基本電學#113949
112年 · #113949
111年 - 111 地方政府特種考試_四等_電力工程、電子工程、電信工程:基本電學#112594
111年 · #112594
111年 - 111 中華郵政股份有限公司_職階人員資產營運及工程類科甄試試題_專業職(一)/電力工程:基本電學#111525
111年 · #111525
111年 - 111 普通考試_電力工程、電子工程、電信工程:基本電學#109349
111年 · #109349