阿摩線上測驗
登入
首頁
>
基本電學(概要)
> 97年 - 97 身心障礙特種考試_四等_電力工程、電子工程:基本電學#48947
97年 - 97 身心障礙特種考試_四等_電力工程、電子工程:基本電學#48947
科目:
基本電學(概要) |
年份:
97年 |
選擇題數:
0 |
申論題數:
5
試卷資訊
所屬科目:
基本電學(概要)
選擇題 (0)
申論題 (5)
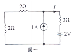
一、分析圖一電路,試求通過 3Ω 電阻之 電流
I
及其消耗之功率。(20 分)
二、如圖二所示,求電流
I
。(20 分)
三、假設圖三之開關在 t = 0 時閉合且 vc(0
-
) = 0。 t=0 i(t) 試求此電路的起始電流 i(0
+
)、 + 終值電流 i( ∞ )和跨於電容器的終值電壓 v
c
( ∞ )。(20 分)
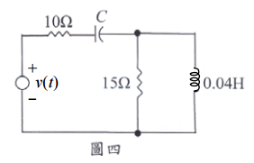
四、如圖四所示,v(t)為一頻率 60 Hz 之 交流電壓源。若此電路共振,試問 電容器的電容值為何?(20 分)
五、某負載由 Z
1
及 Z
2
兩阻抗並聯而成。其中 Z
1
為 5 kΩ 電阻,Z
2
為 5 kΩ 電阻與 10 mH 電感連接之串聯電路。 現將一振幅為 8 mA、頻率為 159.16 kHz 之電流源接到此負載。求輸入到此負載之 平均功率。(20 分)
相關試卷
115年 - 115 關務特種考試_四等_電機工程(選試英文):基本電學#138955
115年 · #138955
115年 - 115-1 臺北市立大安高工教師甄選試題_電子/控制科:基本電學#138451
115年 · #138451
114年 - 114 關務特種考試_四等_電機工程(選試英文):基本電學#126651
114年 · #126651
113年 - 113 關務特種考試_四等_電機工程(選試英文)、電機工程(選試日文):基本電學#119481
113年 · #119481
112年 - 112 地方政府特種考試_四等_電力工程、電子工程、電信工程:基本電學#118330
112年 · #118330
112年 - 112 普通考試_電力工程、電子工程、電信工程:基本電學#115756
112年 · #115756
112年 - 112 關務特種考試_四等_電機工程:基本電學#113949
112年 · #113949
111年 - 111 地方政府特種考試_四等_電力工程、電子工程、電信工程:基本電學#112594
111年 · #112594
111年 - 111 中華郵政股份有限公司_職階人員資產營運及工程類科甄試試題_專業職(一)/電力工程:基本電學#111525
111年 · #111525
111年 - 111 普通考試_電力工程、電子工程、電信工程:基本電學#109349
111年 · #109349