阿摩線上測驗
登入
首頁
>
結構分析(包括材料力學與結構學)
> 98年 - 098年專門職業及技術人員高等建築師、技師、消防設備師、普通不動產經紀人、記帳士、第二次消防設備士暨語言治療師土木工程技師#36691
98年 - 098年專門職業及技術人員高等建築師、技師、消防設備師、普通不動產經紀人、記帳士、第二次消防設備士暨語言治療師土木工程技師#36691
科目:
結構分析(包括材料力學與結構學) |
年份:
98年 |
選擇題數:
0 |
申論題數:
9
試卷資訊
所屬科目:
結構分析(包括材料力學與結構學)
選擇題 (0)
申論題 (9)
⑴請算出套管降伏時施加的力量P
y
。
⑵此系統所能承受最大力量P
u
。
⑶施加的力量剛達到P
u
時的變位。
⑷請繪出施加力量 P 與變位的關係圖。
【已刪除】二、有一結構其構件及節點自由度編號如下圖,鋼纜①及③兩端均為鉸接,其斷面 性質為:A
1
= A
3
= 10 cm
2
,A
2
= 25 cm
2
,I
2
= 100 cm
4
。所有構件(含鋼纜)的彈 性係數均為E = 2.0×10
6
kgf / cm
2
,請寫出消除邊界條件後之勁度矩陣。(20 分)
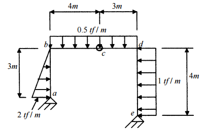
【已刪除】三、下圖之剛構架在 a, c, e 均為鉸接,請計算 a, e 兩點的反作用力。(20 分)
⑴請計算 B 點的變位(10 分)
2.請計算 D 點 的轉角。(10 分)
【已刪除】五、下圖桁架之底部ab, bc, cd, de四桿件在組合完成後升高溫度 30℃,其熱膨脹係數為α = 12×10
-6
cm / cm /℃,一個 32 tf的載重作用於b點,假設c支承預估最後會向下位移 5 cm(包括溫度、載重及下沉共 5 cm),所有桿件L / A =1 m / cm
2
,彈性係數E = 2.0×10
6
kgf / cm
2
,請計算各桿件的力量。(20 分)
相關試卷
114年 - 114 離島地區公務特種考試_三等_土木工程:材料力學與結構學#134741
114年 · #134741
114年 - 114 專技高考_土木工程技師:結構分析(包括材料力學與結構學)#133668
114年 · #133668
114年 - 114 司法特種考試_三等_檢察事務官營繕工程組:結構分析(包括材料力學與結構學)#129563
114年 · #129563
114年 - 114 調查特種考試_三等_營繕工程組:結構分析(包括材料力學與結構學)#129558
114年 · #129558
113年 - 113 離島地區公務特種考試_三等_土木工程:材料力學與結構學#124492
113年 · #124492
113年 - 113 專技高考_土木工程技師:結構分析(包括材料力學與結構學)#123926
113年 · #123926
113年 - 113 調查特種考試_三等_營繕工程組:結構分析(包括材料力學與結構學)#122120
113年 · #122120
113年 - 113 司法特種考試_三等_檢察事務官營繕工程組:結構分析(包括材料力學與結構學)#122107
113年 · #122107
112年 - 112 專技高考_土木工程技師:結構分析(包括材料力學與結構學)#117636
112年 · #117636
112年 - 112 司法特種考試_三等_檢察事務官營繕工程組:結構分析(包括材料力學與結構學)#116196
112年 · #116196