阿摩線上測驗
登入
首頁
>
船用電機與自動控制(概要)
> 98年 - 098年第一次船用電機與自動控制概要#48284
98年 - 098年第一次船用電機與自動控制概要#48284
科目:
船用電機與自動控制(概要) |
年份:
98年 |
選擇題數:
40 |
申論題數:
0
試卷資訊
所屬科目:
船用電機與自動控制(概要)
選擇題 (40)
1. 下列何者不是船用電動甲板機械所需具備之特性? (A). 可作廣範圍之速度控制(B). 輕載時速度減低,重載時速度增加(C). 可以急速的加速與減速(D). 可做到低速時之微調整
2. 使用中的噴嘴擋板機構出現故障機率最高的原因為何? (A). 恆節流孔堵塞(B). 擋板卡住不能移動(C). 噴嘴堵塞(D). 擋板與噴嘴軸線不垂直
3. 在小訊號電晶體放大電路中,直流電源提供的偏壓,其主要目的為: (A). 產生電壓放大效應(B). 提供放大輸入訊號所須之能量(C). 控制電晶體回授電壓(D). 提供適當的操作點
4. 電晶體之共集放大電路之特點為: (A). 放大器之電壓增益趨近 1(B). 放大器之電流增益趨近 1(C). 反向電壓放大(D). 正向電壓放大
5. 在電磁閥或繼電器線圈上常並聯一逆偏之二極體,其功能為: (A). 整流(B). 當線圈電流中斷時,提供繼電器線圈之能量釋放回路(C). 過電壓保護(D). 限制電流大小
6. 矽 PN 接面的障壁電壓通常為: (A). 0.3 V(B). 0.5 V (C). 0.7 V (D). 0.9 V
7. 在負回授控制系統中,誤差(Error)的定義為:(A). 量測值加上干擾值(B). 量測值減去干擾值(C). 量測值減去設定值(D). 設定值減去量測值
8. 電場力把一個單位正電荷從一點移動到另一點所做的功稱之為: (A). 電動勢(B). 電位(C). 電壓(D). 電流
9. 何種物理量的單位是瓦特? (A). 電壓(B). 電流(C). 功率(D). 磁場
10. 一照明電路如圖,發現燈不亮,經檢測發現電源側電壓 220 V 正常,燈泡及BC段電線 完好,因而判定可能在AB或DC段電纜有斷線(設只有一處斷線) 。於AD端接電源之 情況下,為確切查出故障,下面說法正確的是: (A). 用萬用錶歐姆檔測量 AB間電阻值:若 R
AB
≈ 0 ,則完好,若 R
AB
≈ ∞ ,則該電纜斷線(B). 用萬用錶歐姆檔測量以 DC間電阻值:若 R
DC
≈ 0 則完好,若 R
DC
≈ ∞ ,則該電纜斷線 (C). 利用萬用錶的交流電壓檔測AB間電壓:若 U
AB
≈ 220 V,則電纜有斷線,若 U
AB
則電纜完好,可用同法檢測DC電纜 (D). 利用萬用錶的交流電壓檔測AB間電壓:若 U
AB
≈ 220 V ,則電纜完好,若 U
AB
= 0 V , 則電纜斷線,可用同法檢測DC電纜
11. MO機艙之單元警報器(Unit alarm)皆含有 “機艙” 及 “其他” 火災警報兩項目。當大管輪當值,警報於三管輪房間突然響起並顯示 “機艙火警” 紅亮閃爍,經確認後警報即 止鳴,但閃爍依然存在,試問三管輪應如何應變? (A). 小心的下機艙,於控制室內有詳細的區域警示顯示盤 (B). 打電話到控制室,詢問大管輪是否需要協助 (C). 靜待廣播指示,以採取進一步必要措施 (D). 立即著裝,向火災管制站報到
12. 目前商船的電源設備中效率最高的,也是被採用最多的為何類型發電機組? (A). 蒸汽透平發電機組 (B). 柴油引擎發電機組 (C). 主推進軸發電機組 (D). 主機排氣發電機組
13. 某輪 450 VAC三相 60 Hz 全自動配電盤,第 2 號發電機正運轉中且其空氣斷路器 (ACB) ,如圖 “Q” 位置顯示正處於『CLOSED』狀態,試問其意為何? (A). 該發電機尚未供電 (B). 該空氣斷路器斷開 (C). 該發電機正供電中 (D). 該空氣斷路器故障
14. 逆功率繼電器保護的對象為: (A). 電動機 (B). 負載 (C). 接岸電 (D). 發電機組
15. 主機遙控系統中的換向動作是根據下列那項決定? (A). 俥鐘命令與換向閥位置的回授信號 (B). 主機的轉速是否低於換向的轉速(C). 俥鐘的命令與實際的轉向 (D). 轉俥機是否脫開
16. 在主機遙控系統中,有關於正(Ahead)及倒(Astern)邏輯偵測的元件是: (A). 凸輪軸(Cam shaft)的位置(B). 換向閥(Reversing valve)的位置(C). 鐘桿的位置(D). 主機飛輪(Fly wheel)的位置
17. 在氣動閥中屬於時序控制的閥是: (A). 雙止回閥(B). 多路閥(C). 單向節流閥(D). 速度設調壓閥
18. 主機遙控系統中,若要取消程序加(Load up program),需要: (A). 將駕駛台的鐘桿移到全速位置(B). 將控制室的鐘桿移到全速位置(C). 按下程序加(Load up program)取消的按鈕(D). 將主機操控位置移至機側
19. 對於三極之無熔絲開關(NFB) ,當任何一極發生過載而跳脫,則三相馬達將如何運行?(A). 變成二相運行(B). 變成一相運行(C). 仍然三相運行(D). 三相均斷電流,馬達停止
20. 下列有關遠洋船舶上蘇伊士運河燈之敘述何者正確? (A). 兩個獨立光源,交換使用(B). 一個雙絲光源,同時使用(C). 兩個獨立光源,同時使用(D). 一個雙絲光源,雙絲交換使用
21. 在機艙中,常用來檢測主機排氣透平增壓機轉速的檢測器是: (A). 直流測速發電機 (B). 交流測速發電機 (C). 碼盤式測速裝置 (D). 磁脈衝檢測器
22. 直流發電機無法建立額定電壓的原因,下列何者為非? (A). 錯誤的電刷位置 (B). 轉速太高 (C). 短路的電樞或磁場線圈 (D). 磁場電路電阻過大
23. 三相對稱電流通入三相同步電動機的定子繞組時,將會產生什麼磁場? (A). 脈動磁場 (B). 旋轉磁場 (C). 感應磁場 (D). 固定磁場
24. 在燃油之黏度控制系統中,其致動器(Actuator)為何? (A). 柴油機 (B). 燃油加熱器 (C). 蒸汽調節閥 (D). 燃油泵
25. 以下何種場合適合使用壓電感測元件(Piezoelectric sensing element)? (A). 大軸中心失準之量測 (B). 引擎氣缸之爆發壓力量測 (C). 起重機之吊重重量量測 (D). 空氣櫃之壓力量測
26. 100 W,220 V 的燈泡,其額定電流和等效電阻為: (A). 0.2 A/ 110Ω (B). 0.45 A/ 484Ω (C). 0.9 A/ 484Ω (D). 0.45 A/242Ω
27. 下列何種情況下,需要執行調頻及調負荷之工作? (A). 緊急發電機運轉時(B). 發電機並聯運轉時(C). 發電機單機運轉時(D). 調速器特性完全一致的兩台發電機並聯運轉時
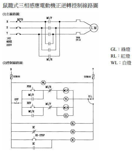
28. 如圖,逆旋轉之馬達為過載,並且已使 THR 跳脫。試選出下列完全正確之敘述: 鼠籠式三相感應電動機正逆轉控制線路圖 GL:綠燈 RL:紅燈 WL:白燈(A). 馬達由逆轉而停止,綠燈由暗而亮,紅燈由暗而亮,警鈴聲響(B). 馬達由逆轉而停止,綠燈由亮而暗,白燈由暗而亮,警鈴不響(C). 馬達由逆轉變正轉,白燈由亮而暗,紅燈由暗而亮,警鈴聲響(D). 馬達由逆轉而停止,綠燈由亮而暗,紅燈由暗而亮,警鈴聲響
29. 電動錨機控制線路之基本保護要求是: (A). 短路、過載、失壓、欠相等(B). 僅有短路與過載保護(C). 僅有短路與欠相保護(D). 僅有短路與欠頻保護 − Δ 接線變壓器中,若有一相故障,則變壓器變為 V − V 接線,此時其全視在功率
30. 三相 Δ 將變成原來的多少倍?(A).1 / 3(B). 1/ √3(C).1 / 2(D). 1/ √2
31. 減少交流同步電動機之激磁,其功率因數將有何影響? (A). 變得比較超前(B). 變得比較滯後(C). 可能變得超前,也可能變得滯後(D). 功率因數不受影響
32. 以下關於變容二極體(Varactor diode)之敘述何者正確? (A). 變容二極體是工作在順偏狀態(B). 調整順向偏壓可調整電容量(C). 順向偏壓增大可降低電容量(D). 變容二極體常用於通訊系統的調諧電路
33. 一個 NTC負溫度係數型之熱敏電阻(Thermistor) ,溫度增加時其特性為何?(A). 電阻上升(B). 電阻下降(C). 電壓上升(D). 電流下降
34. 在順序控制中,若需要多項條件均符合之情形下才允許系統啟動,其電路之連接方式為 何?(A). 串聯之 a 接點(B). 並聯之 a 接點(C). 串聯之 b 接點(D). 並聯之 b 接點
35. 面對階梯型輸入訊號(Step ,系統反應的時間常數(Time constant)顯示其何種特 input) 性?(A). 反應速度(B). 穩定性(C). 準確度(D). 精密度
36. 在鐵心線圈通電後,線圈內產生的磁感應強度與線圈電流的關係為何? (A). 成正比(B). 成反比(C). 呈非線性磁化曲線關係(D). 無關
37. 交流電器的鐵心通常採用矽鋼片疊壓而成,其主要目的為何? (A). 減少渦流損失(B). 減少磁滯損失(C). 增大剩磁(D). 增大磁通量
38. 蓄電池容量的單位為何? (A). 安培-伏特(B). 安培-秒(C). 安培-小時(D). 瓦特
39. 在主機遙控系統中,如果自動迴避臨界轉速是採用迴避上限,當轉速設定在臨界轉速區 時,則主機實際轉速只能為下列何者?(A). 臨界轉速的上限值(B). 高於臨界轉速的上限值(C). 臨界轉速的下限值(D). 低於臨界轉速的下限值
40. 電磁開關之積熱電驛有 2P 與 3P 者,其所代表的意義為何? (A). 適用於接 2 極與 3 極的馬達(B). 適用於接 2 相與 3 相的交流馬達(C). 適用於接 2 倍與 3 倍馬達的實功率(D). 分別表示有二條電熱絲與三條電熱絲
申論題 (0)
相關試卷
115年 - 115年第一次航海人員測驗【602】二等管輪【000022】船用電機與自動控制概要#138328
115年 · #138328
115年 - 115-1 航海人員測驗 _ 一等管輪:船用電機與自動控制#137837
115年 · #137837
114年 - 114-4 航海人員測驗_二等管輪:船用電機與自動控制概要#133727
114年 · #133727
114年 - 114-4 航海人員測驗 _ 一等管輪:船用電機與自動控制#133524
114年 · #133524
114年 - 114-3 航海人員測驗_一等管輪:船用電機與自動控制概要#130590
114年 · #130590
114年 - 114-3 航海人員測驗_二等管輪:船用電機與自動控制概要#130417
114年 · #130417
114年 - 114 海岸巡防特種考試_三等_海洋巡護科輪機組:船用電機與自動控制#129555
114年 · #129555
114年 - [無官方正解]114-2 航海人員測驗_二等管輪:船用電機與自動控制概要#128256
114年 · #128256
114年 - 114-2 航海人員測驗_一等管輪:船用電機與自動控制#127546
114年 · #127546
114年 - 114-1 航海人員測驗_二等管輪:船用電機與自動控制概要#125848
114年 · #125848