阿摩線上測驗
登入
首頁
>
船用電機與自動控制(概要)
> 98年 - 098年第二次船用電機與自動控制概要#48380
98年 - 098年第二次船用電機與自動控制概要#48380
科目:
船用電機與自動控制(概要) |
年份:
98年 |
選擇題數:
40 |
申論題數:
0
試卷資訊
所屬科目:
船用電機與自動控制(概要)
選擇題 (40)
1. 交流感應電動機之旋轉磁場速度為 M,轉子速度為 N,轉差率為 s,則轉子磁場對轉子 而言,相對速度為何?(A) sN(B) sM(C) M+N(D) M-N
2. 兩部交流發電機並聯時,下列何種情形不會產生無效橫流(Reactive cross current)? (A) 各機電動勢大小不相等(B) 各機電動勢相位不一致(C) 各機電動勢波形不相同(D) 各機電動勢相序不相同
3. 下列何項裝置可用來作為交流電機中電樞電阻接地檢驗的測試工具? (A) 伏特計(B) 瓦特計(C) 歐姆計(D) 安培計
4. 在氣動儀錶中,節流元件的主要作用為何? (A) 氣體流量改變時產生壓降(B) 對信號的變化產生提前作用(C) 貯存或放出氣體(D) 提高彈性敏感元件的線性範圍
5. 下列何種方式可以使氣動調節器獲得積分作用? (A) 節流分壓器的負回授(B) 節流分壓器的正回授(C) 節流盲室的負回授(D) 節流盲室的正回授
6. 電晶體之共射放大電路之特點為: (A) 放大器之電壓增益趨近 1(B) 放大器之電流增益趨近 1 (C) 反向電壓放大 (D) 正向電壓放大
7. 在數位電路中具有記憶特性的電路為: (A) AND 邏輯 (B) OR 邏輯 (C) 正反器 (D) 組合邏輯
8. 以下何種控制系統是屬於開路控制(Open loop control)? (A) 燃油之黏度控制 (B) 淨油機之定時沖洗控制 (C) 空氣壓縮機之啟動/停止控制 (D) 鍋爐之水位控制
9. 量測儀器之阻尼調整 (Damping adjust) 是屬於: (A) 儀器靜態特性調整 (B) 儀器之放大率調整 (C) 儀器之功率限制調整 (D) 儀器之動態特性調整
10. 電腦若發生電源斷電時,何種記憶體內的儲存內容會消失? (A) RAM (B) ROM (C) PROM (D) EPROM 機艙之火災感測裝置以紅、白 LED 指示燈分層、分區顯示;若發生火災警報,當值
11. MO 者於控制室按下“確認鈕”(Acknowledge)後,則紅亮閃爍指示燈轉變成: (A) 紅色恆亮 (B) 白色恆亮 (C) 紅色緩閃爍 (D) 白色緩閃爍
12. 如圖為火警 ,試問其感溫作動元件 “雙金屬圓盤” “溫敏偵測器”(Thermal detector) (Bi-metal disk)為圖上之何項標示?
(A) 01 (B) 02 (C) 03 (D) 04
13. 電機機械、設備於故障情況下,避免其原不帶電金屬之暴露部分變成帶電者的處理方法 為何? (A) 設保險絲裝置 (B) 塗佈絕緣材質 (C) 安裝中性分線 (D) 予以有效接地
14. 船舶 440 V 三相 60 Hz 自動主配電盤中,自動整步器(Automatic synchronizer)對新進 匯流排機組進行並聯調整;其主要的調整參數為何? (A) 電流、電壓、頻率 (B) 電壓、頻率、相位 (C) 頻率、相位、電流 (D) 相位、電流、電壓
15. 船舶 440 V 三相 60 Hz 自動配電盤進行自動並聯運作時,開啟整步指示器 (Synchroscope),發現指針正以每秒鐘2 轉速度順時鐘方向旋轉,試問應如何調整並聯?
(A) 待並聯發電機之電壓過低,應增大激磁電流 (B) 待並聯發電機之相位超前過多,應調整其原動機調速器之扭矩馬達,瞬時減速 (C) 待並聯發電機之電壓過高,應減少激磁電流 (D) 待並聯發電機之相位滯後過多,應調整其原動機調速器之扭矩馬達,瞬時加速
16. 裝有逆功率繼電器、電壓互感器及電流互感器的是: (A) 負載盤 (B) 主發電機控制盤 (C) 並聯盤 (D) 緊急發電機控制盤
17. 雙向止回閥兩個輸入端分別是 A 和 B,輸出端是 P,其輸出端是 “0” 的條件是: (A) A=1,B=0 (B) A=1,B=1 (C) A=0,B=0 (D) A=0,B=1
18. 當發生故障警報,輪機員到集中控制室後,卻找不到警報點,其可能原因是: (A) 誤警報 (B) 警報正在延時 (C) 該點指示燈故障 (D) 短時故障之警報
19. 交流同步電動機之轉速與下列何者成反比? (A) 輸入電源之電流 (B) 輸入電源之電壓 (C) 輸入電源之頻率 (D) 磁極極數
20. 下列何種裝置的鐵心端面上裝設有短路銅環? (A) 直流電壓繼電器 (B) 直流電流繼電器 (C) 交流電壓繼電器 (D) 交流定時繼電器
21. 在順序控制中,為了裝置多位置之遙控啟動命令,其最佳電路之連接型態為: (A) 串聯之 a 接點 (B) 並聯之 a 接點 (C) 串聯之 b 接點 (D) 並聯之 b 接點
22. 有一二進制數 00010101
( 2 )
,它所對應的十進制數為: (A) 13 (B) 15 (C) 21 (D) 23
23. 船用電纜若安裝於甲板上並有機械損傷之慮時,按規定應如何施行改善? (A) 接地保護 (B) 鎧裝保護 (C) 彈性護套 (D) 襯材固定
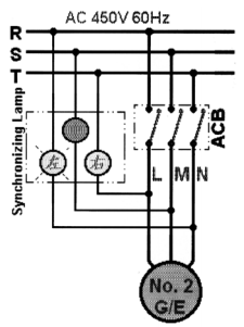
24. 某輪 450V AC 三相 60Hz 全自動配電盤,配有“整步指示燈裝置”其接線原理如圖所 示。若當第 2 號發電機進行自動配電時,顯示“3 燈輪流明滅”,試問其意為何?
(A) 2 號機組之相序、電壓與匯流排相同,但頻率稍異 (B) 2 號機組之電壓、頻率與匯流排相同,但相位則一致 (C) 2 號機組之頻率、電壓與匯流排相同,但相序稍異 (D) 2號機組之電壓、相序稍異於匯流排,但頻率相等
25. 船舶同步發電機控制盤上有許多儀錶,在進行並聯操作時主要觀察的儀錶是: (A) 電流錶 (B) 電壓錶 (C) 頻率錶 (D) 同步錶
26. 採用燈光旋轉法並聯時,待投入電機的電壓與電路匯流排電壓同相位時,三個燈的燈光 呈現是: (A) 三燈均亮 (B) 三燈均暗 (C) 對應相接的燈(主燈)暗,交叉相接的兩個(底部)燈是同樣亮 (D) 對應相接的燈(主燈)亮,交叉相接的兩個(底部)燈是同樣暗
27. 主機遙控系統中,在啟動主機時送至調速器的信號是: (A) 鐘桿設定的轉速 (B) 發火轉速 (C) 最低穩定轉速 (D) 啟動轉速
28. 主機備便中且操位置在駕駛台,若發現遙控系統失靈,最可靠的處理方式是: (A) 關閉控制空氣源 (B) 找出毛病所在並加以解決 (C) 將操位置移至機艙控制室 (D) 將操位置移至機側
29. 以下何者是巡迴監視式警報系統之特點? (A) 在同一時間,只監視一個監視點,只要一個警報控制單元 (B) 在同一時間,只監視一個監視點,每個監視點都要一個警報控制單元 (C) 在同一時間,可監視全部監視點,只要一個警報控制單元 (D) 在同一時間,可監視全部監視點,每個監視點都要一個警報控制單元
30. 在金屬應變片式壓力檢測器中,隨著測量壓力之增大,金屬應變片的長度及電阻如何變 化? (A) 長度伸長,電阻增大 (B) 長度伸長,電阻減少 (C) 長度縮短,電阻增大 (D) 長度縮短,電阻減少
31. 三相交流電動機之每相起動轉矩與下列何者之平方成正比? (A) 轉子電阻 (B) 定子電阻 (C) 轉子電流 (D) 外加電壓
32. 交流感應電動機之速度控制方法中,飽和電抗器控制法屬於下列何種方式之速度控制 法? (A) 改變外加電壓控速法 (B) 改變外加頻率控速法 (C) 改變定子極數控速法 (D) 改變轉子激磁控速法
33. 電壓放大率若使用分貝(Decibell,dB)為單位,分貝的定義為何?
(A) dB = 10* log
10
(V
out
/V
in
)
(B) dB = 20* log
10
(V
out
/V
in
)
(C) dB = 10* (V
out
/V
in
)
(D) dB = 20* (V
out
/V
in
)
34. 固態繼電器(Solid State Relay,SSR)的缺點為何? (A) 雖然開關動作快,然仍無法避免接點開閉時之火花 (B) 檢修不易,元件成本高 (C) 需要注意散熱 (D) 體積龐大
35. 並聯電容的總電容量等於下列何者? (A) 各分電容量和 (B) 各分電容量倒數和 (C) 各分電容量和的倒數 (D) 各分電容量倒數和的倒數
36. 對於純電感交流電路,電感兩端的電壓不變,電源頻率由 60Hz 下降到 50Hz,則通過電 感的電流將如何變化? (A) 減小 (B) 增加 (C) 不變 (D) 為零
37. 靜電對油輪具有相當大的威脅,試問下列措施中何者為有效的靜電洩放? (A) 油貨艙區之觸摸專用金屬板 (B) 控管油貨的注入速度或艙區 (C) 洗艙時限制噴流速度與壓力 (D) 油貨艙應保持惰性氣體充盈
38. 自動氣路切斷器(ACB)的過電流跳脫是為了保護下列何種情況? (A) 過載 (B) 短路 (C) 過載及零電壓 (D) 過載及短路
39. 發電機主開關因過載跳脫後,重新送電前應先採取下列何種措施? (A) 調整失壓跳脫器的設定值 (B) 調整過電流跳脫器的設定值 (C) 卸除次要的負載 (D) 卸除大功率負載
40. 電磁開關之積熱電驛是那一種過載保護? (A) 反時性 (B) 定時性 (C) 局部反時性 (D) 瞬時性
申論題 (0)
相關試卷
115年 - 115年第一次航海人員測驗【602】二等管輪【000022】船用電機與自動控制概要#138328
115年 · #138328
115年 - 115-1 航海人員測驗 _ 一等管輪:船用電機與自動控制#137837
115年 · #137837
114年 - 114-4 航海人員測驗_二等管輪:船用電機與自動控制概要#133727
114年 · #133727
114年 - 114-4 航海人員測驗 _ 一等管輪:船用電機與自動控制#133524
114年 · #133524
114年 - 114-3 航海人員測驗_一等管輪:船用電機與自動控制概要#130590
114年 · #130590
114年 - 114-3 航海人員測驗_二等管輪:船用電機與自動控制概要#130417
114年 · #130417
114年 - 114 海岸巡防特種考試_三等_海洋巡護科輪機組:船用電機與自動控制#129555
114年 · #129555
114年 - [無官方正解]114-2 航海人員測驗_二等管輪:船用電機與自動控制概要#128256
114年 · #128256
114年 - 114-2 航海人員測驗_一等管輪:船用電機與自動控制#127546
114年 · #127546
114年 - 114-1 航海人員測驗_二等管輪:船用電機與自動控制概要#125848
114年 · #125848