阿摩線上測驗
登入
首頁
>
鋼筋混凝土學與設計
> 98年 - 98 鐵路特種考試_高員三級_土木工程:鋼筋混凝土學與設計#34308
98年 - 98 鐵路特種考試_高員三級_土木工程:鋼筋混凝土學與設計#34308
科目:
鋼筋混凝土學與設計 |
年份:
98年 |
選擇題數:
0 |
申論題數:
6
試卷資訊
所屬科目:
鋼筋混凝土學與設計
選擇題 (0)
申論題 (6)
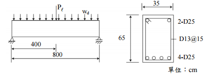
【已刪除】⑴試估算圖示鋼筋混凝土簡支梁因自重及活重所產生之瞬時撓度。(可忽略壓力鋼 筋)(18 分)
【已刪除】⑵若考慮壓力鋼筋之作用,其對長期撓度有何影響?試繪圖說明其理由。(7 分) 已知條件:
二、⑴試檢核圖示鋼筋混凝土梁柱構架中 A-A 斷面之撓曲強度是否足夠?(18 分)
⑵根據設計規範有關耐震設計之規定,在A-A斷面附近之撓曲鋼筋和剪力筋應符合 何種規定?(7 分) 已知條件:使用載重條件下,Md = 15 tf-m,Ml = 13 tf-m fc ' = 280 kgf/cm
2
,fy = 4200 kgf/cm
2
D22 鋼筋,as = 3.87 cm2 /根
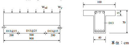
【已刪除】三、試求解圖示鋼筋混凝土簡支梁在剪力筋配置條件下所能承受之最大均佈活載重wl。 (25 分) 100 已知條件:使用載重條件下,梁頂承受之均佈靜載重wsd = 1.5 tf/m(不含梁自重), fc ' = 280 kgf/cm
2
,fy = 2800 kgf/cm
2
D13 鋼筋,as = 1.27 cm
2
/根
【已刪除】四、試以壓拉桿模式列式說明如何分析及設計圖示緊鄰柱下方鋼筋混凝土牆體內的鋼筋。 (25 分) 已知條件:在使用載重條件下,柱之載重P
d
= 30 tf,P
l
= 45 tf,柱下方承壓版尺寸 為 40×40 cm,fc ' = 280 kgf/cm
2
,fy = 2800 kgf/cm
2
,使用D13 鋼筋,a
s
= 1.27 cm
2
/根
相關試卷
114年 - 114 地方政府公務、離島地區公務特種考試_三等_土木工程:鋼筋混凝土學與設計#134753
114年 · #134753
114年 - 114 高等考試_三級_土木工程:鋼筋混凝土學與設計#128726
114年 · #128726
113年 - 113-2 國營臺灣鐵路股份有限公司_從業人員甄試試題_第9階-技術員-土木工程:鋼筋混凝土學與設計概要#137156
113年 · #137156
113年 - 113 國營臺灣鐵路股份有限公司_從業人員甄試_第8階-助理工程師-土木工程:鋼筋混凝土學與設計#137104
113年 · #137104
113年 - 113-2 國營臺灣鐵路股份有限公司_從業人員甄試_第8階-助理工程師-土木工程:鋼筋混凝土學與設計#137090
113年 · #137090
113年 - 113-2 國營臺灣鐵路股份有限公司_從業人員甄試_第 9 階-技術員-土木工程:鋼筋混凝土學與設計概要#135450
113年 · #135450
113年 - 113 地方政府公務、離島地區公務特種考試_三等_土木工程:鋼筋混凝土學與設計#124342
113年 · #124342
113年 - 113 高等考試_三級_土木工程:鋼筋混凝土學與設計#121483
113年 · #121483
113年 - 113 國營臺灣鐵路股份有限公司_從業人員甄試_第 9 階-技術員-土木工程:鋼筋混凝土學與設計概要#119089
113年 · #119089
112年 - 112 地方政府特種考試_三等_土木工程:鋼筋混凝土學與設計#118382
112年 · #118382