阿摩線上測驗
登入
首頁
>
鋼筋混凝土學與設計
>
98年 - 98 鐵路特種考試_高員三級_土木工程:鋼筋混凝土學與設計#34308
> 申論題
題組內容
二、
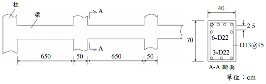
⑵根據設計規範有關耐震設計之規定,在A-A斷面附近之撓曲鋼筋和剪力筋應符合 何種規定?(7 分) 已知條件:使用載重條件下,Md = 15 tf-m,Ml = 13 tf-m fc ' = 280 kgf/cm
2
,fy = 4200 kgf/cm
2
D22 鋼筋,as = 3.87 cm2 /根
相關申論題
二、⑴試檢核圖示鋼筋混凝土梁柱構架中 A-A 斷面之撓曲強度是否足夠?(18 分)
#87209
四、一鋼筋混凝土單筋矩形梁斷面尺寸如圖所示,As=15.16cm2,f′C =280kgf/cm2,fy=4200kgf/cm2,試求設計彎矩強度ΦMn 。(25分)
#562156
三、圖示單筋矩形斷面梁f′C =350 kgf/cm2,fy=4200 kgf/cm2,試求平衡鋼筋量Asb並決定當As=20cm2及60cm2時,斷面之破壞模式。(25分)
#562155
(2)受拉鋼筋中標準彎鉤錨定之尺度與彎曲半徑之規定中,90°、180°彎轉後,有哪些規定?(14分)
#562154
(1)受拉鋼筋中標準彎鉤錨定之尺度與彎曲半徑之規定中,鋼筋端部設置特別之錨定機制為何?(11分)
#562153
一、試說明鋼筋與混凝土合併使用之理由有哪些?(25分)
#562152
2. 臨界斷面處鋼筋所需要承擔之最大剪力強度 ?
#562046
1. 混凝土可承擔之最大剪力強度 。
#562045
2. 離固定端 1 m 處之箍筋(剪力筋)間距 s。
#562044
1. 梁於何處(距離固定端)可不需要設計剪力鋼筋。
#562043
相關試卷
114年 - 114 地方政府公務、離島地區公務特種考試_三等_土木工程:鋼筋混凝土學與設計#134753
114年 · #134753
114年 - 114 高等考試_三級_土木工程:鋼筋混凝土學與設計#128726
114年 · #128726
113年 - 113-2 國營臺灣鐵路股份有限公司_從業人員甄試試題_第9階-技術員-土木工程:鋼筋混凝土學與設計概要#137156
113年 · #137156
113年 - 113 國營臺灣鐵路股份有限公司_從業人員甄試_第8階-助理工程師-土木工程:鋼筋混凝土學與設計#137104
113年 · #137104
113年 - 113-2 國營臺灣鐵路股份有限公司_從業人員甄試_第8階-助理工程師-土木工程:鋼筋混凝土學與設計#137090
113年 · #137090
113年 - 113-2 國營臺灣鐵路股份有限公司_從業人員甄試_第 9 階-技術員-土木工程:鋼筋混凝土學與設計概要#135450
113年 · #135450
113年 - 113 地方政府公務、離島地區公務特種考試_三等_土木工程:鋼筋混凝土學與設計#124342
113年 · #124342
113年 - 113 高等考試_三級_土木工程:鋼筋混凝土學與設計#121483
113年 · #121483
113年 - 113 國營臺灣鐵路股份有限公司_從業人員甄試_第 9 階-技術員-土木工程:鋼筋混凝土學與設計概要#119089
113年 · #119089
112年 - 112 地方政府特種考試_三等_土木工程:鋼筋混凝土學與設計#118382
112年 · #118382