阿摩線上測驗
登入
首頁
>
基本電學(概要)
> 98年 - 98 關務特種考試_四等_電機工程:基本電學#48222
98年 - 98 關務特種考試_四等_電機工程:基本電學#48222
科目:
基本電學(概要) |
年份:
98年 |
選擇題數:
0 |
申論題數:
5
試卷資訊
所屬科目:
基本電學(概要)
選擇題 (0)
申論題 (5)
一、如圖一所示,試求電流
I
。(20 分)
二、如圖二所示,試求
a-b
點間之諾頓等效電路。(20 分)
三、考慮圖三電路,若初值電壓v
c
(0) = 0,試求t > 0 時的電壓v
c
(t)。(20 分)
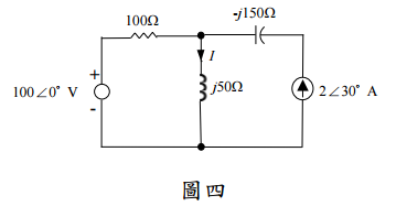
四、考慮圖四所示之交流穩態電路,試求電流相量
I
。(20 分)
五、考慮圖五所示之交流穩態電路,其中負載Z
L
為 4 Ω電阻與 10.6 mH電感連接之串聯 電路。v
s
(t) = 8 sin(377t) (V)。試求輸入到負載Z
L
之平均功率。(20 分)
相關試卷
115年 - 115 關務特種考試_四等_電機工程(選試英文):基本電學#138955
115年 · #138955
115年 - 115-1 臺北市立大安高工教師甄選試題_電子/控制科:基本電學#138451
115年 · #138451
114年 - 114 關務特種考試_四等_電機工程(選試英文):基本電學#126651
114年 · #126651
113年 - 113 關務特種考試_四等_電機工程(選試英文)、電機工程(選試日文):基本電學#119481
113年 · #119481
112年 - 112 地方政府特種考試_四等_電力工程、電子工程、電信工程:基本電學#118330
112年 · #118330
112年 - 112 普通考試_電力工程、電子工程、電信工程:基本電學#115756
112年 · #115756
112年 - 112 關務特種考試_四等_電機工程:基本電學#113949
112年 · #113949
111年 - 111 地方政府特種考試_四等_電力工程、電子工程、電信工程:基本電學#112594
111年 · #112594
111年 - 111 中華郵政股份有限公司_職階人員資產營運及工程類科甄試試題_專業職(一)/電力工程:基本電學#111525
111年 · #111525
111年 - 111 普通考試_電力工程、電子工程、電信工程:基本電學#109349
111年 · #109349