阿摩線上測驗
登入
首頁
>
結構分析(包括材料力學與結構學)
> 99年 - 099年海岸巡防人員、基層警察人員、關務人員、經濟部專利商標審查人員、第一次司法人員及國軍上校以上軍官轉任3等_司法事務官營繕工程事務組#38377
99年 - 099年海岸巡防人員、基層警察人員、關務人員、經濟部專利商標審查人員、第一次司法人員及國軍上校以上軍官轉任3等_司法事務官營繕工程事務組#38377
科目:
結構分析(包括材料力學與結構學) |
年份:
99年 |
選擇題數:
0 |
申論題數:
4
試卷資訊
所屬科目:
結構分析(包括材料力學與結構學)
選擇題 (0)
申論題 (4)
【已刪除】一、有一梁斷面如圖一所示,若此梁斷面所承受之剪力為 60 kN,試求此梁斷面之最大 剪應力,並繪出此梁斷面之剪應力分佈圖。(25 分)
【已刪除】二、有一梁如圖二所示,C 點為鉸接,試繪出此梁之彎矩圖及剪力圖。(25 分)
【已刪除】三、有一桁架如圖三所示,桿件之 AE 均為 25000 kN,若 B 點下陷 1.5 cm,試求各桿之 桿力。(25 分)
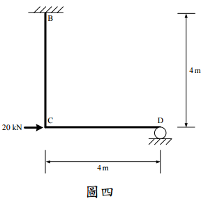
【已刪除】四、有一構架如圖四所示,桿件之 EI 均為定值,試以彎矩分配法求桿端彎矩並繪彎矩 圖。(25 分)
相關試卷
114年 - 114 離島地區公務特種考試_三等_土木工程:材料力學與結構學#134741
114年 · #134741
114年 - 114 專技高考_土木工程技師:結構分析(包括材料力學與結構學)#133668
114年 · #133668
114年 - 114 司法特種考試_三等_檢察事務官營繕工程組:結構分析(包括材料力學與結構學)#129563
114年 · #129563
114年 - 114 調查特種考試_三等_營繕工程組:結構分析(包括材料力學與結構學)#129558
114年 · #129558
113年 - 113 離島地區公務特種考試_三等_土木工程:材料力學與結構學#124492
113年 · #124492
113年 - 113 專技高考_土木工程技師:結構分析(包括材料力學與結構學)#123926
113年 · #123926
113年 - 113 調查特種考試_三等_營繕工程組:結構分析(包括材料力學與結構學)#122120
113年 · #122120
113年 - 113 司法特種考試_三等_檢察事務官營繕工程組:結構分析(包括材料力學與結構學)#122107
113年 · #122107
112年 - 112 專技高考_土木工程技師:結構分析(包括材料力學與結構學)#117636
112年 · #117636
112年 - 112 司法特種考試_三等_檢察事務官營繕工程組:結構分析(包括材料力學與結構學)#116196
112年 · #116196