阿摩線上測驗
登入
首頁
>
船用電機與自動控制(概要)
> 99年 - 099年第三次船用電機與自動控制概要#47099
99年 - 099年第三次船用電機與自動控制概要#47099
科目:
船用電機與自動控制(概要) |
年份:
99年 |
選擇題數:
40 |
申論題數:
0
試卷資訊
所屬科目:
船用電機與自動控制(概要)
選擇題 (40)
1.交流同步發電機之頻率與下列何者有關? (A)原動機轉速 (B)導體總數 (C)寬度因數 (D)每極之磁通數
2.不考慮風損、摩擦損情況下,交流感應電動機轉子每相之輸出功率與轉差率之間有何關係? (A)轉差率為1時,轉子每相之輸出功率最大 (B)轉差率為0.5時,轉子每相之輸出功率最大 (C) 轉差率愈小,則轉子每相之輸出功率愈大 (D)轉差率愈大,則轉子每相之輸出功率愈大
3.針對繞線轉子型感應電動機而言,下列何者正確? (A)最大轉矩之大小,與轉子電路電阻成正比 (B)最大轉矩之大小,與轉子電路電阻成反比 (C) 最大轉矩之大小,與轉子電路電阻無關 (D)發生最大轉矩之轉差率,與轉子電路電阻成反比
4.在控制系統中,可以把執行機構近似地看成下列何種環節? (A)慣性環節 (B)微分環節 (C)積分環節 (D)比例環節
5.若發現氣動儀錶中的恆節流孔和噴嘴堵塞時,下列何者不是適當的清洗方式? (A) 用酒精燈燒洗 (B)用汽油泡洗 (C)用酒精吹洗 (D)用通針和壓縮空氣吹洗
6.場效電晶體(FET)之共源(Common source amplifier)放大電路之特點為: (A)放大器具有高輸入阻抗 (B)放大器有相當高之電壓增益,且電流增益趨近1 (C)放大器之電壓增益趨近1,主要作功率放大 (D) 反向電壓放大
7.電子元件最常使用的半導體材料為: (A)鍺 (B) 矽 (C)碳 (D)銅
8.常見的可調光度式照明燈具(AC 100V 60W),若於設計上追求高能源效率、低成本、體積小、 簡單輕便,則最佳選擇為何種方式控制? (A) 電晶體閘流管 (B)可調整電抗器 (C)自耦型變壓器 (D)滑動式變阻器
9.以下何種正反器會有輸出未定的現象? (A) R-S正反器 (B)J-K正反器 (C)T正反器 (D)D正反器
10.若要將電腦運算的結果送出至外界的驅動裝置(Actuator),必須透過以下何者介面? (A)A/D轉換器 (B) D/A轉換器 (C)A/D轉換器及D/A轉換器 (D)訊號回授電路
11.自動控制的一些保護裝置,例如低位跳脫開關、緊急停止開關,會以下列何種型態連接? (A)以串聯之a接點型態與主繼電器線圈相連 (B)以並聯之a接點型態與主繼電器線圈相連 (C) 以串聯之b接點型態與主繼電器線圈相連 (D)以並聯之b接點型態與主繼電器線圈相連
12.線圈通入電流後,會在線圈中產生磁場,其電流方向與磁場方向符合: (A) 右手螺旋定則 (B)右手定則 (C)左手定則 (D)楞次定律
13.關於電感的下列說法,錯誤的是: (A)電感在直流穩態電路中相當於短路 (B) 電感是耗能元件 (C)電感是金屬線圈元件 (D)電感之負載功因滯後
14.電腦記憶體容量大小單位通常用KB、TB、GB或MB表示,上述四種單位,由大到小排序為何? (A)KB>TB>GB>MB (B) TB>GB>MB>KB (C)MB>KB>TB>GB (D)GB>TB>KB>MB
15.控制室火災感知裝置以白熾指示燈來分層、分區顯示,若發現只有警報音鳴但各區指示燈皆無顯 示,試問當值者應如何迅速進行判定? (A)立即關閉電源再開啟,瞬間閃亮的即是警報區域 (B)按下停鳴鍵時,會瞬間閃亮的區域即是警報區域 (C)立即對經驗可疑區域,嘗試換新指示燈會瞬間閃亮的區域即是警報區域 (D) 立即按下測試按鈕,不亮的該區域即是警報區域
16.當某艙間發生火災,且該區火警感測器線路亦遭波及而斷線,則此自動火災警報系統將依何種程 序作動警報? (A)不發警報 (B)按照時間次序 (C) 火災優先 (D)系統裝備故障優先
17.某船舶450 V AC三相60 Hz全自動配電盤,共有2部柴油發電機組。某日兩部發電機於並聯運轉 時,第1號機組之原動機因其燃油過濾網堵塞而導致ACB斷電器跳脫,尚留第2號機組於供電中。 試問如此現象將導致配電盤上作何處理? (A) 施行第1機組之低電壓繼電器之復置 (B)施行第2機組之逆電力繼電器之復置 (C)施行第1機組之逆電力繼電器之復置 (D)施行第2機組之過電流繼電器之復置
18.現行船上交流發電機的電壓自動調整器,其可允許電壓突降(Voltage dip)的最大值是額定電壓 的多少%? (A)5 (B) 15 (C)20 (D)25
19.電磁接觸器(MC)之「操作電流」是指: (A)框架接點之可耐電流 (B)接點能承受之最高電流 (C) 電磁線圈之額定電壓之電流 (D)負載之額定電流
20.對於無熔絲開關的「把手」之三個位置:ON、中間位置、OFF依序分別表示什麼? (A) 接通,為過電流跳脫,為切離狀況 (B)接通,為切離狀況,為過電流跳脫 (C)切離狀況,為過電流跳脫,為接通 (D)切離狀況,為接通,為過電流跳脫
21.檢測主機的氣缸套溫度,一般均採用什麼檢測器? (A) 熱電耦式 (B)熱電阻式 (C)熱敏電阻式 (D)金屬應變片式
22.一般三相感應電動機不須設置何種保護裝置? (A)過載 (B)失壓 (C)短路 (D) 逆序
23.在自動化儀錶中,由於儀錶本身間隙缺陷所造成的誤差稱為什麼誤差? (A) 基本誤差 (B)相對誤差 (C)絕對誤差 (D)附加誤差
24.在發電機的電壓控制系統中,受控對象(Controlled process)是指: (A) 發電機 (B)比壓器(Potential transformer)及電壓錶組 (C)自動電壓調整器(AVR) (D)激磁機(Exciter)
25.為了能夠並聯分擔負載,並維持頻率的穩定,發電機使用的調速器應具有的特性為: (A)恆速控制 (B)變速控制 (C) 具有速度調降的下垂負載-轉速曲線 (D)具有速度調升的上升負載-轉速曲線
26.如圖若“E”為直流100V,“Res.”為10Ω,“Con.”為10μF;試問當開關“S”按下成通路且 待穩定後“Amp.”電流應為多少?
(A)10A (B)7.07A (C)5A (D) 0A
27.有一二進制數0101001010
(2)
,它所對應的十進制數為: (A)512 (B)14A (C) 330 (D)650
28.船用電纜的內層絕緣體和外層防護材料,兩者共同最重要性質為何? (A)耐臭氧 (B) 阻燃性 (C)抗疲勞 (D)緊密度
29.當主發電機出現過負載時,自動分級卸負載裝置能: (A)立即卸除大功率的負載,使電機能恢復正常供電 (B)立即啟動緊急發電機,以確保供電正常 (C) 自動分級將次要負載從電力系統中移除,以確保電機供電正常 (D)將與航行安全無關的所有負載全部由電力系統中一次移除
30.舵機供電系統中,有關舵機本身或線路的敘述,下列何者為正確? (A)僅舵機本身裝設過載保護 (B)僅供電系統裝設過載保護 (C) 均不裝設過載保護 (D)均裝設過載保護
31.在主機遙控系統一般啟動邏輯迴路中,第一次啟動失敗,下一次啟動應是: (A)慢轉啟動(Slow turning starting) (B)正常啟動(Normal starting) (C) 重啟動(Re-starting) (D)緊急啟動(Emergency starting)
32.故障警報裝置中,若已經發出了3分鐘失職警報,應如何消除該警報? (A)在值班輪機員住所按「確認鈕」 (B)在駕駛台按「確認鈕」 (C) 在集中控制室按「確認鈕」 (D)由故障排除後自動消除
33.變壓器中,一次線圈與二次線圈之電壓(E)與匝數(N)之關係,下列何者正確?
34.下列各種直流電動機的制動法中,何者在反電動勢大於外加端電壓時方可發揮其效益? (A)動力制動 (B) 再生制動 (C)渦流制動 (D)逆相制動
35.下列何者不是固態繼電器(Solid State Relay,SSR)之特點? (A)價廉、體積小 (B)耐用、可靠、壽命長 (C) 容易測試及更換 (D)可高速切換
36.帶通濾波器(Band pass filter)的特性為何? (A)阻止低頻通過高頻 (B)阻止高頻通過低頻 (C) 通過指定高頻、低頻間之訊號,排除其餘頻率之訊號 (D)排除指定高頻、低頻間之訊號,通過其餘頻率之訊號
37.Off-delay定時器(Off-delay timer)之動作特性為何? (A)接定時器線圈的訊號接通時,定時器的接點馬上動作;訊號截止時,定時器的接點馬上回復原 始狀態 (B)接定時器線圈的訊號接通時,定時器的接點需經設定的時間後才會動作;訊號截止時,定時器 的接點馬上回復原始狀態 (C) 接定時器線圈的訊號接通時,定時器的接點馬上動作;訊號截止時,定時器的接點 需經設定的時間後才會回復原始狀態 (D)接定時器線圈的訊號接通時,定時器的接點需經設定的時間後才會動作;訊號截止時,定時器 的接點需經設定的時間後才會回復原始狀態
38.設①電源設備 ②配電裝置 ③電力網絡 ④負載 ⑤變電設備 ⑥控管裝置。其中船舶電力系統的 構成包含下列那四大部分? (A) ①②③④ (B)②③④⑤ (C)③④⑤⑥ (D)①②④⑤
39.主機遙控系統轉速控制迴路是屬於下列何種系統? (A)程序控制系統 (B)邏輯控制系統 (C)開式系統 (D) 閉路控制系統
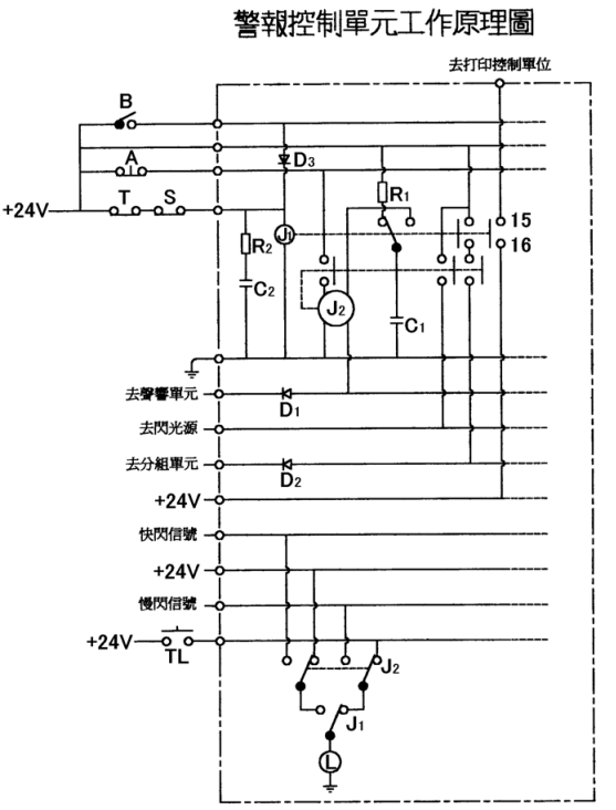
40.某型警報控制單元之工作原理圖如下,若監視點參數越限的瞬間,C 與C 兩電容器有何作用?
(A)C
1
瞬時對J
2
繼電器放電,C
2
暫時失去濾波作用(B)C
1
暫時失去濾波作用,C
2
瞬時對J
1
繼電器放電(C)C
1
使J
1
繼電器延遲斷電,之後C
2
對J
2
繼電器放電(D) C
2
使J
1
繼電器延遲斷電,之後C
1
對J
2
繼電器放電
申論題 (0)
相關試卷
115年 - 115年第一次航海人員測驗【602】二等管輪【000022】船用電機與自動控制概要#138328
115年 · #138328
115年 - 115-1 航海人員測驗 _ 一等管輪:船用電機與自動控制#137837
115年 · #137837
114年 - 114-4 航海人員測驗_二等管輪:船用電機與自動控制概要#133727
114年 · #133727
114年 - 114-4 航海人員測驗 _ 一等管輪:船用電機與自動控制#133524
114年 · #133524
114年 - 114-3 航海人員測驗_一等管輪:船用電機與自動控制概要#130590
114年 · #130590
114年 - 114-3 航海人員測驗_二等管輪:船用電機與自動控制概要#130417
114年 · #130417
114年 - 114 海岸巡防特種考試_三等_海洋巡護科輪機組:船用電機與自動控制#129555
114年 · #129555
114年 - [無官方正解]114-2 航海人員測驗_二等管輪:船用電機與自動控制概要#128256
114年 · #128256
114年 - 114-2 航海人員測驗_一等管輪:船用電機與自動控制#127546
114年 · #127546
114年 - 114-1 航海人員測驗_二等管輪:船用電機與自動控制概要#125848
114年 · #125848