阿摩線上測驗
登入
首頁
>
統測◆(一)電子學、基本電學
> 99年 - 99 四技二專統測_電機與電子群電機類、電機與電子群電子類_專業科目(一):電子學、基本電學#18237
99年 - 99 四技二專統測_電機與電子群電機類、電機與電子群電子類_專業科目(一):電子學、基本電學#18237
科目:
統測◆(一)電子學、基本電學 |
年份:
99年 |
選擇題數:
50 |
申論題數:
0
試卷資訊
所屬科目:
統測◆(一)電子學、基本電學
選擇題 (50)
1. 將規格為 100 V/ 40W 與 100 V/ 80W 的兩個燈泡串接於 120 V 電源,則這兩個燈泡總消耗 功率約為何?(A)2W (B) 58W (C) 38W (D) 27W
2. 某三相平衡負載之線電壓有效值為 200 V,線電流有效值為 10 A,負載之功率因數為 0.8 落後,則其負載的總視在功率 S 與總實功率 P 各為何? (A) S = 6 kVA,P = 2.07kW (B) S = 6 kVA,P = 4.8 kW (C) S = 3.46kVA,P = 1.6 kW (D) S = 3.46kVA,P = 2.77kW
3.如圖(一)所示之電路,交流電源電壓
.,調整電感器使此電路產生諧振,則 此時電感器之端電壓V
L
為何?
4. 下列有關 R-L-C 串聯諧振電路之敘述,何者正確? (A) 諧振時,此電路為純電阻性 (B) 諧振時,電阻值與電容值相同 (C) 諧振時,電感值與電容值相同 (D) 諧振時,此電路為電感性 的 如圖(二)所示之電路,若 v(t) = 100sin( 377t+15o )V,i(t) = 5sin( 377t – 45o 5. )A,則電感器 所消耗的虛功率為何?
5.如圖(二)所示之電路,若
,則電感器 所消耗的虛功率為何?
(A) 125VAR (B) 217VAR (C) 354VAR (D) 433VAR
6. 如圖(三)所示之電路,若
,則 9Ω 電阻消耗的平均功率為何?
(A) 1600W (B) 1000W (C) 800W (D) 600W
7. 如圖(四)所示之電路,則電容 C 之值為何?
(A) 618μF (B) 746μF (C) 920μF (D) 1066μF
8. 一單相馬達具有起動線圈與運轉線圈兩並聯線圈迴路,若兩線圈之電流分別為 10 cos( 377t)A 及 17.32sin( 377t)A,則馬達之總電流為何? (A) 20cos( 377t – 30
o
)A (B) 27.32cos( 377t –30
o
)A (C) 20sin( 377t+30
o
)A (D) 27.32sin( 377t+30
o
)A
9. R-C 串聯負載之交流電路,於穩態條件下,下列敘述何者正確? (A) 負載之電流相角滯後電壓相角 (B) 負載功率因數小於 1 且為滯後 (C) 負載功率因數小於 1 且為領前 (D) 負載的視在功率等於實功率
10. 如圖(五)所示之週期信號 v1(t),其峰值為 Vp,若 D = T
1
/( T
1
+ T
2
),當 D = 0.55 時 v
1
(t)之 a 平均值為何?
(A) 0.74Vp (B) 0.55Vp (C) 0.45Vp (D) 0.25Vp
11.a已知交流電壓 v(t) = v1(t)+v2(t),若 v1(t) = 10 sin( 377t+30o )V, v2(t) = 10 sin( 377t –30
o
)V,則 v(t)為何? (A) v(t) = 20 sin( 377t)V (B) v(t) = 17.3sin( 377t)V (C) v(t) = 14.4sin( 377t)V (D) v(t) = 10 sin( 377t)V
12.R-L 串聯電路,若 R = 1 kΩ,L = 300mH,則電路之時間常數 為何? (A) 0.3μs (B) 0.3ms (C) 3.3s (D) 3333.3s
13.a下列有關串聯電路之敘述,何者錯誤? (A) 電阻、電感串聯電路,電阻愈大,則時間常數愈大 (B) 電阻、電容串聯電路,電阻愈大,則時間常數愈大 (C) 電阻、電容串聯電路,電容愈大,則電路所需之穩態時間愈長 (D) 電阻、電感串聯電路,電感愈大,則電路所需之穩態時間愈長 的
14.a下列有關法拉第定律( Faraday’s law )之感應電勢(電壓)敘述,何者正確? (A) 感應電勢與線圈匝數平方成正比 (B) 感應電勢與通過線圈之磁通量成正比 (C) 感應電勢與線圈匝數成反比 (D) 感應電勢與單位時間內通過線圈之磁通變化量成正比 的
15. 如圖(六)所示之電路,若 L1 = 10mH,L2 = 8mH,M = 4mH,則 a、b 兩端的總電感量 a 為何?
(A) 26mH (B) 10mH (C) 6.4mH (D) 2.46mH
16.a將 0.05 庫倫的正電荷由 b 點移到 a 點,需要作正功 400 m 焦耳,則 a、b 兩點間的電位差 V
ab
為何? (A) 8V (B) 20mV (C) –20mV (D) –8V
17.a如圖(七)所示之電路,若 R
L
消耗最大功率,則此最大功率為何?
(A) 1000W (B) 500W (C) 250W (D) 125W
18. 如圖(八)所示之電路,a、b 兩端由箭頭方向看入之戴維寧等效電壓 E
th
與等效電阻 R
th
各 a 為何?
(A) E
th
= 12V,R
th
= 3Ω (B) E
th
= 12V,R
th
= 4.5Ω (C) E
th
= 15V,R
th
= 3Ω (D) E
th
= 15V,R
th
= 4.5Ω
19.a如圖(九)所示之電路,a、b 兩端的諾頓( Norton )等效電流 I
N
及等效電阻 R
N
各為何?
(A) I
N
= 10A,R
N
= 8Ω (B) I
N
= 10A,R
N
= 6Ω (C) I
N
= 5A,R
N
= 8Ω (D) I
N
= 5A,R
N
= 6Ω
20. 如圖(十)所示之電路,I
1
與 I
2
各為何?
(A) I
1
= – 2A,I
2
= 1A (B) I
1
= – 2A,I
2
= – 1A (C) I
1
= 2A,I
2
= 4A (D) I
1
= 2A,I
2
= 0A
21. 如圖(十一)所示之電路,求 V1及 V2分別為何?
a (A) V1 = 30V,V2 = 20V (B) V1 = 20V,V2 = 30V (C) V1 = 18V,V2 = 12V (D) V1 = 12V,V2 = 18V
22.a1.5 V 乾電池式手電筒,使用過後手電筒漸漸變暗,取出電池以電表量測電池之開路端電壓 為 1.48V (新電池為 1.5V )。造成手電筒漸漸變暗之最可能原因為何? (A) 乾電池之等效串聯內阻漸漸變大 (B) 乾電池之等效串聯內阻漸漸變小,等效電壓不變 (C) 乾電池之等效並聯內阻漸漸變大 (D) 乾電池之等效串聯內阻與等效電壓均變小 的
23.a下列敘述何者正確? (A) 卡為熱量之單位,1 卡熱量約等於 1 焦耳之能量 (B) 導電率與電導係數成反比 (C) 導體之電導值與導體之截面積成反比 (D) 負電阻溫度係數表示溫度下降電阻值升高 的
24.a有一導線的電阻值為 2.5 Ω,在體積不變之條件下將它均勻拉長,使其長度變為原來之 1.2 倍,則導線拉長後之電阻值為何? (A) 3.0Ω (B) 3.6Ω (C) 4.2Ω (D) 4.8Ω 的
25.a一電阻、電感及電容並聯諧振電路中,當外加交流信號頻率 f 大於電路諧振頻率 fo時, 電路之阻抗特性為何? (A) 電感性阻抗 (B) 電阻性阻抗 (C) 電容性阻抗 (D) 無一定之阻抗特性 的 公告 試題電機與電子群 電機類、電機與電子群 電子類 專業科目(一) 第 5 頁 共 8 頁 第二部份:電子學(第 26 至 50 題,每題 2 分,共 50 分) 的
26.a帶電量 1.6 x 10
-19
庫倫的電子,通過 1 伏特的電位差,所需的能量為何? (A) 1.6 x 10
-19
電子伏特( eV ) (B) 1.6 x 10
-19
焦耳 (C) 1 焦耳 (D) 1 瓦特 的
27.a如圖(十二)所示之電路,下列有關 V
o
漣波電壓有效值之敘述,何者正確?
(A) 與 Vi頻率成正比 (B) 與 Vi振幅成正比 (C) 與電阻 RL成正比 (D) 與電容 C 成正比 圖(十二) 的
28. 如圖(十三)所示之電路,D1 為理想二極體,Vi 為最大值 5 V,最小值 0 V 且工作週期 a ( duty cycle )為 0.5 之脈波,則 Vo的平均值為何?
(A) 1.5V (B) 2.5V (C) 3.5V (D) 4.5V 圖(十三) 的
29. 如圖(十四)所示之電路,V
i
= V
m
sinωt,則下列敘述何者正確?
(A) Vo漣波頻率是 Vi電壓頻率的兩倍 (B) 二極體 D1的最大逆向偏壓為 Vm (C) 電容器 C1上的電壓為 2Vm (D) 電路為半波二倍倍壓電路 圖(十四) 的
30.PNP 電晶體工作於飽和區時,其基射極電壓 VBE和基集極電壓 V
BC
為何? (A) V
BE
> 0 及 V
BC
> 0 (B) V
BE
> 0 及 V
BC
< 0 (C) V
BE
< 0 及 V
BC
> 0 (D) V
BE
< 0 及 V
BC
< 0 的
31.a如圖(十五)所示之電路,電晶體 β = 50,切入電壓 V
BE
= 0.7V,則集射極電壓 V
CE
為何?
(A) 5.3V (B) 6.8V (C) 7.8V (D) 9.1V
32. 如圖(十六)所示之電路,電晶體 β = 100,切入電壓 V
BE
= 0.7V 且熱電壓 V
T
= 25mV,則 a 小信號電流增益 IE /IS為何?
(A) 1.0 (B) 40.3 (C) 50.7 (D) 65.2
.
33.a若運算放大器的轉動率( slew rate )為 0.5 V / μs,其輸出訊號為峰值± 5 V 的對稱三角波, 則在不失真的情況下,此訊號頻率最高為何? (A) 20kHz (B) 25kHz (C) 30kHz (D) 50kHz 的
34.a如圖(十七)所示之電路,JFET 的轉移電導 g
m
= 6mS,則使電路維持等幅震盪的 R
D
最小值 約為何?
(A) 2.47kΩ (B) 3.51kΩ (C) 4.83kΩ (D) 6.53kΩ
35.a有一電壓源
,其平均值電壓與有效值電壓比約為何? (A) –0.6 (B) 0 (C) 0.75 (D) 1
36.a下列敘述何者錯誤? (A) 稽納二極體之崩潰電壓與摻雜濃度成正比 (B) 稽納二極體工作在逆向崩潰區才有穩壓功能 (C) 發光二極體屬於冷性發光 (D) 發光二極體由摻雜材料來決定發光顏色
37.a下列關於一般雙極性接面電晶體之敘述,何者正確? (A) 射極摻雜濃度最低且寬度最窄 (B) 射極摻雜濃度最低且寬度最寬 (C) 集極摻雜濃度最高且寬度最窄 (D) 集極摻雜濃度最低且寬度最寬 的
38. 如圖(十八)所示之電路,C
1
之主要功能為何?
(A) 隔離直流偏壓 (B) 消除雜訊 (C) 提高輸入阻抗 (D) 隔離交流訊號 圖(十八) 的
39.a如圖(十九)所示之電路,MOSFET 之臨限電壓 ( threshold voltage ) 為 2 V,閘源極電壓 V
GS
= 4V 時之汲極電流 ID (on) = 1mA,若汲源極電壓 V
DS
= 6V,則電阻 R
D
約為何?
(A) 2MΩ (B) 1.5MΩ (C) 2kΩ (D) 1.5kΩ
40.a如圖(二十)所示之電路,已知 JFET 之 I
DSS
= 4mA,截止電壓( cutoff voltage ) V
GS(off)
= –4V,汲極電阻參數 rd = ∞,則 Vo /Vi約為何?
(A) –3.4 (B) –5.2 (C) –6.3 (D) –8.1
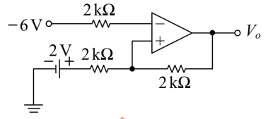
41.a如圖(二十一)所示之理想運算放大器電路,在不飽和情況下,電流 I 為何?
(A) 0.005mA (B) 0.02mA (C) 0.1mA (D) 0.4mA
42.a如圖(二十二)所示之理想運算放大器電路,運算放大器的飽和電壓為± 12 V,則 Vo為何?
(A) –12 V (B) –6 V (C) 6 V (D) 12 V
43.aNPN 電晶體工作於主動區,其射極流出的電子有 0.25 % 在基極與電洞結合,其餘 99.75 % 被集極收集,則此電晶體之 β 值為何? (A) 99 (B) 199 (C) 299 (D) 399 的
44.a如圖(二十三)所示之電路,電晶體的 β = 100,V
CE
= 5V,V
BE
= 0.7V,則 RB值約為何?
(A) 43kΩ (B) 65kΩ (C) 87kΩ (D) 101kΩ
45.a下列關於電晶體共射極且無旁路電容之射極回授偏壓電路之敘述,何者錯誤? (A) 可改善工作點穩定度 (B) 具有電流負回授之功能 (C) 與有旁路電容之射極回授偏壓電路比較,電流增益降低 (D) 與有旁路電容之射極回授偏壓電路比較,電壓增益增加
46.a如圖(二十四)所示之電路,電晶體靜態工作點 V
CE
= 6 V,集極電流 I
C
= 1.2mA,β = 100, 熱電壓 V
T
= 26mV,則輸入阻抗 Zi約為何?
(A) 9.85kΩ (B) 8.33kΩ (C) 7.71kΩ (D) 5.32kΩ
47.a積體電路內之串級放大器電路大部分採用何種耦合方式? (A) 直接耦合 (B) 電容耦合 (C) 電阻耦合 (D) 變壓器耦合 的
48.aN 通道增強型 MOSFET 的臨限電壓( threshold voltage )為 2V,當 V
GS
= 5V 時,MOSFET 工作於飽和區(夾止區),且 I
D
= 3mA。若 V
GS
= 8V,則轉移電導 gm為何? (A) 1mS (B) 2mS (C) 4mS (D) 6mS
49.a如圖(二十五)所示之理想運算放大器電路,流經稽納二極體之電流 I
Z
= 1.5mA,運算放大器 之飽和電壓為± 15V,則 R 值為何?
(A) 1kΩ (B) 2kΩ (C) 3kΩ (D) 5kΩ 圖(二十五) 的
50.a如圖(二十六)所示之理想運算放大器電路,V
1
之峰對峰值約為何?
(A) 2V (B) 3V (C) 4V (D) 5V
申論題 (0)
相關試卷
114年 - 114 四技二專統測_電機與電子群電機類 電機與電子群資電類_專業科目(一):基本電學、基本電學實習、 電子學、電子學實習#126877
114年 · #126877
113年 - 113 四技二專統測_電機與電子群電機、電資類_專業科目(一):基本電學、基本電學實習、 電子學、電子學實習#119627
113年 · #119627
112年 - 112 四技二專統測_電機與電子群電機、電資類_專業科目(一):基本電學(實習)、電子學(實習)#114333
112年 · #114333
111年 - 111 身心障礙學生升學大專校院甄試試題_四技二專組_電機與電子群電機、資電類_專業科目(一):基本電學、基本電學實習、電子學、電子學實習#118902
111年 · #118902
111年 - 111 四技二專統測_電機與電子群電機、電資類_專業科目(一):電子學(含實習)、基本電學(含實習)#107683
111年 · #107683
110年 - 110 四技二專統測_電機與電子群電機類、電機與電子群電資類_專業科目(一):電子學、基本電學#98522
110年 · #98522
109年 - 109 四技二專統測_電機與電子群電機類、電機與電子群資電類_專業科目(一):電子學、基本電學#85155
109年 · #85155
108年 - 108 四技二專統測_電機與電子群電機類、電機與電子群資電類_專業科目(一):電子學、基本電學#79927
108年 · #79927
107年 - 107 四技二專統測_電機與電子群電機類、電機與電子群資電類_專業科目(一):電子學、基本電學#68917
107年 · #68917
106年 - 106 四技二專統測_電機與電子群電機類、電機與電子群資電類_專業科目(一):電子學、基本電學#61702
106年 · #61702