阿摩線上測驗
登入
首頁
>
基本電學(概要)
> 99年 - 99 地方政府特種考試_四等_電力工程、電子工程、電信工程:基本電學#46595
99年 - 99 地方政府特種考試_四等_電力工程、電子工程、電信工程:基本電學#46595
科目:
基本電學(概要) |
年份:
99年 |
選擇題數:
0 |
申論題數:
11
試卷資訊
所屬科目:
基本電學(概要)
選擇題 (0)
申論題 (11)
⑴有一直流電壓馬達,使用 120 V、12 A 之電源可產生 1.6 hp 之馬力,請計算其效 率及功率損失。(10 分)
⑵ㄧ由齒輪箱減速之馬達,每日工作 7 小時,一週工作五天,輸出 7 hp 至負載,若 電價為新臺幣 2.1 元/度(度:臺灣電力公司計價單位),每週之電費為新臺幣 550 元,求此齒輪箱-馬達組合之效率為何?(5 分)
⑴在圖一(a)電路中,試求
V
ab
和流經電阻
R
2
及
R
3
之電流大小及方向(請以↑↓表示)。(6 分)
⑵一配置有相依電源之電路如圖一(b)所示。 1.試求該電路由
a
,
b
端看入之戴維寧等效電路。(10 分)
2.若於該電路之
a
,
b
端外接負載
R
L
,為達最大功率轉移之效,試求
R
L
及最大功率 。(4 分)
⑴請推導跨接電容器兩端之電壓表示式。(10 分)
⑵請繪出電容器之電壓時間變化圖。(10 分)
⑶電容器之蓄電壓何時可達 200 V?(5 分)
⑴計算在圖三(a)電路最大功率轉移時,負載阻抗之
R
L
,
R
L
之功率
P
L
以及自
a
,
b
端轉 移之最大功率
P
max
。(10 分)
⑵圖三(b)方框部分為一瓦特計(wattmeter),試求該瓦特計的讀值。(10 分)
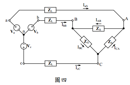
【已刪除】五、圖四為ㄧ平衡之 Y-to-Δ 三相電路。其中 Y 型電源之相電壓(phase voltage)分別為:
V
a
= 110∠0° V rms ,
V
b
= 110∠ − 120° V rms ,
V
c
= 110∠120° V rms 。各段導線阻抗 皆為
Z
L
= 10 + j 5 Ω , Δ 連接之各負載阻抗皆為
Z
Δ
= 75 + j 225 Ω ,試求負載之三個 相電流及輸出至負載之平均功率。(20 分)
相關試卷
115年 - 115 關務特種考試_四等_電機工程(選試英文):基本電學#138955
115年 · #138955
115年 - 115-1 臺北市立大安高工教師甄選試題_電子/控制科:基本電學#138451
115年 · #138451
114年 - 114 關務特種考試_四等_電機工程(選試英文):基本電學#126651
114年 · #126651
113年 - 113 關務特種考試_四等_電機工程(選試英文)、電機工程(選試日文):基本電學#119481
113年 · #119481
112年 - 112 地方政府特種考試_四等_電力工程、電子工程、電信工程:基本電學#118330
112年 · #118330
112年 - 112 普通考試_電力工程、電子工程、電信工程:基本電學#115756
112年 · #115756
112年 - 112 關務特種考試_四等_電機工程:基本電學#113949
112年 · #113949
111年 - 111 地方政府特種考試_四等_電力工程、電子工程、電信工程:基本電學#112594
111年 · #112594
111年 - 111 中華郵政股份有限公司_職階人員資產營運及工程類科甄試試題_專業職(一)/電力工程:基本電學#111525
111年 · #111525
111年 - 111 普通考試_電力工程、電子工程、電信工程:基本電學#109349
111年 · #109349