阿摩線上測驗
登入
首頁
>
基本電學(概要)
> 99年 - 99 關務特種考試_四等_電機工程:基本電學#46984
99年 - 99 關務特種考試_四等_電機工程:基本電學#46984
科目:
基本電學(概要) |
年份:
99年 |
選擇題數:
0 |
申論題數:
8
試卷資訊
所屬科目:
基本電學(概要)
選擇題 (0)
申論題 (8)
⑴此電池的內阻為多少歐姆?(10 分)
⑵若輸出電流為 5 安培時,則輸出電壓為多少伏特?(10 分)
⑴試求 A、B 兩點間之戴維寧及諾頓等效電路。 (10 分)
⑵當 A、B 間以一 5 歐姆電阻連接時,流過此電阻 之電流為何?(10 分)
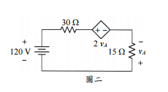
三、如圖二所示之電路,試算出電路中各元件 所產生或消耗之功率。(20 分)
⑴若i
x
= 5 安培,則v
1
及i
y
之值分別為何? (10 分)
⑵若v
1
= 3 伏特,則i
x
及i
y
之值分別為何? (10 分)
五、如圖四所示,試求交流電路中 I
1
及 I
2
之值。 (20 分)
相關試卷
115年 - 115 關務特種考試_四等_電機工程(選試英文):基本電學#138955
115年 · #138955
115年 - 115-1 臺北市立大安高工教師甄選試題_電子/控制科:基本電學#138451
115年 · #138451
114年 - 114 關務特種考試_四等_電機工程(選試英文):基本電學#126651
114年 · #126651
113年 - 113 關務特種考試_四等_電機工程(選試英文)、電機工程(選試日文):基本電學#119481
113年 · #119481
112年 - 112 地方政府特種考試_四等_電力工程、電子工程、電信工程:基本電學#118330
112年 · #118330
112年 - 112 普通考試_電力工程、電子工程、電信工程:基本電學#115756
112年 · #115756
112年 - 112 關務特種考試_四等_電機工程:基本電學#113949
112年 · #113949
111年 - 111 地方政府特種考試_四等_電力工程、電子工程、電信工程:基本電學#112594
111年 · #112594
111年 - 111 中華郵政股份有限公司_職階人員資產營運及工程類科甄試試題_專業職(一)/電力工程:基本電學#111525
111年 · #111525
111年 - 111 普通考試_電力工程、電子工程、電信工程:基本電學#109349
111年 · #109349