阿摩線上測驗
登入
首頁
>
機電整合概論
>
111年 - 111 全國高級中等學校學生技藝競賽考試_工業類:機電整合#138337
> 試題詳解
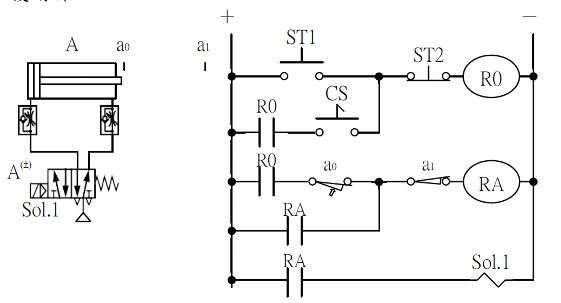
10. 如圖電氣-氣壓迴路,按一下ST1放開後,再切下CS選擇鈕,則氣壓缸會變為連續往複動作。
(A)O
(B)X
答案:
登入後查看
統計:
尚無統計資料
相關試題
1. 在氣壓系統中,排氣節流控制速度方式,於負載變動時,速度的變動率比進氣節流方式高。(A)O(B)X
#3852141
2. 固態繼電器(SSR)是一種無接點的交流控制開關,可應用於介面電路上,具有良好的訊號隔離功能。(A)O(B)X
#3852142
3. 為能清楚了解較複雜機械元件內部構造、尺寸、形狀等,採用輔助視圖最佳。(A)O(B)X
#3852143
4. 具NPN 電晶體輸出介面之感測開關可以直接驅動小型負載,不需外加電源。(A)O(B)X
#3852144
5. 比流器是低導磁鐵心之一種變壓器,因此二次側不可開路。(A)O(B)X
#3852145
6. 油壓緩衝器的抵抗力和油壓緩衝器的節流閥孔口斷面積成反比。(A)O(B)X
#3852146
7. 電力用戶在用電時,功率因數60%比70%好。(A)O(B)X
#3852147
8. 在低壓氣壓感測系統(含放大器)中,不可使用潤滑器的最主要原因為輸送管路會阻塞。(A)O(B)X
#3852148
9. 滚珠導螺桿帶動滑台具有反覆定位之重置精度很高之特性。(A)O(B)X
#3852149
11. 保持型繼電器(Holding Relay)有2個控制線圈,〝SET〞線圈僅能使該繼電器作動後,即啟動;復歸時,只要將〝RST〞線圈送給電源即可復歸,惟需注意〝+〞、〝-〞極性問題,才能正確作動。(A)O(B)X
#3852151
相關試卷
113年 - 113 中央印製廠新進人員甄試試題_機械技術員:機電整合概論#123110
2024 年 · #123110
111年 - 111 全國高級中等學校學生技藝競賽考試_工業類:機電整合#138337
2022 年 · #138337
110年 - 110 全國高級中等學校學生技藝競賽考試_工業類:機電整合#139126
2021 年 · #139126
110年 - 公共工程品管(機電)51-100#109810
2021 年 · #109810
110年 - 公共工程品管(機電)1-50#109808
2021 年 · #109808
110年 - 110-4 公共工程品管教育訓練系統_品管班期末測驗卷:機電#98872
2021 年 · #98872
108年 - 機電概論101-118#82214
2019 年 · #82214
108年 - 機電概論51-100#82213
2019 年 · #82213
108年 - 機電概論1-50#82211
2019 年 · #82211
107年 - 2018 第十八屆 自動化工程師-機電整合概論#72742
2018 年 · #72742