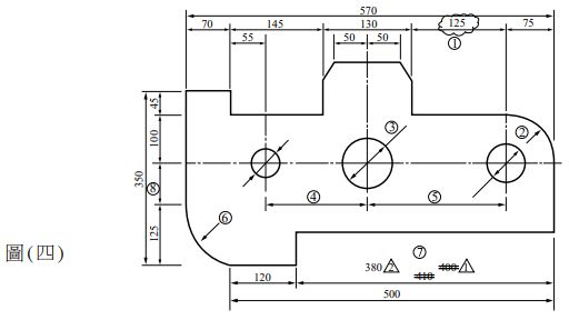
26. 建築師 Abby 針對某一特殊建築造型之設計圖面如圖 ( 四 ),其單位為公分 ( cm )。關於圖 中的尺寸標註內容如①至⑧所示。下列組合,何者全部 錯誤 ?
①
為錯誤數字,正確應為150 ②半徑為75 cm,圖上註記為 Ø75
③直徑為80cm,圖上註記為R80 ④尺度數字為155
⑤尺度數字為215 ⑥線段為弦,其符號為「⌒」
⑦三角形符號內的數字為修改次數 ⑧尺度數字為90
(A) ②④⑦⑧
(B) ①④⑤⑥
(C) ②③⑥⑧
(D) ①③⑤⑦
答案:登入後查看
統計: A(2), B(5), C(7), D(4), E(0) #3831407
統計: A(2), B(5), C(7), D(4), E(0) #3831407