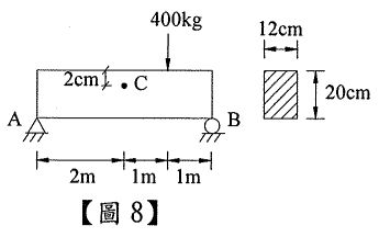
27. 如右【圖8】之均質簡支梁,若不計梁重,其斷面為 12cm×20cm,則C點位置之彎曲應力為多少 kg/cm²?
(A) 25
(B) 15
(C) 20
(D) 30
答案:登入後查看
統計: 尚無統計資料
統計: 尚無統計資料
27. 如右【圖8】之均質簡支梁,若不計梁重,其斷面為 12cm×20cm,則C點位置之彎曲應力為多少 kg/cm²?
(A) 25
(B) 15
(C) 20
(D) 30