阿摩線上測驗
登入
首頁
>
鐵路◆鐵路養護作業
>
111年 - 111 鐵路特種考試_佐級_養路工程:鐵路養護作業大意#108513
> 試題詳解
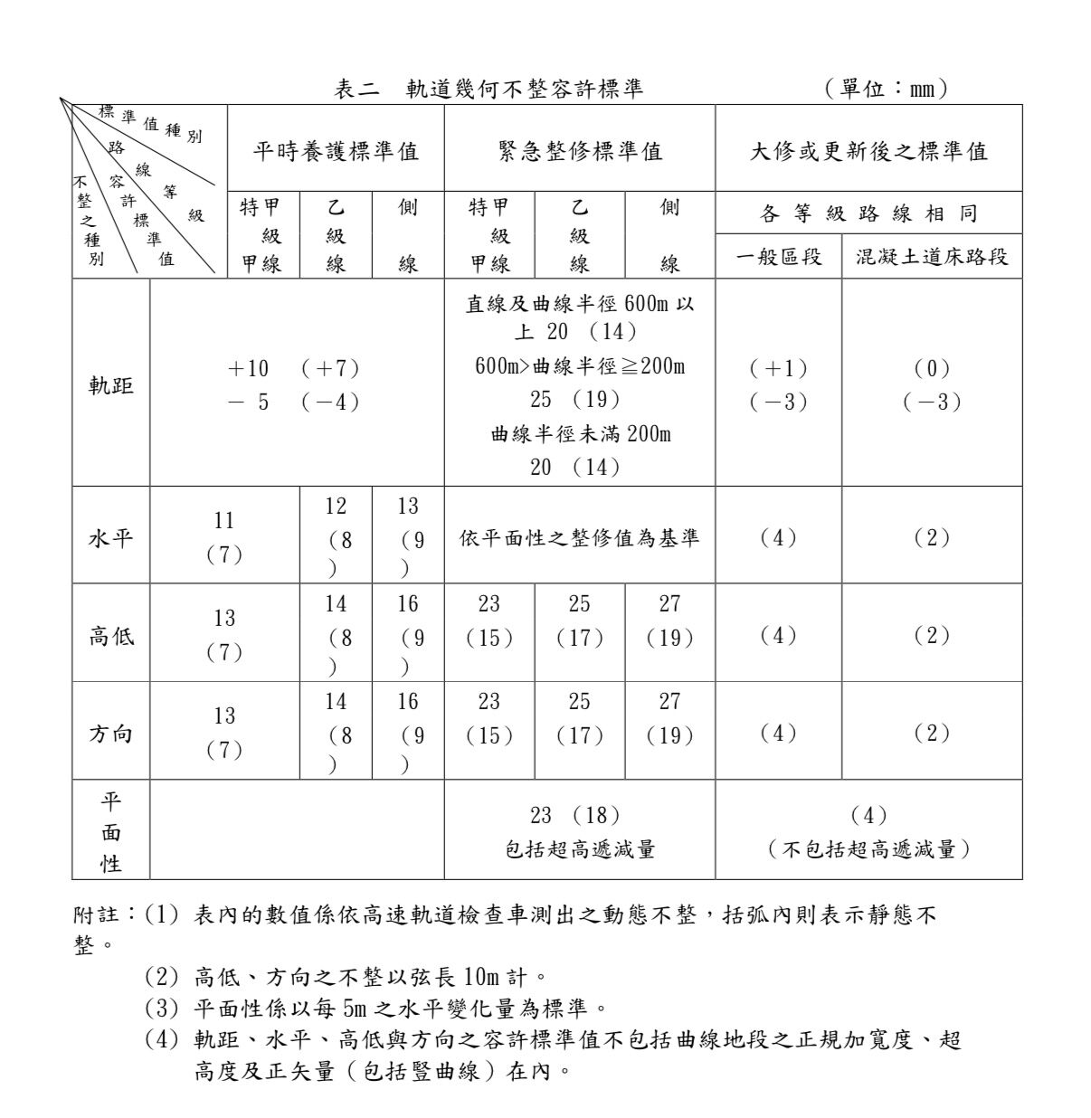
46 軌道養護依據不同路線等級和不整之種類有所差異,請問在平時養護時,特甲級線之水平動態不整的容許 標準值為何?
(A) 13 mm
(B) 11 mm
(C) 23 mm
(D) 16 mm
答案:
登入後查看
統計:
A(137), B(334), C(6), D(40), E(0) #2937723
詳解 (共 1 筆)
沒有問題的穩穩走
B1 · 2023/05/24
#5822360
2
0
私人筆記 (共 1 筆)
已上榜,感謝阿摩(連三榜)
2026/01/15
私人筆記#7737940
未解鎖
第46題 題目:特甲級線平時養護「水平...
(共 72 字,隱藏中)
前往觀看
2
0
相關試題
1 依據鐵路建設作業程序對於特甲級及甲級線道岔內曲線半徑得縮減至多少? (A) 100 公尺 (B) 120 公尺 (C) 140 公尺 (D) 160 公尺
#2937678
2 1067 mm軌距鐵路長焊鋼軌鋪設及養護規範規定:伸縮接頭滑距位置之設定,在較中間溫度相差5℃以上之 溫度鋪定時,則應按溫度差調整中位,調整比例以每1℃幾mm? (A) 1.0 (B) 1.5 (C) 2.0 (D) 2.5
#2937679
3 對於長焊鋼軌區間之軌道構造下列何者敘述錯誤? (A)採用每公尺五十公斤級以上鋼軌或同等鋼軌 (B)道碴橫向阻力之值以平直路段單根軌枕橫向位移 2mm 之橫向拉力換算值為準 (C)長焊鋼軌兩端接頭常採用伸縮接頭 (D)道碴道床之軌枕以採用非預力混凝土軌枕為原則
#2937680
4 對於伸縮接頭鋪設下列何者敘述錯誤? (A)介曲線及豎曲線段不得鋪設伸縮接頭 (B)伸縮接頭之尖軌,原則上以列車行進方向面向鋪設 (C)伸縮接頭之中位位置應設基準樁,並標記於尖軌、受軌 (D)伸縮接頭區之軌框必須具有足夠之結構完整性及穩定性,以防止變形或扭曲
#2937681
5 關於緩衝軌的說明,下列何者正確? (A)毗連長焊鋼軌軌道端,為吸收伸縮而鋪設之數根定尺鋼軌或短鋼軌 (B)原出廠之一定長度(或稱標準長度)鋼軌 (C)經鋪設後能在軌道中央段產生不動區間之焊接鋼軌 (D)以定尺鋼軌焊接長度二百公尺以下之鋼軌
#2937682
6 關於軌道養護作業,下列敘述何者錯誤? (A)軌距水平尺、高低測量器及軌道幾何檢測儀器等,應經常檢查並予以校正 (B)路線各種標誌應經常維護 (C)在電車線帶電情形下,工作人員,搭建或拆除工作架及其使用之工具,應與帶電設備保持 1m 以上之安 全距離 (D)列車發生脫軌事故有可能使建築物及車輛蒙受嚴重損害之處所,應加設適當之安全護軌或措施
#2937683
7 請問下列何者不是鋼軌向內傾斜的優點? (A)降低鋼軌頭部之磨耗 (B)降低軌距擴大 (C)使鋼軌受力均勻分布至軌枕 (D)降低鋼軌熱漲冷縮之力量
#2937684
8 請問下列岔心號數何者岔心角之角度最大? (A)8號 (B) 10 號 (C) 12 號 (D) 18 號
#2937685
9 下列那一種焊接方式需要額外的藥劑? (A)瓦斯壓接 (B)電阻火花焊接 (C)鋁熱焊接 (D)雷射焊接
#2937686
10 當鋼軌發生斷裂時,可使用下列何者進行臨時搶救? (A)護軌 (B)扣件 (C)道釘 (D)魚尾鈑
#2937687
相關試卷
112年 - 112 鐵路特種考試_佐級_養路工程:鐵路養護作業大意#114895
2023 年 · #114895
111年 - 111 交通部臺灣鐵路管理局_工務處營運人員甄試_服務佐理_養路工程:鐵路工程及鐵路養護作業大意#111076
2022 年 · #111076
111年 - 111 鐵路特種考試_佐級_養路工程:鐵路養護作業大意#108513
2022 年 · #108513
110年 - 111 鐵路特種考試_佐級_養路工程:鐵路養護作業大意#101592
2021 年 · #101592
109年 - 109 鐵路特種考試_佐級_養路工程:鐵路養護作業大意#87196
2020 年 · #87196
108年 - 108 鐵路特種考試_佐級_養路工程:鐵路養護作業大意#76869
2019 年 · #76869
107年 - 107 鐵路特種考試_佐級_養路工程:鐵路養護作業大意#69503
2018 年 · #69503
106年 - 106 工務處及各工務段營運人員:鐵路養護作業大意A#69738
2017 年 · #69738
106年 - 106 工務處及各工務段營運人員:鐵路養護作業大意B#69737
2017 年 · #69737
106年 - 106 鐵路特種考試_佐級_養路工程:鐵路養護作業大意#62319
2017 年 · #62319