阿摩線上測驗 登入

申論題資訊

試卷:111年 - 111 高等考試_三級_汽車工程:汽車電機學#109439
科目:汽車電機學
年份:111年
排序:0

題組內容

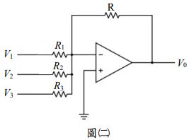
四、考慮圖(二)之運算放大器(Operational Amplifier)電路,已知 V1= 2 V , V2 = 4 V ,V3 =8 V 。 R1 = 1 kΩ , R2= 2 kΩ , R3 = 4 kΩ 。
 請回答下列問題:

62d8b3c37dd1c.jpg

申論題內容

(一)流經電阻 R 之電流為何(由左往右方向)?(7 分)