阿摩線上測驗
登入
首頁
>
基本電學(概要)
>
103年 - 103 普通考試_電力工程、電子工程、電信工程:基本電學#43461
> 申論題
題組內容
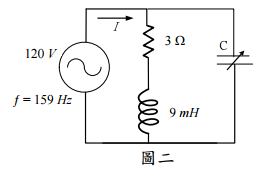
二、如圖二,試求:
⑴電容 C 值調為何值,電路產生諧振。(5 分)
相關申論題
⑴當接收機獲得最大功率轉移時,求圖一(b)的阻抗 Rin + jX in 。
#139826
⑵由⑴之結果,試求由天線送至接收機的平均功率。
#139827
⑶由⑵之結果,試求跨於負載的最大電壓值。
#139828
⑷求圖一(c)中含負載之輸入阻抗值 Z in 。
#139829
⑸由⑷之結果,說明圖一(c)中負載阻抗是否可自天線端獲得最大電壓(原因)?
#139830
⑵諧振時,I 值為多少?(5 分)
#139832
⑶品質因數 Q 值為何?(5 分)
#139833
⑴ I A 、V AN 。(6 分)
#139835
⑵ I B 、 I C 、VBN 與VCN 。(12 分)
#139836
⑶V AB 、VBC 與VCA 。(9 分)
#139837
相關試卷
115年 - 115 關務特種考試_四等_電機工程(選試英文):基本電學#138955
115年 · #138955
115年 - 115-1 臺北市立大安高工教師甄選試題_電子/控制科:基本電學#138451
115年 · #138451
114年 - 114 關務特種考試_四等_電機工程(選試英文):基本電學#126651
114年 · #126651
113年 - 113 關務特種考試_四等_電機工程(選試英文)、電機工程(選試日文):基本電學#119481
113年 · #119481
112年 - 112 地方政府特種考試_四等_電力工程、電子工程、電信工程:基本電學#118330
112年 · #118330
112年 - 112 普通考試_電力工程、電子工程、電信工程:基本電學#115756
112年 · #115756
112年 - 112 關務特種考試_四等_電機工程:基本電學#113949
112年 · #113949
111年 - 111 地方政府特種考試_四等_電力工程、電子工程、電信工程:基本電學#112594
111年 · #112594
111年 - 111 中華郵政股份有限公司_職階人員資產營運及工程類科甄試試題_專業職(一)/電力工程:基本電學#111525
111年 · #111525
111年 - 111 普通考試_電力工程、電子工程、電信工程:基本電學#109349
111年 · #109349