題組內容
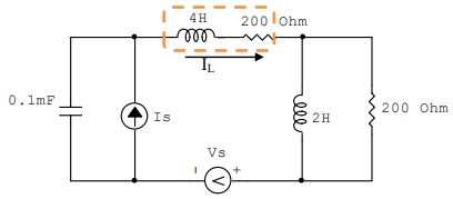
三、如下圖所示交流電路,各元件之值已標註於圖上,其中 Ohm 為歐姆、H 為亨利、F 為法拉、m 代表 10-3。若 Vs =
cos(100t) , Is =
cos(100t)。
(一)利用電源轉換代換掉電流源,使電路僅包含電壓源,繪製此交流電路之等效阻抗電路圖。 (10 分)
詳解 (共 1 筆)
詳解

三、如下圖所示交流電路,各元件之值已標註於圖上,其中 Ohm 為歐姆、H 為亨利、F 為法拉、m 代表 10-3。若 Vs =
cos(100t) , Is =
cos(100t)。
