阿摩線上測驗
登入
首頁
>
鐵路◆基本電學(概要)
>
112年 - 112 鐵路特種考試_員級_電力工程、電子工程:基本電學#114937
> 申論題
題組內容
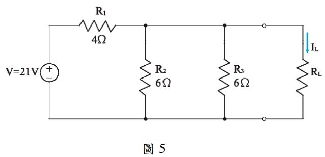
四、
(一)在圖5的電路,欲使R
L
得到最大功率時,其值應為多少及此一最大功率為多少?(10分)
詳解 (共 1 筆)
詳解
提供者:KJ L
相關申論題
(一)試求圖1(a)波形的有效值。(10分)
#490583
(二)試求圖1(b)波形的有效值,其中波形的幅度為100,τ=3,T=12。(5分)
#490584
(三)求i(t)=50+30sinωtA的有效值。(10分)
#490585
(一)試求圖2電路中的VL(t)為多少?(15分)
#490586
(二)試求圖3電路的等效阻抗。(10分)
#490587
(一)試求圖4的等效電容為多少?(10分)
#490588
(二)如果將此電路接至一個24V的電源時,則跨於12μF電容器的電壓為多少?儲存於12μF電容器的電荷量又為多少?(15分)
#490589
(二)一個由200V電壓源以及5kΩ所構成的串聯電路,今若以內電阻為100Ω的安培計來測量此電流時,請問實際測量得到的電流為多少?此安培計所產生的負載效應為多少?若採用另一個內電阻為500Ω的安培計來測量此電流時,實際測量所產生的負載效應為多少?(15分)
#490591
(二)若買不到如此大的電容而改採較小的電容,請針對穩態響應時的電容電壓、儲存能量以及暫態響應中電容電壓的上升時間說明此較小電容的影響。(10 分)
#490604
(一)請計算當電路達穩態時,儲存於電容 C 之電位能。 (15 分)
#490603
相關試卷
114年 - 114 國營臺灣鐵路股份有限公司花蓮機務段_從業人員甄試試題:基本電學概要#133332
114年 · #133332
114年 - 114 國營臺灣鐵路股份有限公司_從業人員司機員甄試_第 9 階-列車駕駛:基本電學#125457
114年 · #125457
113年 - 113-2 國營臺灣鐵路股份有限公司_從業人員甄試試題_第10階-助理技術員-機械、電機、第11階-服務員-電務、電力:基本電學概要#125612
113年 · #125612
113年 - 113 國營臺灣鐵路股份有限公司_從業人員甄試_第 11 階-服務員-電務、電力:基本電學概要#118987
113年 · #118987
113年 - 113 國營臺灣鐵路股份有限公司_從業人員甄試_第10階助理技術員-機械、電機:基本電學概要#118959
113年 · #118959
112年 - 112 鐵路特種考試_員級_機械工程:基本電學#114941
112年 · #114941
112年 - 112 鐵路特種考試_員級_電力工程、電子工程:基本電學#114937
112年 · #114937
111年 - 111 鐵路特種考試_員級_電力工程、電子工程:基本電學#108611
111年 · #108611
111年 - 111 鐵路特種考試_員級_機械工程:基本電學#108609
111年 · #108609
110年 - 110 鐵路特種考試_員級_機械工程、電力工程、電子工程:基本電學#101598
110年 · #101598