阿摩線上測驗
登入
首頁
>
基本電學(概要)
>
110年 - 110 普通考試_電力工程、電子工程、電信工程:基本電學#102346
> 申論題
題組內容
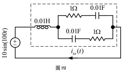
四、穩態電路如圖四所示,虛線內為電路負載。
(一)請計算各電容之阻抗(Ω) 。
詳解 (共 3 筆)
Taizo Kumagai
詳解 #5739050
2023/03/06
1Ω
(共 4 字,隱藏中)
前往觀看
☆○奕軍●★
詳解 #5165648
2021/10/20
皆為1歐姆
(共 7 字,隱藏中)
前往觀看
牛奶
詳解 #5292953
2022/01/08
電容抗= 1/(100* 0.01) =...
(共 25 字,隱藏中)
前往觀看
相關申論題
(二)請計算穩態電流 iss (t ) 。
#430958
(三)請計算各 1 Ω 電阻之平均功率。
#430959
(四)請計算負載之複數功率。
#430960
(一)請根據波形計算電阻 R 之消耗功率(W)。
#430961
(二)請根據波形計算係數 a。
#430962
(三)請根據波形寫出電流 i2 (t ) 之數學函式。
#430963
(四)請根據波形計算電抗 X L (Ω) 。
#430964
(一)醫事人員考試規則屬於何種性質之行政法法源?此類法源制訂時,應 特別注意必須合乎何種行政法原則?(15 分)
#430965
(二)考選部之 A 函為何種行政行為?(15 分)
#430966
二、請說明衛生福利部負責衛生行政之業務單位及職掌。 (10 分)
#430967
相關試卷
115年 - 115 關務特種考試_四等_電機工程(選試英文):基本電學#138955
115年 · #138955
115年 - 115-1 臺北市立大安高工教師甄選試題_電子/控制科:基本電學#138451
115年 · #138451
114年 - 114 關務特種考試_四等_電機工程(選試英文):基本電學#126651
114年 · #126651
113年 - 113 關務特種考試_四等_電機工程(選試英文)、電機工程(選試日文):基本電學#119481
113年 · #119481
112年 - 112 地方政府特種考試_四等_電力工程、電子工程、電信工程:基本電學#118330
112年 · #118330
112年 - 112 普通考試_電力工程、電子工程、電信工程:基本電學#115756
112年 · #115756
112年 - 112 關務特種考試_四等_電機工程:基本電學#113949
112年 · #113949
111年 - 111 地方政府特種考試_四等_電力工程、電子工程、電信工程:基本電學#112594
111年 · #112594
111年 - 111 中華郵政股份有限公司_職階人員資產營運及工程類科甄試試題_專業職(一)/電力工程:基本電學#111525
111年 · #111525
111年 - 111 普通考試_電力工程、電子工程、電信工程:基本電學#109349
111年 · #109349