題組內容
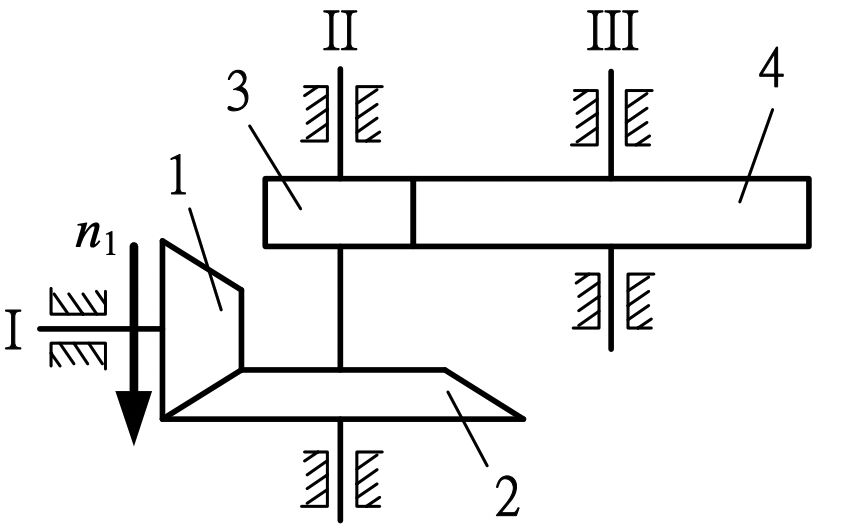
五、下圖為由直傘齒輪和螺旋齒輪組成的傳動系統機構簡圖,已知軸 I 為輸入 軸(圖中標示轉速 n1 及其旋轉方向),假設傳動效率為 100%,輸出軸功率 PIII = 5 kW、輸出軸轉速 nIII = 157 rpm,齒輪 1~4 之齒數分別為 z1 = z5、 z2 = 60、z3 = 22、z4 = 84,試回答下列問題:
五、下圖為由直傘齒輪和螺旋齒輪組成的傳動系統機構簡圖,已知軸 I 為輸入 軸(圖中標示轉速 n1 及其旋轉方向),假設傳動效率為 100%,輸出軸功率 PIII = 5 kW、輸出軸轉速 nIII = 157 rpm,齒輪 1~4 之齒數分別為 z1 = z5、 z2 = 60、z3 = 22、z4 = 84,試回答下列問題: