阿摩線上測驗 登入

申論題資訊

試卷:113年 - 113 教育部受託辦理公立高級中等學校教師甄選試題:電機科、控制科、冷凍空調科、電機空調科#122238
科目:教甄◆電子科/資訊科/電機科/冷凍空調科/控制科/電機空調科
年份:113年
排序:0

題組內容

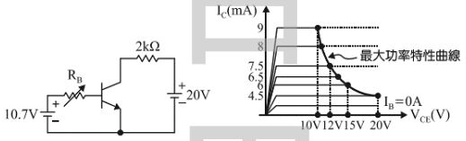
4. 小明在進行共射極放大器及電晶體最大功率之特性曲線實驗,電路及結果如下圖所示,從圖中可知66c40ef0bfa5b.jpg= (1)_______mW(2分),若β=100、66c40efa00b54.jpg=0.7V,當電阻66c40f1e423c2.jpg調整為200kΩ時,電晶體可承受之最大集極電流66c40f3c3ccc6.jpg=(2)_______mA(2分)。
66c40f5ca79d5.jpg

申論題內容

(2)