阿摩線上測驗
登入
首頁
>
教甄◆資訊科
>
112年 - 112 教育部受託辦理公立高級中等學校教師甄選:資訊科#114161
> 申論題
題組內容
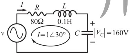
1.有一RLC串聯交流電路如下圖所示,已知外加電壓電源v之角速度ω=103rad/sec,L=0.1H,R=80Ω, 在此電路測得電流 I 為 1∠30°A,電容兩端電壓為|VC|=160V,試求
(c)外加電壓電源 v
相關申論題
1.某電動汽車充電時以單相 220V,32A 交流電進行充電一個小時,依據中華民國 111 年 12 月 28 日經濟部核定之台電電價表,營業用電每度電的電價為 2.53 元,則本次充電的費用約為 _____________元(取至小數點下一位)。(2 分)
#487560
(1) _____________(2 分)、
#487561
(2) _____________(2 分)。
#487562
(1) I _____________ (1 分)、
#487563
(2) _____________ (1 分)。
#487564
4.如下圖電路,橋式全波整流器輸出端並接電容器 C 及負載電阻器 R,輸入交流電,電壓峰值 Vp=150V,頻率 f=60Hz,假設負載電阻器 R=10KΩ,產生漣波峰對峰電壓 Vr=10V,試求電容器 C 之值:__________ (2 分)。
#487565
(1)F(A, B, C)=Σ(1, 5, 7)= _____________ (2 分)
#487566
(2)F(A, B, C, D)=Σ(0, 2, 4, 5, 15)= _____________ (2 分)
#487567
(a)VL
#487568
(b)V
#487569
相關試卷
115年 - [無官方正解]115 臺北市立松山高級工農職業學校_正式教師甄選試題:資訊科#138619
115年 · #138619
114年 - 114 新北市國小暨幼兒園教師甄選試題:資訊科#127131
114年 · #127131
114年 - 114-2 臺北市立和平高中_教師甄試試題﹕資訊科#127057
114年 · #127057
114年 - 114 國立中科實驗高級中學_教師甄試試題_國小部:國小資訊專長#126465
114年 · #126465
114年 - 114 臺北市立麗山高級中學_正式教師甄選試題:資訊科#126462
114年 · #126462
114年 - 114-1 國立屏科實驗高級中等學校_專任教師甄選初試試題_高中部:資訊科技科#126399
114年 · #126399
114年 - 114-1 臺北市立建國高級中學_正式教師甄選試題:資訊科技科#126294
114年 · #126294
114年 - 114-1 臺北市立中山女子高級中_教師甄試初選筆試試題:資訊科技科#126293
114年 · #126293
112年 - 112 國立馬祖高級中學_新進教師甄選:資訊科技及資料處理專業科目#115936
112年 · #115936
112年 - 112 連江縣國民中小學暨幼兒園新進教師聯合甄選題目試卷:國中資訊科技#115847
112年 · #115847