所屬科目:教甄◆資訊科
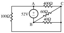
21. 如右圖中100Ω 電阻器上之功率為多少?(A)20W (B)16W (C)12W (D)10W。
24. 如右圖,已知當電池電動勢 E 為 10V,R 為 2Ω,L 為 20μH 時,電路之電流達到穩定值時,線圈所儲 存的能量為2.5 × 10−4 (J),試問當電池電動勢E提高為 20V 時,線圈所儲存的能量為多少?(A)5 × 10−4 (B)10 × 10−4 (C)15 × 10−4 (D)20 × 10−4 J。
26. 已知一個 5 伏特的電池,可提供 2.5✖10-3 焦耳的能量。若以一個電容器取代此電池以提供同樣的電壓和能量,則電容值應為? (A)100μF (B)200μF (C)400μF (D)400F。
4.如下圖電路,橋式全波整流器輸出端並接電容器 C 及負載電阻器 R,輸入交流電,電壓峰值 Vp=150V,頻率 f=60Hz,假設負載電阻器 R=10KΩ,產生漣波峰對峰電壓 Vr=10V,試求電容器 C 之值:__________ (2 分)。